zadnjih dana sam se malo igrao s LT spiceom i probao simulirati koju shemu iz ove teme.
Moskido se u simulatoru pokazao katastofalan za namještanje struje mirovanja i simetrije izlaznog stupnja tako da bi na njemu zbilja trebalo poraditi ili primjeniti ovako nešto što je u biti ista stvar,ali s riješenom strujom mirovanja i simetrijom,
http://www.dddac.de/

- tumcircamp.gif (22.53 KiB) Pogledano 9853 put/a.
ovo isto radi OK,treba malo modificirati neke otpore za izvući malo veću struju mirovanja da bude u A klasi ko gornja shema,povečanjem struje mirovanja izgleda bolje ,mada još nisam skroz skužia kako u LT spiceu miriti šum,izobličenja,frek. opseg,koji put radi,koji put eror

- Untitled.png (197.09 KiB) Pogledano 9853 put/a.
za ove gore sheme treba lampaška sekcija biti s pojačanjem između 25 i 35 puta,ako računamo na ulazni signal od 1V
ovo mi je pravo iznaneđenje,jednostavno,a dobro ali se onda udaljavam od hibrida

,a to mi je bila namjera

- zenotron.gif (3.29 KiB) Pogledano 9853 put/a.
u biti moram složiti pojačalo za ljetne dane ,a ja se opet uvatia A klase

,na kraju će ipak biti neka A klasa,da imam 50W disipacije po kanalu ja zadovoljan,nekih +/-25V i 1A struje po kanalu ne iziskuje prevelik financijski trošak i još ako imaš više od pola djelova po ladicama triba se držati toga
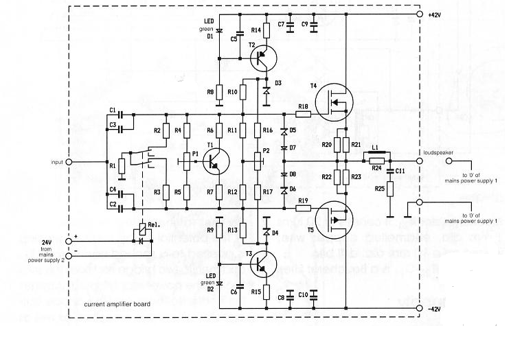
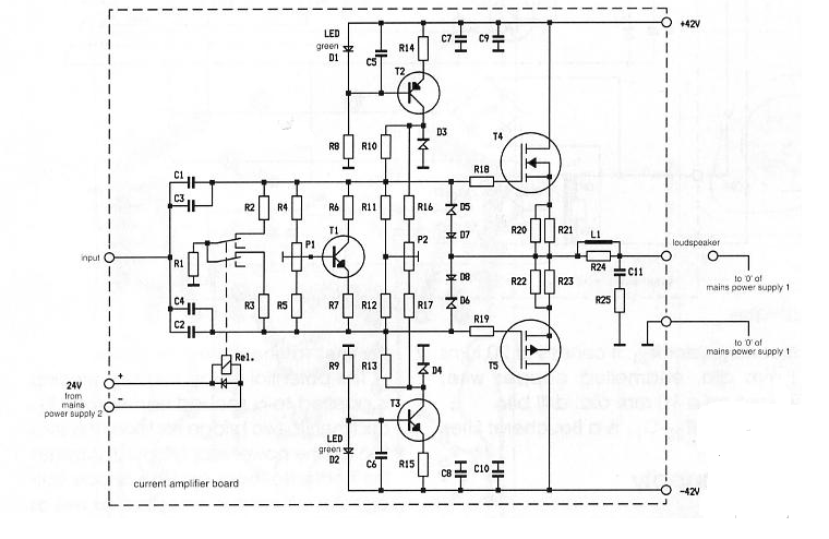
u biti prva shema (tumo)s i druga (elektor) rade na istom principu ,ali drukčije koncipirane,s tim da tumos ima i DC kompezaciju tako da ću se voditi ovim smjernicama,bipolarce ću ostaviti za neki drugi put

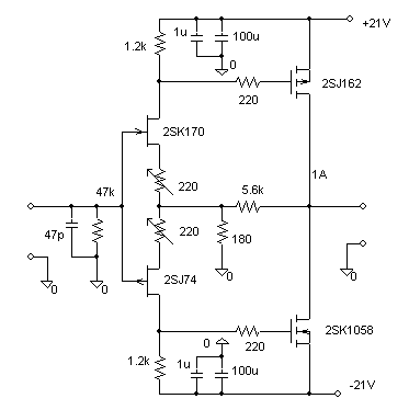
zaboravia san napisati da su TUMOS i modificirani MOSKIDO ( s velikog diyaudia
moskido) jedna te ista stvar,ne znan sad ko je od koga pokupia ideju
