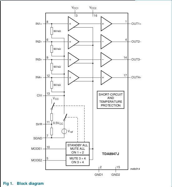
Kad smo već kod recikliranja; pošutavam već neko vrijeme jedan "all in one" home theatre system od Quadra, kojem je laser otišao pa uglavnom ne učitava baš, uglavnom kako me kućno kino ne zanima, palo mi je napamet da koristeći njegove dijelove, sastavim stereo pojačalo. Večeras sam zavirio u njega da vidim šta ima, i sad su se otvorila mnoga pitanja, dakle, od zanimljivih stvari unutra je torodoid koji daje 18.3 V na glavnim izvodima (prozvao sam ih glavnim jer su žice najdeblje i pretpostavljam da je to struja za izlaze) te razne druge vrijednosti napona na nekoliko drugih izvoda od 2,4 V pa na dalje. Tu je i napajanje koje bi se prilično sam uvjeren dalo sasvim fino iskoristiti, te philipsovi tda 8947 j stk moduli x 2. Iz datasheeta za te module se vidi da se oni (svaki od njih, jeli

) zapravo satoje od četiri zasebna pojačala te da se dva kanala mogu koristiti kao bridge (max do 50w) i dva SE kanala (max 25W svaki) ili naravno (4 x 25 w max SE). E sad, mislim da bi bilo srazmjerno izvedljivo na svakom stk ubriđat

po dva pojačala, te ona dva SE pojačala pustit na miru, i tako dobit pojačalce od 2 x 30 - 40 w po kanalu. Također mi je palo napamet da se na svakom stk spoje dva i dva pojačala zajedno (te mogućnosti naravno nema u datasheetu) i onda ih se spoji u push-pull. Tu bi se kao onda trebala dobit neka pažnje vrijedna snaga ali sa napajanjem od 18 V a i moram priznat da sumnjam da su ta četiri pjačala pravi SE ova druga solucija mi zvuči kao takav long shot da bi mogao zakružiti cijelu galaksiju
Eto, to je plan dakle, prijedlozi, sugestije, orošena pivica

, su dobrodošli i čekam ih sa nestrpljenjem.

- DSC01046.JPG (147.26 KiB) Pogledano 10281 put/a.

- DSC01053.JPG (78.48 KiB) Pogledano 10281 put/a.

- DSC01047.JPG (130.87 KiB) Pogledano 10281 put/a.
EDIT: Po datasheetu je očito da će sa postojećim napajanjem imati 18 W po kanalu, što je ok, u ovo iovako ulazim da naučim nešto i da steknem iskustva prije nego se uhvatim konkretnijih stvari. Kako ću morat raditi pretpojačalo, pošto su stk izlazni stupnjevi, dali neko ima ideju koliko bi bilo komplicirano u sklopu pretpojačala napravit i dvostaznu aktivnu skretnicu, tako da se sa stk iskoriste dva kanala ubriđana i jedan SE; pa da onda svaki kanal ima 18 W za bas/srednji + 8 W za visokotonac?

- stk data.jpg (54.36 KiB) Pogledano 10239 put/a.

- stk block.jpg (34.43 KiB) Pogledano 10239 put/a.

- stk a d.jpg (49.41 KiB) Pogledano 10237 put/a.
Gdje ima dima, nema zvuka.