
ilimzn je napisao/la:U ovoj zadnjoj shemi, napon G-S se dobiva iz struje kroz MOSFET puta pad napona na otporu izmedju (ovo je kljucna stvar) G i S. Pretpostavljamo da radimo s idealnim ili idealiziranim elementima, sto za MOSFET konkretno znaci da struja kroz njega ne ovisi o naponu D-S na njemu, samo o naponu G-S. Radi toga, cinjenica da se source donjeg VFET-a 'sece' gore-dolje s izlaznim signalom ne mijenja struju kroz MOSFET i pad napona na otporu S-G tog VFET-a je ISKLJUCIVO odredjen tom strujom.
ilimzn je napisao/la: 100% povratne veze svojstveno slijedilu (zajednicki drain) gdje se promjena napona na S VFETA direktno oduzima od Vgs, jer je zajednicka elektroda ulaza i izlaza drain (za AC), se ovdje ne dogadja, dakle niti jedan tranzistor u izlazu nije slijedilo.
ilimzn je napisao/la: izvor asimetrije se pojavljuje u radu u klasi A(B)2, sa strujom gate-a izlaznih VFET-ova, zato jer za gornji VFET struja G-S ide u pozitivno napajanje izlaznog stupnja, dok za donji ide u trosilo kroz izlaz. Radi toga takav izlazni stupanj uvijek moze malo vise 'povuci' nego 'pogurati', negativna je struja malo veca od positivne.
ilimzn je napisao/la:Jos jedna stvar koju je bitno uociti je opseg napona koji se moze ocekivati na VFET-ima i s time u vezi, potreban iznos napajanja VDP. Iz ovog prozilaze neke teskoce s relativno velikim iznosima napona i potencijalo struja (AB2), ali i pozeljnih karakteristika koje su medju poluvodicima jedino postizive s VFET-ima.
Prvo, koji god bias da odaberemo, znamo unaprijed da je minimalni napon (govorim o iznosu bez predznaka) nula za rad u klasi A(B)1, a samo malo veci - za jedan pad napona na diodi - za rad u klasi A(B)2. Tako ce napon G-S za gornji VFET biti VOP-Vdc, za donji VFET Vout-Vdc, gdje je Vdc napon propusno polarizirane diode G-kanal za maksimalnu struju G-kanal koju odaberemo. Donji VFET vuce izlaz prema naponu VON, sto znaci da je za donji VFET za ocekivati napon Vg=VON-Vdc kod maksimalnog izlaznog napona i struje. U svim ostalim slucajevima, naponi na G oba VFET-a su uvijek pozitivniji (podsjecam, govorimo o P kanalnim VFET-ima). A koliko maksimalno mogu biti pozitivni? Za dati pobudni stupanj, Vgs je maksimalno 2xVbias. Ovo izgleda isisano iz malog prsta ali nije tako. Driver je diferencijalno pojacalo,sto znaci da je maksimalna struja kroz bilo koji MSFET odredjena strujnim izvorom u 'repu' diferencijalnog para. U stanju mirovanja, struja lijeve i desne strane je jednaka i iznosi tocno pola struje strujnog izvora - ujedno ta struja na otporima Rgs stvara bias napon, sto znaci da je bias jednak (Rgs * Iccs)/2. A kako je maksimalna struja kroz jednu stranu diferencijala onda kada je kroz drugu nula, i iznosi Iccs, napon na Rgs je Rgs * Iccs - tocno dva puta vise od bias napona.
aparatusonitus je napisao/la:ilimzn je napisao/la:U ovoj zadnjoj shemi, napon G-S se dobiva iz struje kroz MOSFET puta pad napona na otporu izmedju (ovo je kljucna stvar) G i S. Pretpostavljamo da radimo s idealnim ili idealiziranim elementima, sto za MOSFET konkretno znaci da struja kroz njega ne ovisi o naponu D-S na njemu, samo o naponu G-S. Radi toga, cinjenica da se source donjeg VFET-a 'sece' gore-dolje s izlaznim signalom ne mijenja struju kroz MOSFET i pad napona na otporu S-G tog VFET-a je ISKLJUCIVO odredjen tom strujom.
To onda znači da se treba potruditi naći izrazito linearne M-fet/V-mos ili BJT za drugi stupanj (imaš li iskustva sa ITT BD512/522, datasheet ne otkriva mnogo, nema krivulja, osim da se radi o komplementarnim V-mos?), jer krivulje Id/Vds su daleko od linernih?
ilimzn je napisao/la: 100% povratne veze svojstveno slijedilu (zajednicki drain) gdje se promjena napona na S VFETA direktno oduzima od Vgs, jer je zajednicka elektroda ulaza i izlaza drain (za AC), se ovdje ne dogadja, dakle niti jedan tranzistor u izlazu nije slijedilo.
Kako izlazni V-fetovi nisu sljedilo, onda bi to značilo da se realizira i maleni gain kroz njih pa imamo u izlazu "triodno" pojačanje, što bi mi se trebalo zvučno svidjeti (Sony TA-4650/5650), usprkos manjem damping faktoru (što me ne brine)?
ilimzn je napisao/la: izvor asimetrije se pojavljuje u radu u klasi A(B)2, sa strujom gate-a izlaznih VFET-ova, zato jer za gornji VFET struja G-S ide u pozitivno napajanje izlaznog stupnja, dok za donji ide u trosilo kroz izlaz. Radi toga takav izlazni stupanj uvijek moze malo vise 'povuci' nego 'pogurati', negativna je struja malo veca od positivne.
To bi onda značilo nesimetrični clipping, ali pretpostavljam da nije nešto što bi trebalo biti zabrinjavajuće i nešto poduzimati oko toga?
aparatusonitus je napisao/la:
ilimzn je napisao/la:Da, ali si zapravo promasio puno vecu poantu. Ovakas sklop s MOSFET-ima, bipolarcima ili pentodama ima ozbiljan problem da mu OLG ovisi direktno o opterecenju (Vout/Vin = Av = gm * Rload). A opterecenje je kompleksna impedancija zvucnika, ili, samo mreza otpora u povratnoj vezi. Av postaje kompleksan broj ovisan u principu o nepoznatoj velicini, sto ima ogromne poslijedice na stabilnost i nacine na koje se ona mora moci osigurati.
ilimzn je napisao/la:Sasvim je druga prica kod neceg sto ima triodne karakteristike, nekoliko redova velicine manji izlazni otpor i u spoju zajednickog sourcea (ili katode) i pojacanje ograniceno s mu. Unutrasnji otpor drasticno ogranicava uticaj reaktivnih komponenti na ukupno pojacanje a i modulom taj broj varira tipicno mozda ni za red velicine, dok je kod elemenata s pentodnom karakteristikom to lako i po 3-4 reda velicine (teoretski).
ilimzn je napisao/la:Ne, zapravo, radi se o tome da se u jednom smjeru prenosna karakteristika naglo mijenja jer osim toga sto je inace uvinuta kod prelaska VFET_a u tzv. Beta-mod (*), ovdje u jednom slucaju struga G izlazio u trosilo, u drugom ne. TO se ipak dogadja samo u dosta ekstremnim uvjetima, kod tzv. strujnog clippinga, kad se trazi dovoljno velika struja da Iout * Rload <= Vsupply, G-S napon postaje pozitivan i VFET se ponasa slicnije bipolarnom tranzistoru (*) s Beta, koji je cak dosta velik na malim strujama G-S a pada s strujom, tipicno na oko 20 kad je struja G-S maksimalna. Pri tome se od Vgs=0 do Igs=Igsmax, Rdson smanji za preko reda velicine. Koliko je to problem u stvarnosti ovisi kako smo ogranicili Igs, o cemu vise u nastavku.
ilimzn je napisao/la:
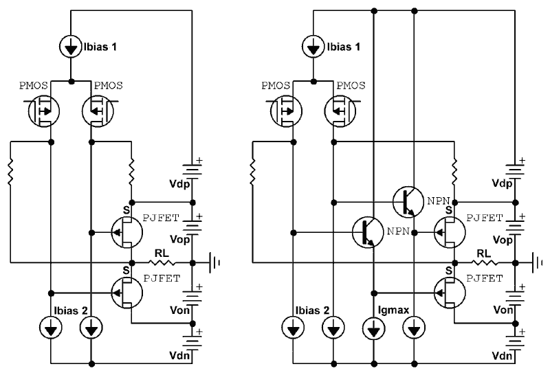
U lijevoj slici dodani su strujni izvori Ibias 2, koji mogu ali i ne moraju biti iste vrijednosti. Njihov je zadatak odvojiti struju kroz diferencijalni stupanj s MOSFETima s strujom potrebnom da na otporima G-S razvije odgovarajuci prednapon za VFET-ove. Time se postize i mogucnost da Vgs nije ogranicen na (0..Vbias*2), ovako moze biti i suprotnog predznaka (propusno polariziran G-S). Bit je ipak sto je struja kroz MOSFETove ista cime se moze radna tocka fleksibilnije postaviti u podrucje zeljene (ne)linearnosti.
ilimzn je napisao/la:Dodatno bi se relativno lako mogle implemetirati tzv. Baker Clamps, mreza dioda koja sprecava duboko zasicenje bipolaraca u slijedilima kako se ne bi pojavljivalo 'lijepljenje' izlaza na nivo clippinga.
aparatusonitus je napisao/la:ilimzn je napisao/la:Da, ali si zapravo promasio puno vecu poantu. Ovakas sklop s MOSFET-ima, bipolarcima ili pentodama ima ozbiljan problem da mu OLG ovisi direktno o opterecenju (Vout/Vin = Av = gm * Rload). A opterecenje je kompleksna impedancija zvucnika
A koja je formula OLG za sklop s triodnom karakteristikom na izlazu?
ilimzn je napisao/la:Sasvim je druga prica kod neceg sto ima triodne karakteristike, nekoliko redova velicine manji izlazni otpor i u spoju zajednickog sourcea (ili katode) i pojacanje ograniceno s mu. Unutrasnji otpor drasticno ogranicava uticaj reaktivnih komponenti na ukupno pojacanje a i modulom taj broj varira tipicno mozda ni za red velicine, dok je kod elemenata s pentodnom karakteristikom to lako i po 3-4 reda velicine (teoretski).
Ovo potcrtano mi nije jasno, koji modul (unutrašnji otpor/ukupno pojačanje= utjecaj reaktivnih komponenti)?
[/quote]ilimzn je napisao/la:Ne, zapravo, radi se o tome da se u jednom smjeru prenosna karakteristika naglo mijenja jer osim toga sto je inace uvinuta kod prelaska VFET_a u tzv. Beta-mod (*), ovdje u jednom slucaju struga G izlazio u trosilo, u drugom ne. TO se ipak dogadja samo u dosta ekstremnim uvjetima, kod tzv. strujnog clippinga, kad se trazi dovoljno velika struja da Iout * Rload <= Vsupply, G-S napon postaje pozitivan i VFET se ponasa slicnije bipolarnom tranzistoru (*) s Beta, koji je cak dosta velik na malim strujama G-S a pada s strujom, tipicno na oko 20 kad je struja G-S maksimalna. Pri tome se od Vgs=0 do Igs=Igsmax, Rdson smanji za preko reda velicine. Koliko je to problem u stvarnosti ovisi kako smo ogranicili Igs, o cemu vise u nastavku.
Kad spominješ Beta-mod, da li se to vidi na I-V krivuljama V-feta kada mu krivulje iz triodne prelaze u pentodnu krivulju kao kod nekih, ili je to karakteristika svih i nema veze s I-V krivuljama?
aparatusonitus je napisao/la:ilimzn je napisao/la:
U lijevoj slici dodani su strujni izvori Ibias 2, koji mogu ali i ne moraju biti iste vrijednosti. Njihov je zadatak odvojiti struju kroz diferencijalni stupanj s MOSFETima s strujom potrebnom da na otporima G-S razvije odgovarajuci prednapon za VFET-ove. Time se postize i mogucnost da Vgs nije ogranicen na (0..Vbias*2), ovako moze biti i suprotnog predznaka (propusno polariziran G-S). Bit je ipak sto je struja kroz MOSFETove ista cime se moze radna tocka fleksibilnije postaviti u podrucje zeljene (ne)linearnosti.
Ukratko, ako smo u poziciji da personaliziramoIbias 2 za svaki izlazni V-fet zasebno, otvara nam se mogućnost da oba izlazna V-feta rade u manje-više istom režimu iako nisu posve identična u izlaznim karakteristikama?
ilimzn je napisao/la:Dodatno bi se relativno lako mogle implemetirati tzv. Baker Clamps, mreza dioda koja sprecava duboko zasicenje bipolaraca u slijedilima kako se ne bi pojavljivalo 'lijepljenje' izlaza na nivo clippinga.
Ako kojim slučajem izgubimo Ibias 2, možemo li išta napraviti kao (posljednju) liniju zaštite da nam Vgs ostane barem na napon preko 1 diode dok ne skužimo da nam je pretoplo u prostoriji
Trenutno korisnika/ca: / i 3 gostiju.