humbucking ripple?

Postano:
20 tra 2012, 20:46
Postao/la Johnny
- spajam dva greca u seriju i npr od trafa sa 2x12vac dobivam trafo sa 1 puta 24VAC (odnosno nešto više jer umjesto 4 diode koristim neku bubu kbl10.. nije bitno)
- moje pitanje je:
ako pogodim dva ac izlaza sa trafa u kontrafazi, mogu li mi onda nakon spajanja grecova u seriju ripplovi biti u kontra fazi, odnosno poništavati se?
- imam ac izlaze 1,2,3,4 (toroidni trafo)
Re: humbucking ripple?

Postano:
20 tra 2012, 21:36
Postao/la sstrsat
Ako pogresno vezes izlaze trafa na izlazu (i iz trafa i iz greca) ces dobit nula volti.
Re: humbucking ripple?

Postano:
20 tra 2012, 22:46
Postao/la Johnny
Imam ja napon nekakovi.. 23VDC sa diodama, 37VDC sa kbl napravom
Ispravljač:

- ispravljac.JPG (23.72 KiB) Pogledano 6188 put/a.
Re: humbucking ripple?

Postano:
20 tra 2012, 22:47
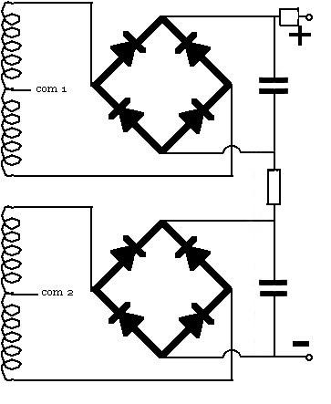
Postao/la Johnny
a ovo je pitanje - ripple humbucking, odnosno mogu li se dva rippla neutralizirat potrefljivanjem faze

- ripple humbucking.JPG (9.93 KiB) Pogledano 6187 put/a.
Re: humbucking ripple?

Postano:
20 tra 2012, 23:53
Postao/la ilimzn
Ne... jer ripple ne izgleda tako, uvijek je pilast s brzim uzlaznim i kratkim silaznim dijelom.
Ono sto moze izvesti je (djelomicno) ponistavanje rasipnih polja transformatora, i to je u principu jedini humbucking efekt koji mozes dobiti.