Izbacija sam onaj Point 1. To je triba biti NFB prema ton kontroli.
Da ne kompliciram, odustajem ode od ton kontrola.
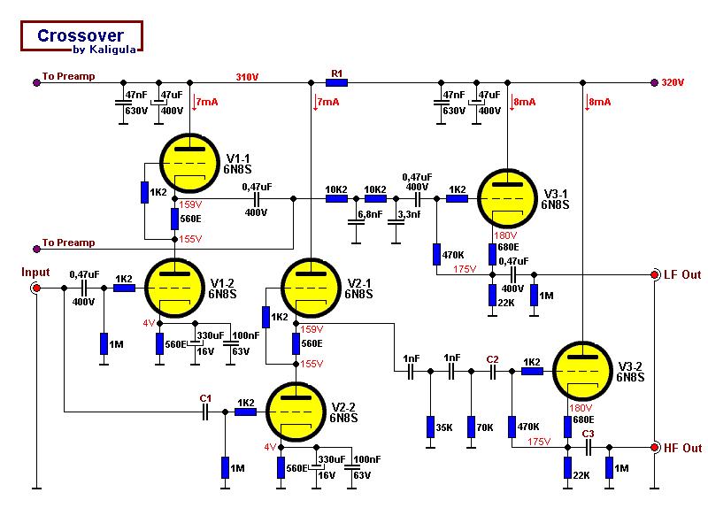
Još ću tribati ubaciti Volime, Balance i trimere za nivo signala LF i HF.
Izbacija sam veznjake na ulazu u SRPP-ove.
Ubacija sam otpor 1M prema masi na izlazu LF SRPP-a iza izlaznog veznog gonda.
Smanjija sam grid leaks na ulaznim SRPP-ovima na 470K.
Vrijednost tog veznog konda nisam računa nego sam samo nabacija 0,47uF. Da li to ostaje OK?
Također, nema izlaznog veznog konda na SRPP-u HF-a, već direktno sa katode na 1nF koji je sastavni dio HF Cutover-a. Jeli to u redu?
Smanjija sam vrijednosti bypass elektrolita na 220uF za LF i 100uF za HF.
Pribacija sam izlazne veznjake na katodnim sljedilima na katodu (ono prije je bila greška!), a ispred njih u seriju otpor od 100ohma.
E a sad, svejedno, ne znam proračunati izlazne veznjake katodnih sljedila jer ne znam
minimalnu vrijednost očekivanog opterećenja na ulazu ampa.Sorry, neke tebi banalne stvari su meni špansko selo!
A evo sad i sheme:

- Crossover.JPG (64.78 KiB) Pogledano 3280 put/a.
Ostaje mi, dakle, da izračunam C1, C2, C3.
Na ulazu (Input) ću dovoditi preko relay-a nekoliko ulaza.
Pretpostavljam da bi Balance i Volume trebali biti odmah na ulazu u Crossover.
Trimeri za regulaciju nivoa signala LF-a i HF-a, pretpostavljam na ulazu u katodna sljedila.
I još nešto:
Izlazni nivo signala bi treba biti 1,2V (pretpostavljam)
Ulazni nivo signala mi nije jasan. On je onoliko koliki daje pojedini izvor analognog signala.
Vjerovatno postoji neki očekujući standard, ili su potrebne još i nekakve korekcije po kanalima?
Na temelju toga treba bi znati ukupno pojačanje Crossovera, pa napraviti korekciju radnih točki?