Electrostatic loudspeaker (ESL)

Re: Electrostatic loudspeaker (ESL)

PostPostao/la NINO.S » 06 stu 2015, 11:21

PUNO HVALA :hail: :hail: :hail:

pozz :admin:
NINO.S
 
Postovi: 178
Pridružen/a: 06 svi 2011, 10:00
Lokacija: Karin Kutina

Re: Electrostatic loudspeaker (ESL)

PostPostao/la tomi77 » 06 stu 2015, 12:21

NINO.S je napisao/la:tomi 77

Zamolio bih te da premjeriš nešto na tvojim statorima što bi omogućilo
da ostali repliciraju takve "žičane"FR statore

1.dimenzije upotrebljene žice sa i bez izolacije
2.veličinu aktivnog dijela membrane znači visina širina
3.razmak i širina spacera na membrani
4.transformator površina srednjeg stupa i deblijine žice u primaru i sek.

Valjda te nisam puno zagnjavio :hail: :hail: :lol:

Pozz :admin:


1. 2.5 mm/1,2 mm
2. 1500 mm x 200 mm (isključivo korisna površina)
3. spaceri su puni alu (nije profil) 7x7 mm, razmaka cca 95 mm (neki su 94.5, neki 95...)
4. cca 1242 mm2 (srednji stup), debljinu žice javljam naknadno, za sad mi se sekundar čini 0.4 mm, teško je mjeriti.

Pozdrav
Avatar
tomi77
 
Postovi: 207
Pridružen/a: 20 sij 2014, 15:41
Lokacija: Split

Re: Electrostatic loudspeaker (ESL)

PostPostao/la elvis » 06 stu 2015, 14:39

Hvala Tom77, svakako korsine informacije. Vjerujem da je žica sekundara ipak nešto tanja, ne puno više od 0,3, pitanje je da li bi deblja stala na tu špulu, a primar je vjerojatno bar 1mm ili čak i malo više, a nije isključeno da je primar motan bar dva puta i da je paralelisan, no svjestan sam da je žicu teško doseći pa samim tim i izmjeriti. Iznenadilo me je ovih 150 cm membrane, impresivno.

Evo j jedan video sa ES 100, ovako na snimku nazire se impresivan ton. Ovakve visoke ja nemam ni iz bliza...



Zbilja zvuče fantastično i na snimku, mogu misliti kako je tek uživo, moj puni RESPECT !!

EDIT: probati ću pronaći sličan glazbeni zapis pa snimiti video, čisto pokažem kako kod mene nema ove blistavosti u zvuku koju bez problema pokupi i snimi nekakva bezvezna kamera tj. mikrofon na mobitelu, jer ovo gore nije snimano ničim boljim od mobitela.

I da, bass, meni dosta ovo što čujem, no ovdje je ipak 4 komada u isto vrijeme :)
Avatar
elvis
 
Postovi: 1484
Pridružen/a: 04 svi 2011, 14:38

Re: Electrostatic loudspeaker (ESL)

PostPostao/la tomi77 » 06 stu 2015, 16:08

Ako prorade, vidjet ćemo u koga će završiti :) (doduše, ako i NE prorade...).

Bio sam editirao jedan svoj post, možda nisi primjetio, kakav si s njemačkim?
Avatar
tomi77
 
Postovi: 207
Pridružen/a: 20 sij 2014, 15:41
Lokacija: Split

Re: Electrostatic loudspeaker (ESL)

PostPostao/la elvis » 06 stu 2015, 16:11

tomi77 je napisao/la:Ako prorade, vidjet ćemo u koga će završiti :) (doduše, ako i NE prorade...).

Bio sam editirao jedan svoj post, možda nisi primjetio, kakav si s njemačkim?


Učio davno, no generalno loše. :(

Ako ih budeš "udavati", javi nama najprije :)
Avatar
elvis
 
Postovi: 1484
Pridružen/a: 04 svi 2011, 14:38

Re: Electrostatic loudspeaker (ESL)

PostPostao/la tomi77 » 06 stu 2015, 16:15

elvis je napisao/la:
Ako ih budeš "udavati", javi nama najprije :)


točno to sam i mislio, a ti si unatarg koji dan rekao jednu ključnu rečenicu.

Tomi
Avatar
tomi77
 
Postovi: 207
Pridružen/a: 20 sij 2014, 15:41
Lokacija: Split

Re: Electrostatic loudspeaker (ESL)

PostPostao/la elvis » 07 stu 2015, 00:36

Mislim da mi je danas Nino dao odgovor zašto se ne mogu oteti dojmu da ovi paneli sviraju nekako prigušenije u visokim. Zanimljivo je to što na nikakvom mjerenju nisam to mogao potvrditi, uvjek je sve bilo više nego ravno iznad 2000 Hz, teško je bilo objasniti zašto me je stalno proganjalo to da visoki nisu isti kao i sa prozirnim mylarom koji sam imao prije par mjeseci. Nino je donio mikrometar, i brzo smo otkrili kako crni oslojeni mylar ima 10 mikrona, a prozirni 6. Dileme više nema, crni mylar je idealan za bass module, šteta što je širok samo 22 cm.

Nije bilo druge, ipak sam napravio ono što ne volim i behringerom sam "malo" dodao visokig, 3dB poslije 3k. Malo sam vozao dole gore, 3dB mi se čini ok. Vidjeti ću slijedećih dana koliko je ova korekcija zapravo dobroga donjela, ovako na prvu vratila se ona prozračnost u visokima, no treba probati na što više tipova glazbe pa ću biti pametniji .... 10 mikrna, ne mogu vjerovati, a onako pod ruku gotovo da nema razlike u odnosu na onu od 6microna, kladio bi se da su jednake debljine. Hm hm.. no što je tu je....

Evo kako to sada izgleda na behringeru. Vidi se gdje sam podebljao.
image.jpg
image.jpg (80.34 KiB) Pogledano 7966 put/a.


Zatim situacija na subu
image.jpg
image.jpg (82.71 KiB) Pogledano 7966 put/a.


Te na panelim
image.jpg
image.jpg (81.85 KiB) Pogledano 7966 put/a.
Avatar
elvis
 
Postovi: 1484
Pridružen/a: 04 svi 2011, 14:38

Re: Electrostatic loudspeaker (ESL)

PostPostao/la Rade » 07 stu 2015, 08:09

Visoki mogu biti prigušeni iz više razloga . Najednostavniji i najlakši za rešavanje je taj da ih jednostavno ima malo .
Drugi razlog je da prostorija upija previše / za razliku od drugog dela spektra gde se frekfencije pumpaju , visoki mogu da budu upijeni .
I treći najveći problem je da je neki deo previše istaknut u odnosu na visoke i na taj načim maskira visoke .
Pošto se radi o dipolima onda je sve moguće :) .

Praktično bi trebalo sa nečim izvršiti merenja sa RTA , trećinu oktave na mestu slušanja i onda sa beringerom izvršiti korekciju . Trećina oktave RTA pruža informaciju o odzivu sa svim refleksijama a parametarski ekvalizer od beringera pruža mogućnost precizne regualcije .
PS parametarski ekvalizer je ekvalizer koji ima mogućnost podešavanja VIŠE parametara pa se stoga i naziva para.......osim neke određene frekfencija ima mogućnost podešavanja iQ faktora , alfe i omege svih podešavanja .....ima čak i formula , minimalna frekfencija pa maksimalna frekfencija pa pik , pa sredina tog opsega , pa se to onda svašta nešto deli i množi i dobije se tačan podatak :mrgreen:
Rade
 
Postovi: 216
Pridružen/a: 05 srp 2013, 10:15

Re: Electrostatic loudspeaker (ESL)

PostPostao/la elvis » 07 stu 2015, 21:37

Rade je napisao/la:Visoki mogu biti prigušeni iz više razloga . Najednostavniji i najlakši za rešavanje je taj da ih jednostavno ima malo .
Drugi razlog je da prostorija upija previše / za razliku od drugog dela spektra gde se frekfencije pumpaju , visoki mogu da budu upijeni .
I treći najveći problem je da je neki deo previše istaknut u odnosu na visoke i na taj načim maskira visoke .
Pošto se radi o dipolima onda je sve moguće :) .

Praktično bi trebalo sa nečim izvršiti merenja sa RTA , trećinu oktave na mestu slušanja i onda sa beringerom izvršiti korekciju . Trećina oktave RTA pruža informaciju o odzivu sa svim refleksijama a parametarski ekvalizer od beringera pruža mogućnost precizne regualcije .
PS parametarski ekvalizer je ekvalizer koji ima mogućnost podešavanja VIŠE parametara pa se stoga i naziva para.......osim neke određene frekfencija ima mogućnost podešavanja iQ faktora , alfe i omege svih podešavanja .....ima čak i formula , minimalna frekfencija pa maksimalna frekfencija pa pik , pa sredina tog opsega , pa se to onda svašta nešto deli i množi i dobije se tačan podatak :mrgreen:



Ovako, ovu preporuku ćemo zapamtiti, pa nakon preuređenja radionice u djelimično slušaonicu ću ovo aktivirati. Nakon prvog čitanja nemam pojma šta bi trebao napraviti :)
Avatar
elvis
 
Postovi: 1484
Pridružen/a: 04 svi 2011, 14:38

Re: Electrostatic loudspeaker (ESL)

PostPostao/la elvis » 07 stu 2015, 22:06

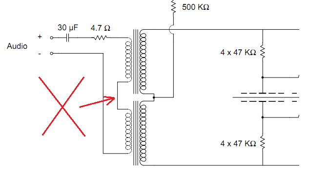
Večerašnji reeport... zapravo ISPRAVAK DVA NETOČNA NAVODA ILI ZAKLJUČKA IZ PRIJAŠNJIH POSTOVA, evo i prvi:

Naime gledajući shemu elektronike za AudioStatic ES50 vidjeli smo da postoje dva audio stepup trafa i da su po shemi spojeni u seriju, što me je malo zbunilo, no velim znaju ljudi što im je u službenoj dokumentaciji. Vidio i crtao po slikama PCB-a, no nisam primjetio da taj spoj primara zapravo nije serijski već je paralelan.

Znači na shemi je ucrtano ovako, tj. serijski spoj primara

netocna shema audiostatic es 50.png
netocna shema audiostatic es 50.png (33.15 KiB) Pogledano 7656 put/a.


a na PCB od ES50 modela to je spojeno ovako:

OCB audiostatic es 50.gif
OCB audiostatic es 50.gif (78.87 KiB) Pogledano 7656 put/a.


A na ES 100 ovako tj, isto kao i na ES 50.

esl 100.gif
esl 100.gif (77.53 KiB) Pogledano 7656 put/a.


Znači čista paralela, no spojeni su u kontrafazi što u biti nema nekog pametnog razloga izuzev zbog načina na koji izvukli konekcije za statore.
Nije mi baš jasan onaj koji je dizajnirao ovaj PCB, no nema veze... važno je da sada stvari sjedaju na svoje mjesto, znači ukupan omjer transformacije je 1:150, što je izvrsno i rekao bi nužnu za FR, a uklapa sa i u logiku 5600V DC biasa... tj. onoga zbog čega se elektrostatici zovu tako :). Aj super, priča o AudioStatima polako se zaokružuje, sve mi se više sviđa taj ESL, mada i dalje smatram da nema potrebe za tih 150 cm membrane, naročito ako uzmeš u obzir uši slušatelja koje su u pravilu dole na jedva 80cm od poda ako se sjedi u fotelji ili na kauču. Ako ništa drugo bar za ove naše prosječne životne prostore nema smisla, ne znam, možda krivo razmišljam....


I DRUGI ISPRAVAK KRIVOG NAVODA, ZAPRAVO MALO DODATNO POJAŠNJENJE oko crne folije koju smo jučer proglasili predebelom

Sinoć smo Nino i ja mjerili debljinu crne i prozirne membrane, crna je bila 0,010 a bijela 0,0006 kako je Kinez i rekao. Danas mi je palo napamet da uklonim taj crni konduktivni sloj i sve izmjerim.. i iznenađenje je bilo veliko...

Znači sa crnilom to je 0,010 mm

IMG_0843.JPG
IMG_0843.JPG (27.83 KiB) Pogledano 7654 put/a.


A kada se skine crnilo, značano manje, rekao bi 0,006 mm

IMG_0842.JPG
IMG_0842.JPG (25.53 KiB) Pogledano 7654 put/a.


Eto ko bi rekao da to malo crnoga može biti tako debelo. Ma rekoh ja vama kako se meni folija pod rukom ponašala isto kao i prozirna.. no ovo je super primjer koji donekle može dočarati kako je ova folja tanka, kada premaz ima istu debljinu kao i sama folija... he he he
Avatar
elvis
 
Postovi: 1484
Pridružen/a: 04 svi 2011, 14:38

PrethodnaSljedeća

Natrag na Zvučnici

Na mreži

Trenutno korisnika/ca: / i 4 gostiju.