Electrostatic loudspeaker (ESL)

Re: Electrostatic loudspeaker (ESL)

PostPostao/la Mate » 23 vel 2015, 12:45

to je i meni sinulo da je to u vezi s time.
Avatar
Mate
 
Postovi: 1138
Pridružen/a: 12 svi 2011, 06:55
Lokacija: Prigradica

Re: Electrostatic loudspeaker (ESL)

PostPostao/la elvis » 24 vel 2015, 09:34

Iskreno nisam baš 100% siguran da kod audiostatica ti otpornici služe u tu svrhu, niti je to baš previše jednako onomu što quad radi. Neću tvrditi 100%, mora se ovo sve dobro proučiti. Ovaj način "šivanja" statora nudi mogućnost segmenatcije istog, pa samim tim ostavlja drugačije mogućnosti u odnosu na perforirane limove u jednom komadu. Na slici dolje vidi se kako je stator segmentiran u tri djela, bočno po 18 žica i u sredini 9 žica:

ES100-13_3.jpg
ES100-13_3.jpg (138.87 KiB) Pogledano 6252 put/a.


ovdje se lijepo vidi kako se segmentiraju statori, a kvaka je vjerojatno kako se spajaju... nemam pomja :(

ES100_modificatie_3.jpg
ES100_modificatie_3.jpg (173.32 KiB) Pogledano 6252 put/a.


No da lijepo izgledaju, izgledaju... :)

p1040774_240534.jpg
p1040774_240534.jpg (160.04 KiB) Pogledano 6252 put/a.


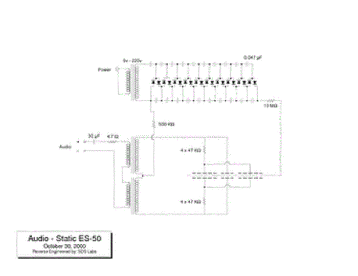
Imao sam negdje shemu, sada je ne mogu pronaći :(.. imam samo ovu lošu verziju, no vidi se gdje su ti otpornici- Znači visokotonski segment se spaja girektno na stepup trafoe, a segmenti statora ispod kojih je dio membrane zadužen za bass/srednje ide preko otrporina na stepuptrafo.

ES-50.gif
ES-50.gif (16.69 KiB) Pogledano 6248 put/a.


Ako neko ima bolju sliku ove sheme, pliz jedan update ako nije problem.
Avatar
elvis
 
Postovi: 1484
Pridružen/a: 04 svi 2011, 14:38

Re: Electrostatic loudspeaker (ESL)

PostPostao/la Mate » 24 vel 2015, 09:58

Gledam shemu i totalno sam zbunjen. Odnosno, shema je crtana nula bodova. Ako hoćeš nekome zamaglit nešto nema bolje od krive sheme, pogotovo kad su nestandardna podrucja.
Dakle ova shema ukazuje na postojanje dva trafa, jedan za visoke i drugi za niske tonove. Na visokim ima čak i neki filtar. Na niskom imamo "taps" za razne, nešto, panels.
Ali sekundari tih trafoa su totalna koma. Di je šta spojeno, di su paneli, kakvi su paneli...
Eba im ja tehničku pismenost.

EDIT: Ovo smo izgleda pisali istovremeno. Ja pljujem po gornjoj shemi. A ova nova zamagljena kao nešto moguće raspetljava... ali je u magli.
Avatar
Mate
 
Postovi: 1138
Pridružen/a: 12 svi 2011, 06:55
Lokacija: Prigradica

Re: Electrostatic loudspeaker (ESL)

PostPostao/la elvis » 24 vel 2015, 10:08

Jedan bitan moment koji značajno razlikuje ovaj ESL od ala ML tipova je taj što se membrana ne segmentira, ali se u centru okomito fiksira na svakoj preggradi. Pitanje je samo da li se fiksira samo na jednoj strani (jednom statoru) ili na oba, ili to uopće nije važno, može i jedno i drugo... Znači onoh 9 razvučenih žica prolazi točno iza i ispred tog "fikisranog" dijela membrane, očito je da je to dio koji svira visoke frekvencije, ne izgleda neizvedivo, dapače.

as300rep_3.jpg
as300rep_3.jpg (119.65 KiB) Pogledano 6248 put/a.


Sa crvenim kružićima sam označio par tih "upornica" membrane. Ja bi to stavio i na drugi stator, no na slici iznad to nije slučaj. To su još neki detalji koji nisu skroz jasni, no manje više imamo sve bitno za prve testne izvedbe, ali treba naći vreman (i nešto novca) pa napraviti isti.

Ako bi ulatio u ovaj projet išao bi sa dimenzijama cca 100cm x 18cm, mislim na efektivni dio membrane. Vrlo vjerojatno će trebati pomoć sub sekicje, no to već imam pa ne brinem brigu. Ovdje vjerujem n ebi trebao ni behringer, jedino zbog delaya, ništa drugo...
Avatar
elvis
 
Postovi: 1484
Pridružen/a: 04 svi 2011, 14:38

Re: Electrostatic loudspeaker (ESL)

PostPostao/la elvis » 24 vel 2015, 10:08

Mate je napisao/la:Gledam shemu i totalno sam zbunjen. Odnosno, shema je crtana nula bodova. Ako hoćeš nekome zamaglit nešto nema bolje od krive sheme, pogotovo kad su nestandardna podrucja.
Dakle ova shema ukazuje na postojanje dva trafa, jedan za visoke i drugi za niske tonove. Na visokim ima čak i neki filtar. Na niskom imamo "taps" za razne, nešto, panels.
Ali sekundari tih trafoa su totalna koma. Di je šta spojeno, di su paneli, kakvi su paneli...
Eba im ja tehničku pismenost.

EDIT: Ovo smo izgleda pisali istovremeno. Ja pljujem po gornjoj shemi. A ova nova zamagljena kao nešto moguće raspetljava... ali je u magli.


Krivu sam shemu zakačio, pa sam to popravio :)
Avatar
elvis
 
Postovi: 1484
Pridružen/a: 04 svi 2011, 14:38

Re: Electrostatic loudspeaker (ESL)

PostPostao/la zmajz » 24 vel 2015, 12:00

Ja viddim totalnu analogiju sa Quad 63, srednji dio membrane se poganja u ful spektru ali zbog dimenzije (širine) se ponaša kao visokotonac, dva krajnja segmenta zbog dodanih otpora vremenski kasne a zbog dimenzije (širine) emitira i niži dio spektra, dakle cijel panel se ponaša kao cilindrični izvor zvuka (kao line array) i ujedno ima visokotonski i niskotonski segment (bez prave skretnice). Kod Quada je to segmentiranje kružno.
zmajz
 
Postovi: 531
Pridružen/a: 05 svi 2011, 16:52
Lokacija: zagreb

Re: Electrostatic loudspeaker (ESL)

PostPostao/la zmajz » 24 vel 2015, 12:02

BTW, upornice na membrani moraju biti na obje strane prema statorima, opet analogija sa QUAD ELS 57 (prvi njihov model)
zmajz
 
Postovi: 531
Pridružen/a: 05 svi 2011, 16:52
Lokacija: zagreb

Re: Electrostatic loudspeaker (ESL)

PostPostao/la zmajz » 24 vel 2015, 12:15

zmajz
 
Postovi: 531
Pridružen/a: 05 svi 2011, 16:52
Lokacija: zagreb

Re: Electrostatic loudspeaker (ESL)

PostPostao/la Pao Pepeo » 24 vel 2015, 12:30

S ovim otpornicima zbunili ste i mene.. dobro to u mojem slucaju nije tesko :mrgreen: da vidim dal sam razumijo?? kod ovih ESL-a uz pomoc otpornika i segmentiranja statora u vise dijelova se zeli visoke tonove reproducira jedan dio panela a one nise drugi dio (a mozda i cijeli panel).Visoke tonove bi reproducirao srednji dio di bi bili onih 15 drzaca (tocka) membrane koje mislim po po nekoj logici su obostrani.
Naslucujem razlog zasto bi sehtijelo da panel ovako radi ali ako mi netko pojasni bio bih zahvalan :)

Također ovi zicani statori davali bi mogucnost smanjenja ili povecanja magnetnog polja na pojedinim djelovima jednostavnim udaljavanjem ili priblizavanjem razmaka među zicama.Sad neznam dali bi to moglo biti od koristi imat stator koji nema svugdje isto magnetno polje... ali vjerujem da treba vise slie za potegnut membranu na njenim rubovima nego na sredini.

I jos nesto dali bi bilo previse opasno da se umjesto ovih zica oje se vide sa slika koriste obicne lakirane bakrene... :mrgreen:
Pao Pepeo
 
Postovi: 231
Pridružen/a: 16 lip 2013, 21:31
Lokacija: Pula

Re: Electrostatic loudspeaker (ESL)

PostPostao/la Mate » 24 vel 2015, 14:34

zmajz je napisao/la:Ja viddim totalnu analogiju sa Quad 63, srednji dio membrane se poganja u ful spektru ali zbog dimenzije (širine) se ponaša kao visokotonac, dva krajnja segmenta zbog dodanih otpora vremenski kasne a zbog dimenzije (širine) emitira i niži dio spektra, dakle cijel panel se ponaša kao cilindrični izvor zvuka (kao line array) i ujedno ima visokotonski i niskotonski segment (bez prave skretnice). Kod Quada je to segmentiranje kružno.

E to sam i sam skužio iz ove magla-sheme, tj sad si ti dao čistu, ali već sam ubrao osnovno.

Ovo je zapravo zanimljiva distribucija opsega po istoj membrani.
Budući nema ovih poprečnih spacera kao kod Elvisa, onda je neprekinuta površina membrane praktično definirana punom visinom membrane (panela) i tek djelomično isprekidana kroz sredinu i to diskontinuirano.
Ja mislim da su ti središnji spaceri upravo tamo radi ograničenja hoda membrane na niskim tonovima, i kao što Elvis reče, skraćuju membranu na tom srednjem dijelu radi bolje reprodukcije visokih.
I sve skupa u finalu čini vertikalni array s cilindričnim odzivom kao što Zmaj reče. (Iako dio te array/cilindrične priče ja vidim i u Elvisovoj izvedbi)

I na kraju ako sam u pravu što se tiče dužine membrane, koliko duboko to ide?
Avatar
Mate
 
Postovi: 1138
Pridružen/a: 12 svi 2011, 06:55
Lokacija: Prigradica

PrethodnaSljedeća

Natrag na Zvučnici

Na mreži

Trenutno korisnika/ca: / i 3 gostiju.

cron