Kao sto naslov kaze, zelim da vam predstavim jedan zanimljiv projekat. U pitanju je Singl Ended pojacalo u A klasi, uradjeno sa Germanijumskim tranzistorima.
Ovaj projekat je video svetlo danan najvise zahvalljujuci sstrsa-u, kao i drugim prijateljima sa DIYA-rs koji su nesebicno pomogli u realizaciji. Obzirom da sam pre pocetka ovog projekta bio potpuno nepismen po pitanju elektronike, ovo je za mene zivotni poduhvat

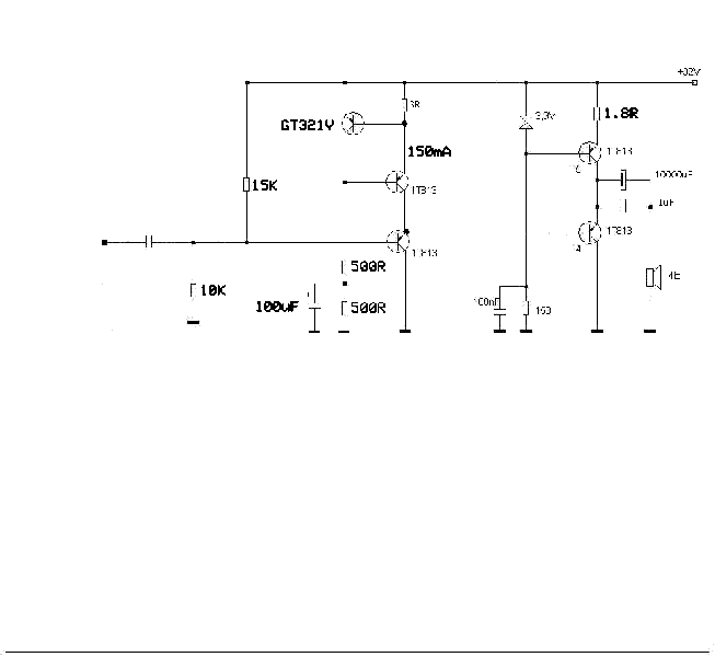
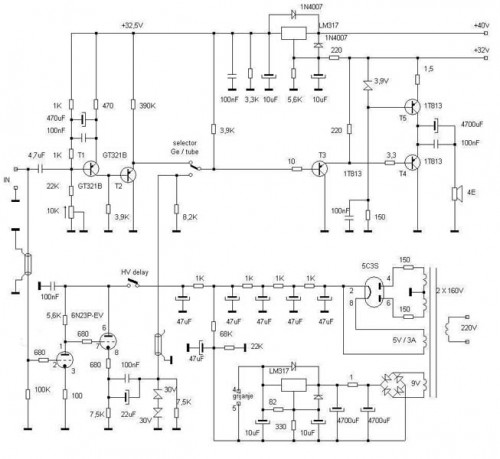
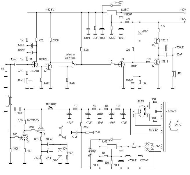
Izlazni Ge tranzistori koji su koristenu u shemi su Ruske proizvodnje iz 89godine, i koristeni su u vojnoj tehnici (radarskoj) u pitanju su GT813V (1T813B).
Pojacalo je nekoliko puta modifikovano i napravljeno u varijanti sa Ge ulaznim tranzistorima i sa cevniom pobudom. Poslednja varijata ima napajanje sa 32V i 2A mirne struje, snage oko 12W.
