DOGC-H

Ovdje možete objavljivati vaše radove

Re: DOGC-H

PostPostao/la 44250 » 11 vel 2012, 11:47

APEX NX16:zvučnici su loši i još se za bolje nisam snašao

http://www.youtube.com/watch?v=zj2DGC6Z ... e=youtu.be
Avatar
44250
 
Postovi: 181
Pridružen/a: 09 ruj 2011, 18:13
Lokacija: Ugrinovci-Zemun-Beograd

Re: DOGC-H

PostPostao/la 44250 » 11 vel 2012, 11:54

APEX G100,gitarsko pojačalo:
Privitak/ci
Slika045.jpg
konačno
Slika045.jpg (148.61 KiB) Pogledano 8772 put/a.
Slika044.jpg
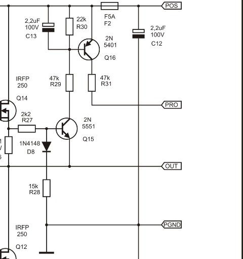
PROTECT dodatak NE555 zaštiti
Slika044.jpg (134.46 KiB) Pogledano 8772 put/a.
DSC01185.JPG
iznutrice:pojačalo,regulacija boje tona,predpojačalo,ispravljač
DSC01185.JPG (61.19 KiB) Pogledano 8772 put/a.
28012012010.jpg
od napred
28012012010.jpg (146.88 KiB) Pogledano 8772 put/a.
28012012009.jpg
otraga
28012012009.jpg (164.4 KiB) Pogledano 8772 put/a.
28012012008.jpg
trafo po grani napajanja
28012012008.jpg (164.68 KiB) Pogledano 8772 put/a.
28012012001.jpg
pred farbanje II
28012012001.jpg (135.2 KiB) Pogledano 8772 put/a.
28012012.jpg
pred farbanjeI
28012012.jpg (137.19 KiB) Pogledano 8772 put/a.
Avatar
44250
 
Postovi: 181
Pridružen/a: 09 ruj 2011, 18:13
Lokacija: Ugrinovci-Zemun-Beograd

Re: DOGC-H

PostPostao/la 44250 » 11 vel 2012, 12:18

Zaštita je NE555,ima zaštitu od preopterećenja,kratkog spoja,istosmjerne struje,pregrijavanja hladnjaka,odloženo uključenje zvučnika.
Privitak/ci
protect pločica 3D.JPG
protect pločica 3D
protect pločica 3D.JPG (20.53 KiB) Pogledano 8767 put/a.
protect dio.jpg
PROTECT šema
protect dio.jpg (33.06 KiB) Pogledano 8772 put/a.
APEX NE555 Protect Terminal.jpg
pločica + raspored
APEX NE555 Protect Terminal.jpg (73.23 KiB) Pogledano 8772 put/a.
ZECK MOSFET-BJT šema zaštite.JPG
zaštita je odavde
ZECK MOSFET-BJT šema zaštite.JPG (43.28 KiB) Pogledano 8772 put/a.
Slika047.jpg
sve u redu/svijetli led
Slika047.jpg (131.69 KiB) Pogledano 8772 put/a.
02022012027.jpg
NTC iz NE555 zaštite
02022012027.jpg (159.26 KiB) Pogledano 8772 put/a.
Avatar
44250
 
Postovi: 181
Pridružen/a: 09 ruj 2011, 18:13
Lokacija: Ugrinovci-Zemun-Beograd

Re: DOGC-H

PostPostao/la 44250 » 11 vel 2012, 12:27

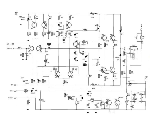
G100 šema i raspored;
Privitak/ci
APEX Guitar SCH.jpg
APEX Guitar SCH.jpg (73.99 KiB) Pogledano 8767 put/a.
APEX bas guitar pcb.jpg
APEX bas guitar pcb.jpg (70.77 KiB) Pogledano 8767 put/a.
APEX bas guitar mon.jpg
APEX bas guitar mon.jpg (62.44 KiB) Pogledano 8767 put/a.
Avatar
44250
 
Postovi: 181
Pridružen/a: 09 ruj 2011, 18:13
Lokacija: Ugrinovci-Zemun-Beograd

Re: DOGC-H

PostPostao/la 44250 » 20 vel 2012, 16:02

STUDIO-SE,Borivoje Jagodić
Privitak/ci
Slika083.jpg
pred farbanje
Slika083.jpg (139.7 KiB) Pogledano 8703 put/a.
Slika084.jpg
iznutra
Slika084.jpg (147.17 KiB) Pogledano 8703 put/a.
Slika085.jpg
iznutra
Slika085.jpg (152.05 KiB) Pogledano 8703 put/a.
Slika086.jpg
Slika086.jpg (118.05 KiB) Pogledano 8703 put/a.
Slika087.jpg
Slika087.jpg (131.53 KiB) Pogledano 8703 put/a.
Slika088.jpg
spreda
Slika088.jpg (115.82 KiB) Pogledano 8703 put/a.
Slika089.jpg
Slika089.jpg (119.26 KiB) Pogledano 8703 put/a.
Slika091.jpg
straga
Slika091.jpg (119.05 KiB) Pogledano 8703 put/a.
Avatar
44250
 
Postovi: 181
Pridružen/a: 09 ruj 2011, 18:13
Lokacija: Ugrinovci-Zemun-Beograd

Re: DOGC-H

PostPostao/la 44250 » 20 vel 2012, 16:07

i još dve,dok je bio u razradi...
Privitak/ci
DSC00750.JPG
pred generalnu probu :)
DSC00750.JPG (78.78 KiB) Pogledano 8700 put/a.
DSC00785.JPG
generalna proba od sedam mjeseci :)
DSC00785.JPG (73.53 KiB) Pogledano 8700 put/a.
Avatar
44250
 
Postovi: 181
Pridružen/a: 09 ruj 2011, 18:13
Lokacija: Ugrinovci-Zemun-Beograd

Re: DOGC-H

PostPostao/la 44250 » 17 ožu 2012, 22:18

Privitak/ci
Slika139.jpg
Slika139.jpg (90.24 KiB) Pogledano 8636 put/a.
Slika138.jpg
Slika138.jpg (87.63 KiB) Pogledano 8636 put/a.
Slika137.jpg
Slika137.jpg (91.93 KiB) Pogledano 8636 put/a.
DSC01334.JPG
DSC01334.JPG (31.61 KiB) Pogledano 8636 put/a.
DSC01333.JPG
DSC01333.JPG (30.8 KiB) Pogledano 8636 put/a.
DSC01332.JPG
DSC01332.JPG (31.6 KiB) Pogledano 8636 put/a.
Avatar
44250
 
Postovi: 181
Pridružen/a: 09 ruj 2011, 18:13
Lokacija: Ugrinovci-Zemun-Beograd

Re: DOGC-H

PostPostao/la 44250 » 17 ožu 2012, 22:30

Michael Bittner,SymAsym:
(imao stare hladnjake...)

http://web.telecom.cz/macura/symasym.html
Privitak/ci
Copy of DSC01320.JPG
Copy of DSC01320.JPG (33.75 KiB) Pogledano 8632 put/a.
Slika158.jpg
Slika158.jpg (98.58 KiB) Pogledano 8633 put/a.
Slika156.jpg
Slika156.jpg (107.71 KiB) Pogledano 8633 put/a.
Slika154.jpg
Slika154.jpg (102.36 KiB) Pogledano 8633 put/a.
Slika153.jpg
Slika153.jpg (101.83 KiB) Pogledano 8633 put/a.
Slika140.jpg
Slika140.jpg (72.71 KiB) Pogledano 8633 put/a.
Avatar
44250
 
Postovi: 181
Pridružen/a: 09 ruj 2011, 18:13
Lokacija: Ugrinovci-Zemun-Beograd

Re: DOGC-H

PostPostao/la Khadgar2007 » 19 ožu 2012, 10:53

Dobro ti to izgleda,lijepa limarija. Kako ti to na kraju zvuči? :D
"Nakon prve čaše vidite stvari onakvim, kakve bi vi htjeli da budu. Nakon druge vidite ih onakvim, kakve nisu. Na kraju ih vidite onakvim, kakve zaista jesu, što je najgora stvar na svijetu."
Avatar
Khadgar2007
 
Postovi: 2488
Pridružen/a: 05 svi 2011, 16:44
Lokacija: Sisak

Re: DOGC-H

PostPostao/la 44250 » 20 ožu 2012, 17:56

Na mojim zvučnim kutijama ne može da se čuje puno toga,skroz su "na vrat-na nos" urađene,ali sva ova pojačala jako lijepo rade,imaju snage i ne gube na čistoći visokih tonova ni pri punom gasu. DOGC-mk3 zahtjeva snažniji transformator,ostavljeno je mjesta za nekog torusa od 400-tinjak VA kad-ako se nađe "vremena"(novca) za tu prepravku. Normalno,90% vremena sve ovo slušam na svega par W snage pa i nema zapravo neke prevelike potrebe za velikim snagama transformatora. Za sad sam mišljenja da će svako iole ozbiljnije pojačalo dati pristojan zvuk ili i više od toga ako mu je dato pristojno napajanje(snažan trafo/kondenzatori iza greca) ,tek u tim uslovima pojačalo može da "sine u punom sjaju",kad se budu stekli uslovi za neke pristojne kutije moći će se reći i riječ-dve više. Generalno po mojim shvatanjima,sva ova pojačala daleko opravdavaju uložen trud i novac.
Avatar
44250
 
Postovi: 181
Pridružen/a: 09 ruj 2011, 18:13
Lokacija: Ugrinovci-Zemun-Beograd

PrethodnaSljedeća

Natrag na Vaši radovi

Na mreži

Trenutno korisnika/ca: / i 3 gostiju.