DOGC-H

Ovdje možete objavljivati vaše radove

Re: DOGC-H

PostPostao/la Edison » 12 lis 2012, 23:08

Khadgar2007 je napisao/la:Ali sada se malo mučim sa jednim phono pojačalom koje moram skutijati za dva tjedna i upicaniti ga za DIY sobu koju smo dobili na hi-fi sajmu u Zagrebu.


Koja je tu muka? Ako je pretpojacalo za MM zvucnicu, i radis s onim kockicama s 8 nozica, to sastavis za jedno popodne na busenoj plocici. Nabijes mu dvije baterija od 9V i... vozi Misko... ;)
Čovječe pazi da ne ideš malen ispod zvijezda!
Avatar
Edison
 
Postovi: 1180
Pridružen/a: 04 svi 2011, 21:32
Lokacija: Rijeka

Re: DOGC-H

PostPostao/la Khadgar2007 » 12 lis 2012, 23:34

Ma nije muka da li će raditi,sve je složeno na pločici i stoji u ormaru cirka 7-8 godina,testirao sam gramofon sa njime. Sada ga samo trebam skutijati a ne mogu doći do majstora/susjeda koji će mi izrezati dašćice za kutiju,ovaj tjedan i prošli sam imao nekog posla pa nisam našao vremena.
"Nakon prve čaše vidite stvari onakvim, kakve bi vi htjeli da budu. Nakon druge vidite ih onakvim, kakve nisu. Na kraju ih vidite onakvim, kakve zaista jesu, što je najgora stvar na svijetu."
Avatar
Khadgar2007
 
Postovi: 2488
Pridružen/a: 05 svi 2011, 16:44
Lokacija: Sisak

Re: DOGC-H

PostPostao/la 44250 » 14 lis 2012, 20:26

44250 je napisao/la:ZEN pojačalo za slušalice,tu će sve biti po predloženom osim pločica pojačala. Njih sam ja crtao da bi bolje leglo uz onoliko puta slikani hladnjak... :)

slika

slika

slika

slika

slika

slika

slika

Šteta što nemam bolji fotoaparat pri ruci,baš mi je dobro ispao toner-transfer rasporeda elemenata...


Malo kao da kaska sa visokim tonovima ali dobro to nadoknađuje prostorom. Vidjeću još kako će biti kad postavim odgovarajući ulazni kondenzator,pošto nisam imao pri ruci 4,7uF postavio sam privremeno 1uF. Podesio mirnu struju na 200mA,simetrija je u mV ista na 1kHz na oba kanala. Povezao baš kako je autor to predvidjeo i nemam ni trunke bruma ni smetnji niodakle. O tome se na diyaudio.com ponajviše polemisalo (brum) pa sam iz predostrožnosti malo pretjerao sa kapacitetima:na pločici napajanja su po dva 4700uF(predviđen jedan) za svaki kanal a na pločici pojačala jedan od 3300uF(predviđeno 2200uF). To bi bilo to:

slika

slika

slika
Avatar
44250
 
Postovi: 181
Pridružen/a: 09 ruj 2011, 18:13
Lokacija: Ugrinovci-Zemun-Beograd

Re: DOGC-H

PostPostao/la Edison » 14 lis 2012, 20:36

44250 je napisao/la: Malo kao da kaska sa visokim tonovima ali dobro to nadoknađuje prostorom. Vidjeću još kako će biti kad postavim odgovarajući ulazni kondenzator,pošto nisam imao pri ruci 4,7uF postavio sam privremeno 1uF. Podesio mirnu struju na 200mA,simetrija je u mV ista na 1kHz na oba kanala. Povezao baš kako je autor to predvidjeo i nemam ni trunke bruma ni smetnji niodakle. O tome se na diyaudio.com ponajviše polemisalo (brum) pa sam iz predostrožnosti malo pretjerao sa kapacitetima:na pločici napajanja su po dva 4700uF(predviđen jedan) za svaki kanal a na pločici pojačala jedan od 3300uF(predviđeno 2200uF).


44250, koliki ti je potenciometar na ulazu?
Ako nemas kondenzator od 4u7, bit ce dobar i od 3u3, takav je kod mene. Ja sam svog napravio s reguliranim ispravljacem, dual mono: dva trafoa, dva regulirana ispravljaca, dvije plocice... Kad vrijeme malo dopusti, probat cu ga i s nereguliranim napajanjem...
Čovječe pazi da ne ideš malen ispod zvijezda!
Avatar
Edison
 
Postovi: 1180
Pridružen/a: 04 svi 2011, 21:32
Lokacija: Rijeka

Re: DOGC-H

PostPostao/la 44250 » 14 lis 2012, 22:17

Nema nikakav pot na ulazu,nema ga ni jedno moje pojacalo jer sve slusam preko clepsidre koja na svom ulazu ima potenciometar za glasnocu. Vidjecu sutra nakon posla da uzmem dve wima-e 4u7 pa da to bude to. Dual mono napajanje jos nigdje nemam...
Avatar
44250
 
Postovi: 181
Pridružen/a: 09 ruj 2011, 18:13
Lokacija: Ugrinovci-Zemun-Beograd

Re: DOGC-H

PostPostao/la 44250 » 15 lis 2012, 09:33

sinoc je umro frontmen grupe KUD Idijoti,Branko Crnac-Tusta. neka pociva u miru...

Avatar
44250
 
Postovi: 181
Pridružen/a: 09 ruj 2011, 18:13
Lokacija: Ugrinovci-Zemun-Beograd

Re: DOGC-H

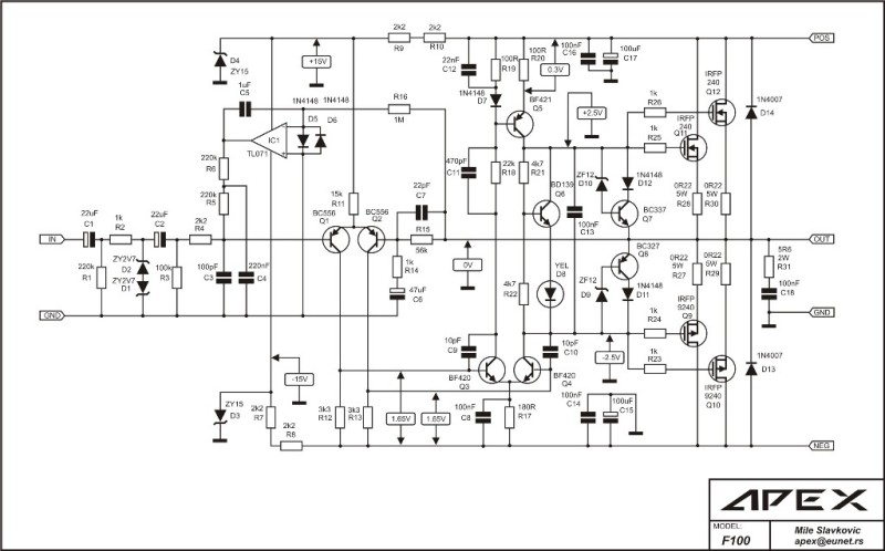
PostPostao/la 44250 » 24 vel 2013, 00:55

APEX F100 120W 8R 200+W 4R,rađen sa smps napajanjem:

slika

slika

slika

slika

slika

slika

slika
Zadnja izmjena: 44250; 24 vel 2013, 01:19; ukupno mijenjano 2 put/a.
Avatar
44250
 
Postovi: 181
Pridružen/a: 09 ruj 2011, 18:13
Lokacija: Ugrinovci-Zemun-Beograd

Re: DOGC-H

PostPostao/la 44250 » 24 vel 2013, 01:08

Fajlovi:

APEX F100sch sa naponima.jpg
APEX F100sch sa naponima.jpg (77.75 KiB) Pogledano 11038 put/a.


Harisson F100 PCB size 85x77,5mm.jpg
Harisson F100 PCB size 85x77,5mm.jpg (84.83 KiB) Pogledano 11038 put/a.




http://www.diyaudio.com/forums/solid-st ... ost3370679

Ako neko slučajno zatreba fajlove u boljoj rezoluciji neka se javi preko privatne poruke,dobiće sve što imam.
Avatar
44250
 
Postovi: 181
Pridružen/a: 09 ruj 2011, 18:13
Lokacija: Ugrinovci-Zemun-Beograd

Re: DOGC-H

PostPostao/la sonny » 24 vel 2013, 11:24

Ne vidjeh nigdje shemu smps-a...
Zainteresiran sam za istu, pa ako nije problem, stavi tu, ili pošalji preko PPa...

Hvala unaprijed !
A nekad je ovdje bilo dobro.......... Šteta.......
sonny
 
Postovi: 1203
Pridružen/a: 20 kol 2011, 18:36

Re: DOGC-H

PostPostao/la 44250 » 24 vel 2013, 11:49

nije problem, bolje je poslati link ili na e-mail jer se mnogo gubi na kvalitetu fajlova kad se kompresuju. link ka svim dosadašnjim impresijama i fajlovima za smps je na http://www.elitesecurity.org/t461620-APEX-Wsmps-APEX-HV-kWsmps ,nadam se da se urednici neće ljutiti a ako je protiv volje neka obrišu,javiću zainteresovanima na privatne poruke.

sa ovako nezgotovljenim i sa nižom vrijednosti ulaznog BULK kondenzatora dobijeni rezultati pri opterećenju su ovi:

predviđeno opterećenje smps-a:300W napon mreže:235Vac, frekvencija prekidanja 80kHz

107V / 0,25A / 26,75W
105,6V / 0,47A / 49,63W
105,6V / 0,62A / 65,47W
104,9V / 0,81A / 84,97W
104V / 1,88A / 195,52W
103V / 2,75A / 283,25W
102,8V / 2,85A / 292,98W
102,5V / 3A / 307,5W
100V / 4,1A 410W

zamjenom tog bulk sa dosadašnjih polovnih 420uF400V na novih 470uF400V ,bolje urađenom izlaznom prigušnicom i igranjem oko frekvencije prekidanja mogli bi se dobiti još bolji rezultati. oko toga ću se zanimati narednih dana,sad trenutno slušam ovako kako jeste,i opterećujem u kućnim uslovima do 10W po kanalu.
Avatar
44250
 
Postovi: 181
Pridružen/a: 09 ruj 2011, 18:13
Lokacija: Ugrinovci-Zemun-Beograd

Prethodna

Natrag na Vaši radovi

Na mreži

Trenutno korisnika/ca: / i 4 gostiju.