Elektor 3 mjesec 1985

Elektor 3 mjesec 1985

PostPostao/la vksamael » 25 ožu 2013, 20:29

Dali netko možda ima trebai bih shemu axl ampa iz elektora s 2sj49/2sk134 hitachi mosfetima.
Hvala
Tko se mača lača, lakokarača!
Avatar
vksamael
 
Postovi: 78
Pridružen/a: 04 srp 2011, 22:55
Lokacija: Osijek

Re: Elektor 3 mjesec 1985

PostPostao/la audio kutak » 25 ožu 2013, 20:56

vksamael je napisao/la:Dali netko možda ima trebai bih shemu axl ampa iz elektora s 2sj49/2sk134 hitachi mosfetima.
Hvala


nije to Crescendo ili mini Crescendo?
Jedan trenutak sreće vrijedi tisuću godina slave
Avatar
audio kutak
 
Postovi: 1118
Pridružen/a: 21 tra 2012, 21:18
Lokacija: VG

Re: Elektor 3 mjesec 1985

PostPostao/la Khadgar2007 » 25 ožu 2013, 21:33

E sada me ubi ali meni se nekako čini da je to pojačalo imao Apparatus sa audiofil.neta u svojim aktivama. Ako nisi tamo prijavljen mogu ga pitati.
"Nakon prve čaše vidite stvari onakvim, kakve bi vi htjeli da budu. Nakon druge vidite ih onakvim, kakve nisu. Na kraju ih vidite onakvim, kakve zaista jesu, što je najgora stvar na svijetu."
Avatar
Khadgar2007
 
Postovi: 2488
Pridružen/a: 05 svi 2011, 16:44
Lokacija: Sisak

Re: Elektor 3 mjesec 1985

PostPostao/la Gosha » 25 ožu 2013, 22:40

Imam ja taj clanak ali na francuskom. Ne mogu da ga posrtavim ovde prevelik je (1.4 M). Mogu da ti pustim na mail.
Gosha
 
Postovi: 40
Pridružen/a: 14 svi 2012, 08:10
Lokacija: Nis Srbija

Re: Elektor 3 mjesec 1985

PostPostao/la zmajz » 26 ožu 2013, 20:13

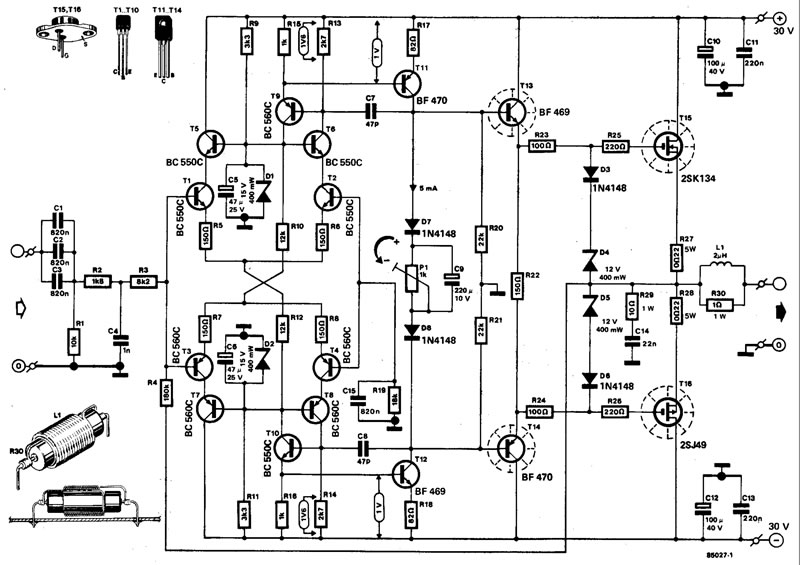
AXL.jpg
AXL.jpg (102.33 KiB) Pogledano 6182 put/a.
zmajz
 
Postovi: 531
Pridružen/a: 05 svi 2011, 16:52
Lokacija: zagreb

Re: Elektor 3 mjesec 1985

PostPostao/la ilimzn » 27 ožu 2013, 03:06

Ovo pojacalo ima nekoliko vrlo zacudjujucih rijesenja, pogotovo sto je osnova vrlo dobro razradjena...
1) Izlaz iz diferencijalnih ulaznih stupnjeva je uzet s neinvertirajuce strane radi cega povratna veza ide na ulaznu stranu, sto teoretski smanjuje izoblicenja ali isto tako i ulaznu impedanciju.
2) 0.22 ohma u sorucre-ovima je upotno, istina daje mjesto za mjerenje struje mirovanja ali povecava vec dosta veliku izlaznu impedanciju izlaznog stupnja radi cega vise posla ostaje povratnoj vezi...
3) Lateralni MOSFET-i zahtijevaju prilicno visok Vgs za 'punu pobudu', cca 1V po amperu izlazne struje. To znaci da je gubitak napona u odnosu na teoretski maksimum (napon napajanja) u ovom pojacalu prilicno velik, tj. izlazna je snaga relativno manja nego sto bi naponnapajanja dao naslutiti. Stvar dodatno pogorsavaju 0.22 ohma u sourceovima (jos 1V gubitka), i driveri (jos cca 2V gubitka). Ukupno od +-30V se moze u 8 ohma ocekivati cca +-23V na izlazu. Doduse, postoji i prednost - napon Vgd ne pada na niske vrijednosti tako da MOSFET-i ne ulaze u podrucje velike nelinearnosti ulaznog kapaciteta.

Sklop jeinace prilicno logican i pametno odradjen pa ovakvi detalji (iako nisu nista strasno) malo cude. Ja bih osobno smanjio ili cak posve izbacio otpore u source-ima, iako treba reci da postoji blaga asimetrija medju P i N kanalnim MOSFET-om koja se moze korigirati asimetricnim vrijednostima otpora. Neki eksperimenti pokazuju da je zapravo potreban otpor reda 0.1 ohm samo u source-u N-kanalnog MOSFET-a, no vrlo je vjerojatno da u opcem slucaju, bez da se upare MOSFET-i, takva orekcija nece doci do izrazaja, i da ce (iako uz gubitke) mozda bole raditi ovako kako je nacrtano.
Jos jedna mala napomena... koristiti niskoshumne zener diode na mjestima D1 i D2!
ilimzn
Iron Man
 
Postovi: 979
Pridružen/a: 05 svi 2011, 13:39

Re: Elektor 3 mjesec 1985

PostPostao/la audio kutak » 27 ožu 2013, 14:57

ilimzn je napisao/la:Jos jedna mala napomena... koristiti niskoshumne zener diode na mjestima D1 i D2!


koje su to diode? neke specijalne ili obične koje se nađu u čipoteci?
Jedan trenutak sreće vrijedi tisuću godina slave
Avatar
audio kutak
 
Postovi: 1118
Pridružen/a: 21 tra 2012, 21:18
Lokacija: VG

Re: Elektor 3 mjesec 1985

PostPostao/la vksamael » 27 ožu 2013, 22:49

Samo da napisem nije cresendo ni mini ni axl nego mi je čovjek nicka SRK na diyaudio.com rekao da je amp koji trazim ETI5000 model 477 .
Hvala svima
Tko se mača lača, lakokarača!
Avatar
vksamael
 
Postovi: 78
Pridružen/a: 04 srp 2011, 22:55
Lokacija: Osijek


Natrag na U potrazi sam za...

Na mreži

Trenutno korisnika/ca: / i 2 gostiju.