PLC kontrolirani tube tester-curve tracer

Stalci, kabeli, podloge...

Re: PLC kontrolirani tube tester-curve tracer

PostPostao/la elvis » 13 ruj 2015, 23:01

U HR su se cijevni projekti manje ili više de se netko ne uvrijedi sveli na drkalice od 3,2W, vrlo je malo cijevnih projekata vrijedno pažnje. Ovo će biti kapitalan projekt koji će se sa pažnjom pratiti, i to ne samo od od članova ovog foruma, usudio bi se reći da će projekt biti zanimljiv diyerima iz čitave regije. Ja se nadam da ćeš nastojati biti što informativniji i potpuno transparentan u tijeku čitavog projekta. Sa pažnjom pratim svaki korak.

Imam već neke manje primjedbe, no sada moram na spavanje, umor me savladao ... no napišem ih sutra :)

Respect !
Avatar
elvis
 
Postovi: 1484
Pridružen/a: 04 svi 2011, 14:38

Re: PLC kontrolirani tube tester-curve tracer

PostPostao/la bepone » 14 ruj 2015, 19:19

he he a bas se mislio sta cu na engleski ili "po nase"! i teska srca se odlucio na engleski! :lol:
bilo je i zatuk i resetiraj i dosta za danas (alarm)
ali na kraju je ovo prevagnulo!

trenutacno rjesavan paljenje cijelog sklopa preko raznoraznih kontaktora , nezavisni 230V emergency loop koji mora iskljucit sklop i ispraznit DC-link u slucaju greske, momentalno preko drugih kontaktora, neovisno o mjernjima i karticama ali isto i na dogadjaj koji dolazi iz softvera,

krizaljka se popunjava sa zadanim okvirima i semama a vidjet cu u toku kako jos rjesiti pojedine detalje..
ispravljac za svaki dio je poseban i ima svoj trafo/napajanje. visokonaponski dio ide preko analognog outputa na serijski regulator kojeg cine lampe i IGBT-i ..
sve struje i naponi se mjere instrumentalnim OP-ovima i scaliraju na +-10V max za analogni input,

evo jedna zanimljivost, moci ce se testirati lampe i crtati krivulje u A2 podrucju do +150V ako zatreba 8-)
s donje strane bias je zamisljen od -150V!
bepone
 
Postovi: 706
Pridružen/a: 06 svi 2011, 08:51

Re: PLC kontrolirani tube tester-curve tracer

PostPostao/la bepone » 14 ruj 2015, 19:50

prvi tir aplikacije koja je povezana sa softveron, preliminarna skica ,
Ua acceleration je ubrzanje Ua , tj zeli li se prikupiti vise ili manje tocaka pojedine krivulje (mjeri brzo - velika snaga, opterecenje pass elementa) ili sporo (nema problema s vise podataka
HMI (Custom).png
HMI (Custom).png (72.37 KiB) Pogledano 16734 put/a.
bepone
 
Postovi: 706
Pridružen/a: 06 svi 2011, 08:51

Re: PLC kontrolirani tube tester-curve tracer

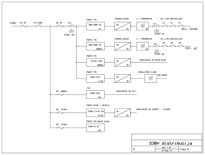
PostPostao/la bepone » 31 pro 2015, 13:05

evo naslo se nesto vremena za update projekta...napajanje 230V i distribucija, pojednostavljeni 1-line dijagram
A TEST PULT sema (Custom).jpg
A TEST PULT sema (Custom).jpg (66.24 KiB) Pogledano 16233 put/a.
bepone
 
Postovi: 706
Pridružen/a: 06 svi 2011, 08:51

Re: PLC kontrolirani tube tester-curve tracer

PostPostao/la bepone » 31 pro 2015, 13:23

DSCF7952 (Custom).JPG
DSCF7952 (Custom).JPG (92.86 KiB) Pogledano 16146 put/a.

glavni trafo se odlusio namotati na nekoj staroj c jezgri CU90B.. malo overkill ali se lako slaze, i dopunjava jezgra sa drugim anponima ako bude zatrebalo.. grijanje, anoda i g2, te bias
bepone
 
Postovi: 706
Pridružen/a: 06 svi 2011, 08:51

Re: PLC kontrolirani tube tester-curve tracer

PostPostao/la bepone » 31 pro 2015, 13:30

trafo sam radio pomalo, zalivao lakom svaki sloj, ne bi smio zujati na kraju
DSCF7953 (Custom).JPG
DSCF7953 (Custom).JPG (109 KiB) Pogledano 16142 put/a.
bepone
 
Postovi: 706
Pridružen/a: 06 svi 2011, 08:51

Re: PLC kontrolirani tube tester-curve tracer

PostPostao/la bepone » 06 sij 2016, 22:44

gotov trafo umakan i zalivan u lak..
DSCF8020 (Custom).JPG
DSCF8020 (Custom).JPG (87.18 KiB) Pogledano 15801 put/a.
bepone
 
Postovi: 706
Pridružen/a: 06 svi 2011, 08:51

Re: PLC kontrolirani tube tester-curve tracer

PostPostao/la bepone » 06 sij 2016, 23:13

nakon izrade nosaca od al profila, turret boarda za prihvat zica, instalacije prespana pod lim za bolje "trenje" i zahvat, trafo je montiran na nosivi lim ..
bas i ne izgleda kao neki komercijalni :lol:
DSCF80431_cr (Custom).jpg
DSCF80431_cr (Custom).jpg (106.44 KiB) Pogledano 15799 put/a.
bepone
 
Postovi: 706
Pridružen/a: 06 svi 2011, 08:51

Re: PLC kontrolirani tube tester-curve tracer

PostPostao/la bepone » 06 sij 2016, 23:29

instalacija bartavela za prednji panel, za lakse servisiranje!
P_20160106_123754 (Custom).jpg
P_20160106_123754 (Custom).jpg (99.1 KiB) Pogledano 15798 put/a.
bepone
 
Postovi: 706
Pridružen/a: 06 svi 2011, 08:51

Re: PLC kontrolirani tube tester-curve tracer

PostPostao/la bepone » 06 sij 2016, 23:42

popunjavanje prednjeg panela je kompletirano, s lijeve strane glavni prekidaci, na sredini podnozja i konektori, s desne strane upravkljanje i brza kontrola statusa lampe preko ledica..
DSCF8031 (Custom).JPG
DSCF8031 (Custom).JPG (106.6 KiB) Pogledano 15786 put/a.
bepone
 
Postovi: 706
Pridružen/a: 06 svi 2011, 08:51

PrethodnaSljedeća

Natrag na Pomagala

Na mreži

Trenutno korisnika/ca: Google Adsense [Bot] i 1 gost.