Stalci, kabeli, podloge...
Postao/la Eko Eko » 20 lis 2011, 12:08
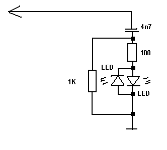
Sa drugog foruma prenosim shemu jednostavnog pomagala koje može detektirati nazočnost oscilacija na izlazu pojačala.
- Privitak/ci
-

- oscillation-detector.gif (2.46 KiB) Pogledano 3016 put/a.
-
Eko Eko
-
- Postovi: 85
- Pridružen/a: 07 svi 2011, 13:04
Natrag na Pomagala
Na mreži
Trenutno korisnika/ca: / i 1 gost.