AKAI AA-920 Stereo // Pomoc

AKAI AA-920 Stereo // Pomoc

PostPostao/la tcalic » 12 ožu 2017, 10:16

Pozdrav ekipa.

Slažem jedan, meni prekrasan, Akai AA-920 i imam problema sa radom stereo lampice, a koja kada se upali kod FM stereo prijema, svijetli jako slabo... jedva da se primijeti.
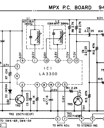
Na MPX ploči je IC Sanyo LA3300 za kojega tražim više informacija.
Može li mi netko pomoći sa više informacija o tom IC-u ili gdje bih mogao naći njegovu shemu ?
Sve što sam našao su datasheet-ovi pisani na japanskom/kineskom... nisu mi od koristi :).

Trenutno stanje je da na PIN-8 i PIN-14 (koji pale stareo lampicu) imam napone:
- 1,4 V kada je upaljena
- 0,4 V kada je ugašena
Po shemi MXP ploče u servisnom manualu, napon mora biti 0,2 V.
Dodatno, PIN-11 i PIN-12 imaju napon od 5V, a treba biti 7V.

Hvala,

LA3300.png
LA3300.png (63.21 KiB) Pogledano 9262 put/a.
tcalic
 
Postovi: 14
Pridružen/a: 16 vel 2016, 21:30


Re: AKAI AA-920 Stereo // Pomoc

PostPostao/la tcalic » 12 ožu 2017, 20:39

Zez je napisao/la:http://www.google.hr/url?q=http://www.weisd.com/test/GenericParts_WEISD_view.php%3Feditid1%3DLA-3300&sa=U&ved=0ahUKEwiG2663ytHSAhXHUhQKHYuKDcEQFgglMAc&usg=AFQjCNGEPk8aWTsRxIZqRIVbsjzIO2gBRw

https://www.digchip.com/datasheets/part ... LA3330.php



Hvala Zez,

Iako tako pise, NTE1005 nije bas pravi ekvivalent za LA3300.
NTE1005 na PIN-6 ima Stereo Indicator, a LA3300 PIN-6 NC.

Ovaj drugi kinesko/japanski je LA3330, nije skroz isti kao LA3300.

TNX,
tcalic
 
Postovi: 14
Pridružen/a: 16 vel 2016, 21:30

Re: AKAI AA-920 Stereo // Pomoc

PostPostao/la Zez » 13 ožu 2017, 02:42

Hm, da . Bio sam malo brzoplet i nisam dobro gledao. Jedino što sam još našao je ovo:

http://www.datasheet4u.com/pdf/LA3301-pdf/808672

Ovdje:

http://www.radiomuseum.org/tubes/tube_la3300.html

kaže da su međusobno zamjenjivi, uz neznatne razlike.
Zez
 
Postovi: 2
Pridružen/a: 12 lip 2014, 23:53


Natrag na Analogni izvori zvuka

Na mreži

Trenutno korisnika/ca: / i 1 gost.

cron