zastita za zvucnike Velleman K4700

zastita za zvucnike Velleman K4700

PostPostao/la yoke » 10 srp 2012, 14:00

Dobro...
kako se spaja ovaj kit ako zelim s jednom tiskanom stiti dva odvojena kanala...visoke i srednje ?

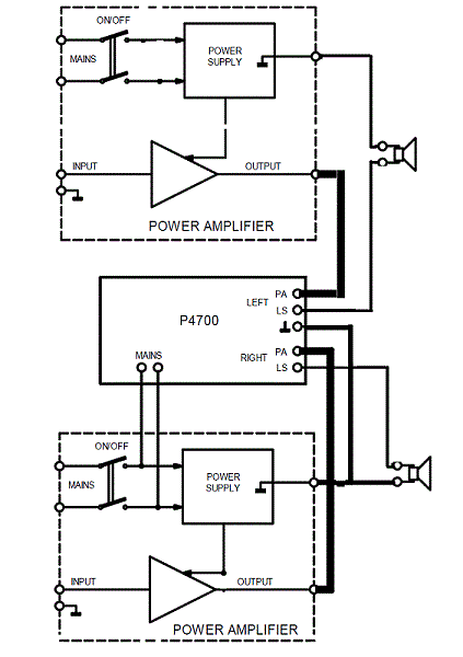
ovdje je shema konekcije po velleman-u

slika

Štos je sto ja imam dva pojacala (za srednje i visoke/Aleph30 i Aleph Mini) u jednom kucistu, ali oni su potpuno odvojeni...
nemaju zajednicko napajanje pa ni masu...ako se ne varam...ali ne, ne maju zajednicku masu...ni na kucistu...

kako sad ovo spojiti a da radi ;)

slika 5, pretpostavlja da je masa zajednicka...

dali masa uopce mora biti spojena...vjerojatno da ;)

sta bi onda trebao...staviti thermistor (ako se ne varam) izmedju mase pojacala visokotonca/staviti thermistor izmedju mase srednjih, te ih u jednoj točci spojiti na kuciste, pa onda od tud izvuci masu na kit od vellmana ?


normalno...zasto jednostavno ako moze komplicirano :twisted:
Avatar
yoke
 
Postovi: 358
Pridružen/a: 07 svi 2011, 11:20

Re: zastita za zvucnike Velleman K4700

PostPostao/la Gilhooley » 10 srp 2012, 15:49

Isti problem sam imao i ja kad sam imao dva odvojena trafoa i odvojena napajanja, a htio sam jedan Velleman.

Tada nisam riješio problem, možda bih (nadam se da mi neće zamjeriti) - Ilimzn pomagao oko toga, ali odustao sam od koncepta.

Svaki naredni put kad sam imao odvojene mase - imao sam 2 Vellemana. Šit - al tako je. Znam da je trošak i da se možda može riješit, ali ja stavih 2 komada.

Gil
Haba, haba, haba...
Avatar
Gilhooley
 
Postovi: 173
Pridružen/a: 10 srp 2011, 22:11
Lokacija: Zagreb

Re: zastita za zvucnike Velleman K4700

PostPostao/la pinco » 10 srp 2012, 16:20

yoke je napisao/la:Dobro...
kako se spaja ovaj kit ako zelim s jednom tiskanom stiti dva odvojena kanala...visoke i srednje ?

ovdje je shema konekcije po velleman-u

slika

Štos je sto ja imam dva pojacala (za srednje i visoke/Aleph30 i Aleph Mini) u jednom kucistu, ali oni su potpuno odvojeni...
nemaju zajednicko napajanje pa ni masu...ako se ne varam...ali ne, ne maju zajednicku masu...ni na kucistu...

kako sad ovo spojiti a da radi ;)

slika 5, pretpostavlja da je masa zajednicka...

dali masa uopce mora biti spojena...vjerojatno da ;)

sta bi onda trebao...staviti thermistor (ako se ne varam) izmedju mase pojacala visokotonca/staviti thermistor izmedju mase srednjih, te ih u jednoj točci spojiti na kuciste, pa onda od tud izvuci masu na kit od vellmana ?


normalno...zasto jednostavno ako moze komplicirano :twisted:


Al si prokuva na ovoj vrućini kad si se vratija to radit :lol:
Ionako ćeš možda morat na kraju spojit sve mase zajedno na kučište u jednu točku jel je sve ista kutija, baren prema mome iskustvu, bez obzira šta je sve odvojeno....
Ako oćeš sve odvojit uradi zaštite sa uPC1237 pa kombiniraj kako te volja....
pinco
 
Postovi: 210
Pridružen/a: 09 svi 2011, 09:59

Re: zastita za zvucnike Velleman K4700

PostPostao/la yoke » 10 srp 2012, 16:49

Mislim da ce se ipak nesto skombinirati ;)
Jer mi se ne da davati jos 300kn ;)

@pinco
Da prokuhao ;)
Ali nedovoljno...zelim jos malo dignuti temperaturu prostorije ;)
Inace sve radi...nema bruma ni sl...na nacin kako je sad spojeno...i da sve je u kutiji...pospajano...zavidano..samo kablove utakavam ;)...

Da..brum...bar ga ja nisam cuo...ali dovraga...vec sam i ja ostario tako da ni sluh nije vise kao u sismisa :)

Samo eto...treba ovu zastitu instalirati jer mi se ne unistavaju visokotonci ;)
Avatar
yoke
 
Postovi: 358
Pridružen/a: 07 svi 2011, 11:20

Re: zastita za zvucnike Velleman K4700

PostPostao/la yoke » 10 srp 2012, 21:28

Nitko nema nikakav prijedlog ?
Avatar
yoke
 
Postovi: 358
Pridružen/a: 07 svi 2011, 11:20

Re: zastita za zvucnike Velleman K4700

PostPostao/la zocky » 10 srp 2012, 22:24

Pozdrav svima na forumu!
Ovo je moj prvi post ovde, da se ne bih posebno predstavljao, znate me sa "Audiofil.net" foruma a u poslednjih par godina sam aktivan samo na diyaudio.rs, svuda sa istim nickom.

@yoke

Priključi izvor signala na tu aktivu u koju hoćeš da ubaciš Vellema-a (bez uključivanja uređaja) i izmeri kolika je otpornost između masa kanala koje hoćeš da štitiš.
Očekujem da će otpornost biti vrlo mala jer Alephi nemaju otpornik između Sgnd i Pgnd a u izvoru signala je verovatno zajednička masa za sve signale (makar koristio preamp sa takođe odvojenim masama), to će se preneti do izlaznih kanala.
Pošto je Velleman-u masa iz ampa potrebna samo za referencu, odaberi jednu masu sa bilo kog izlaznog ampa i prikači samo nju, ostale vodove spoji kako je dato u manualu. Time ćeš izbeći eventualnu petlju u masi a DCZ će imati sve što joj treba da ispravno funkcioniše.
Nije loše da posle kompletnog povezivanja zaštite uključiš sistem ali bez zvučnika i probaš baterijom od 1,5V da "okineš" DC zaštitu, spojićeš je na izlaznim terminalima ampova, redom na svakom od njih, sa tim naponom bi zaštita morala uvek da se aktivira.

Sve ovo pada u vodu ako u celom sistemu nigde ne postoji zajednička masa. U tom slučaju ćeš morati negde da spojiš mase ( što ne bi trebalo da stvori bilo kakav problem jer će samo na tom mestu biti spojene) ili da sklopiš još jednog Velleman-a.

Nadam se da će ti ovo pomoći u rešavanju "problema" ...
Avatar
zocky
 
Postovi: 5
Pridružen/a: 11 svi 2011, 14:29

Re: zastita za zvucnike Velleman K4700

PostPostao/la yoke » 10 srp 2012, 22:30

Da...ako sam dobro skuzio...mada sam vec lagano umoran i spava mi se...
mislio sam kao "referentnu" masu korististiti masu ulaza...

Mislim da i tvoj post ide u tom smijeru ;)

Procitam jos jednom kad se naspavam ;)

Hvala zocky ;)
Avatar
yoke
 
Postovi: 358
Pridružen/a: 07 svi 2011, 11:20

Re: zastita za zvucnike Velleman K4700

PostPostao/la zocky » 10 srp 2012, 23:00

Na ovo sam mislio:

P4700 mod.gif
P4700 mod.gif (19.6 KiB) Pogledano 12401 put/a.
Avatar
zocky
 
Postovi: 5
Pridružen/a: 11 svi 2011, 14:29

Re: zastita za zvucnike Velleman K4700

PostPostao/la ilimzn » 11 srp 2012, 00:48

Koristenje bilo kakve mase kao zajednicke u sustavu gdje su sve mase i napajanja odvojeni, stvara zajednicku masu i istovremeno tako stvara potencijal za petlju u masi. Ako su u kucistu dva posve odvojena pojacala, bez zajednicke mase (na bilo koji nacin, to ukljucuje i spajanje preko uzemljenja), nema druge nego imati i dva odvojena zastitna sklopa, inace se uvijek moraju raditi pretpostavke o masama, koje ne moraju na kraju biti ispravne.
ilimzn
Iron Man
 
Postovi: 979
Pridružen/a: 05 svi 2011, 13:39

Re: zastita za zvucnike Velleman K4700

PostPostao/la yoke » 11 srp 2012, 08:20

@ zocky...da skuzio sam sto si htio reci, nakon sto sam jos jednom procitao post, hvala na slici i trudu ;)

Ja sam racunao koristiti masu ulaza...jer trenutno koristim recivere kao pretpojacala..a oni (bar mislim/tako obicno biva) imaju zajednicku masu za sve kanale..sumnjam da su ih razdvajali...
pa racunam, ako sad nema problema...
isprobat cu jedno i drugo
:mrgreen:

@ ilimzn ... hvala...
znaci, ova prica koju spominjemo zocky i ja...bi kao mogla raditi ali bi mogla dovesti i do problema ?
Porblem bi se manifestirao kao ''brum'' na zvucnicima ili sklop uopce nebi radio ?

Jer ako nebi radio, onda bi definitivno koristio sklop samo za zastitu visokotonca.
Avatar
yoke
 
Postovi: 358
Pridružen/a: 07 svi 2011, 11:20

Sljedeća

Natrag na Tranzistorska tehnika

Na mreži

Trenutno korisnika/ca: / i 1 gost.

cron