2SK170 - zasto ne i ovdi

2SK170 - zasto ne i ovdi

PostPostao/la sstrsat » 11 svi 2011, 19:25

Kako nam je poluvodicka sekcija foruma malo neaktivna, evo da otvorim jednu temu.

2SK170 fet je virujen vecini dobro poznat i hvaljen (ne bez razloga) po svojoj malosumnosti tako da obicno kad ga se spomene vecini odma pada na pamet MC ulaz. Ali kako danas vecina ljudi ipak koristi CDP zasto ne ukazat na njegovu upotribu u recimo non-os DACu?

Virovatno nisam prvi koji je dosal na ideju da se ta njegova izrazita malosumnost iskoristi u non-os DACu sa TDA1541 i time stavi sam TDA1541 u puno optimalniji rezim nego ca je u vecini konstrukcija. Kako je poznato, TDA1541 ima strujni izlaz koji ostvaruje 4mAp-p ali ne trpi velike otpornike u I/U konverziji tako da se u vecini konstrukcija trazi neki kompromis i opteretni otpornik se generalno uzima negdi izmedju 15 i 27 oma. To su jos uvik vridnosti di nima previse negativnih efekata a pri njima se ostvaruju izlazni signali od 60 do108mVp-p tako da pitanje "besumnosti" onoga ca je iza TDA1541 nije od toliko presudnog znacaja. I mada to nije najoptimalniji rezim za sam TDA1541, rezultati su dobri.

Ali kako je diy radoznalost uvik prisutna, zac ne isprobat i obrnuti put pa stavit TDA1541 cim blize optimalnom teretu (nula oma). Naravno, u praksi bas ne moze bit skroz nula oma jer bi inace prakticno neophodno bilo koristit opamp za I/U konverziju. A opamp nije bas najomiljenija komponenta pa bi virovatno vecina radije tu vidila nec diskretno. I to gotovo automatski vodi na pomisal o 2SK170 jer njegova malosumnost omogucuje da se izlaz TDA1541 optereti sa vrlo malim otpornikom a da time dobivena mala naponska amplituda signala ne bude ugrozena sumom. Ako se recimo uzme otpornik od svega 1,5 oma dobit ce se na njemu signal od svega 6mVp-p ali to je za 2SK170 vise nego dovoljno.

TDA1541 nije naravno jedini DAC chip na koga se ova razmatranja odnose, ovdi je uzet ka primjer.

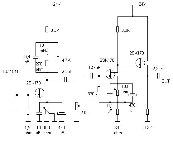
Shema doli prikazuje jedan od mogucih nacina upotribe 2SK170 sa TDA1541. Nije naravno sklopljena i "provjerena" ali to kod ovakvih jednostavnih sklopova koji ce prodelat iz prve ne znaci nista. Na njoj prvi 2SK170 prihvaca taj mali signal od 6mVp-p i pojacava ga nekih 60 puta. Taj dela bez source degeneracije jer mu sa obzirom na nivoe signala ni potribno povecavat linearnost. Ova ikebana u drainu predstavlja mrezu koja kompenzira onaj -3dB pad na 20kHZ. I mada izgleda kompleksno, ne triba je se plasit jer nece bit nikakvog motanja zavojnice (ta je 10mH iz Farnellove ponude).
Iza tog stupnja je pot za regulaciju jacine a nakon njega drugi 2SK170 ostvaruje potribno pojacanje za pobudu izlaznog stupnja. Kako se ovdi radi sa vecim signalima, moral je dobit source degeneraciju radi linearnosti. Treci 2SK170 je izlazno sljedilo koje osigurava vrlo mali izlazni otpor.
Naponi napajanja su oko 24V a oni trimeri sluze za podesavanje struja kroz 2SK170 na nakih 3,5mA

Shema je tek nacrtana tako da nije nemoguce da se potkrala koja greska. To cu kasnije provjerit i po potribi ispravit. Ako bude interesa, uvik se moze razvit opsirnija diskusija o ovome

2SK170.JPG
Krepat ma ne molat
Avatar
sstrsat
 
Postovi: 1745
Pridružen/a: 04 svi 2011, 18:21
Lokacija: Rijeka

Re: 2SK170 - zasto ne i ovdi

PostPostao/la harkonen » 11 svi 2011, 20:50

A možemo u ovu aplikaciju ubaciti i malo lampi? Iza prvog SK ubaciti 6n6p srpp?
Pojačanje i izlazni otpor idealni, sonična vrijednost - neprocijenjiva :-)
I'm too old for this s...
Avatar
harkonen
 
Postovi: 2195
Pridružen/a: 04 svi 2011, 14:27
Lokacija: Bjelovar

Re: 2SK170 - zasto ne i ovdi

PostPostao/la Khadgar2007 » 11 svi 2011, 20:52

Admin, molim cenzuru!!!! :lol:
"Nakon prve čaše vidite stvari onakvim, kakve bi vi htjeli da budu. Nakon druge vidite ih onakvim, kakve nisu. Na kraju ih vidite onakvim, kakve zaista jesu, što je najgora stvar na svijetu."
Avatar
Khadgar2007
 
Postovi: 2488
Pridružen/a: 05 svi 2011, 16:44
Lokacija: Sisak

Re: 2SK170 - zasto ne i ovdi

PostPostao/la sstrsat » 11 svi 2011, 20:59

harkonen je napisao/la:A možemo u ovu aplikaciju ubaciti i malo lampi?


Ne miniraj :lol: :lol:

Ovdi ne mozemo. Triba i poluvodicka sekcija foruma aktivnije profunkcionirat zato nemojmo ovdi sa lampadinami, o njima cemo u njihovoj kucici :lol:
Krepat ma ne molat
Avatar
sstrsat
 
Postovi: 1745
Pridružen/a: 04 svi 2011, 18:21
Lokacija: Rijeka

Re: 2SK170 - zasto ne i ovdi

PostPostao/la Zen Mod » 11 svi 2011, 21:02

1541 išće 2mA na izlazu da bi radio kako treba ( sto ce reci da se njegov izlaz staticki ponasa kao current sink)
Avatar
Zen Mod
 
Postovi: 14
Pridružen/a: 06 svi 2011, 13:19

Re: 2SK170 - zasto ne i ovdi

PostPostao/la Khadgar2007 » 11 svi 2011, 21:05

@Sstrsat
Hmm...meni ovo liči na lampaša samo ča je sa tranzistorima. hehe
Sstrsat, ajde dok ne nabavim neki pisanu dokumentaciju jel možeš samo u par riječi napisati zašto si stavio u source prva dva one silne kondove? Vjerojatno je već bilo sve to opisano u temema na audiofil.net-u ali ako ti nije teško napisati par riječi i ovdje.
"Nakon prve čaše vidite stvari onakvim, kakve bi vi htjeli da budu. Nakon druge vidite ih onakvim, kakve nisu. Na kraju ih vidite onakvim, kakve zaista jesu, što je najgora stvar na svijetu."
Avatar
Khadgar2007
 
Postovi: 2488
Pridružen/a: 05 svi 2011, 16:44
Lokacija: Sisak

Re: 2SK170 - zasto ne i ovdi

PostPostao/la sstrsat » 11 svi 2011, 21:28

Zen Mod je napisao/la:1541 išće 2mA na izlazu da bi radio kako treba ( sto ce reci da se njegov izlaz staticki ponasa kao current sink)


Stoji. A to znaci da ce se pojavit DC offset od 3mV sa ovih 1,5 oma tereta. Taj offset ce se reflektirat na izlaz prvog 2SK170 ka nekih 180mV, znaci nebitno
Krepat ma ne molat
Avatar
sstrsat
 
Postovi: 1745
Pridružen/a: 04 svi 2011, 18:21
Lokacija: Rijeka

Re: 2SK170 - zasto ne i ovdi

PostPostao/la sstrsat » 11 svi 2011, 21:55

@ khadgar

A ca da recen, hrpa shema se moze nazvat prepjev sa cijevnog na poluvodicko ili prepjev sa poluvodickog na cijevno :lol:

A oni kondenzatori su standardna bypass kombinacija koja se stavlja za izbic source (emitersku, katodnu) degeneraciju. Kod prvoga potpuno a kod drugoga da omoguci da degeneracija bude definirana otpornikom ispod.
Krepat ma ne molat
Avatar
sstrsat
 
Postovi: 1745
Pridružen/a: 04 svi 2011, 18:21
Lokacija: Rijeka

Re: 2SK170 - zasto ne i ovdi

PostPostao/la Zen Mod » 12 svi 2011, 14:50

sstrsat je napisao/la:
Zen Mod je napisao/la:1541 išće 2mA na izlazu da bi radio kako treba ( sto ce reci da se njegov izlaz staticki ponasa kao current sink)


Stoji. A to znaci da ce se pojavit DC offset od 3mV sa ovih 1,5 oma tereta. Taj offset ce se reflektirat na izlaz prvog 2SK170 ka nekih 180mV, znaci nebitno



nisam rekao da je to zarad sledeceg stepena , nego zarad ispravnog rada samog DAC-a
Avatar
Zen Mod
 
Postovi: 14
Pridružen/a: 06 svi 2011, 13:19

Re: 2SK170 - zasto ne i ovdi

PostPostao/la sstrsat » 12 svi 2011, 15:04

Zen Mod je napisao/la:nisam rekao da je to zarad sledeceg stepena , nego zarad ispravnog rada samog DAC-a


Znan da si na to mislil i to i je razlog zac se u takvim spojevima uzima taj otpornik cim manji. Praksa je pokazala da do nekih 30-ak oma nema vecih problema sa radom TDA1541. Mada je naravno bolje da je cim manji. Upravo zbog toga je i nastala ova ideja da se zbog izrazite malosumnosti samog 2SK170 uzme cim manji otpornik i tako teret za TDA1541 priblizi cim blize prema idealnih nula oma
Krepat ma ne molat
Avatar
sstrsat
 
Postovi: 1745
Pridružen/a: 04 svi 2011, 18:21
Lokacija: Rijeka

Sljedeća

Natrag na Tranzistorska tehnika

Na mreži

Trenutno korisnika/ca: / i 1 gost.

cron