Regulirano napajanje za pojačalo

Regulirano napajanje za pojačalo

PostPostao/la zbotic » 12 tra 2013, 13:56

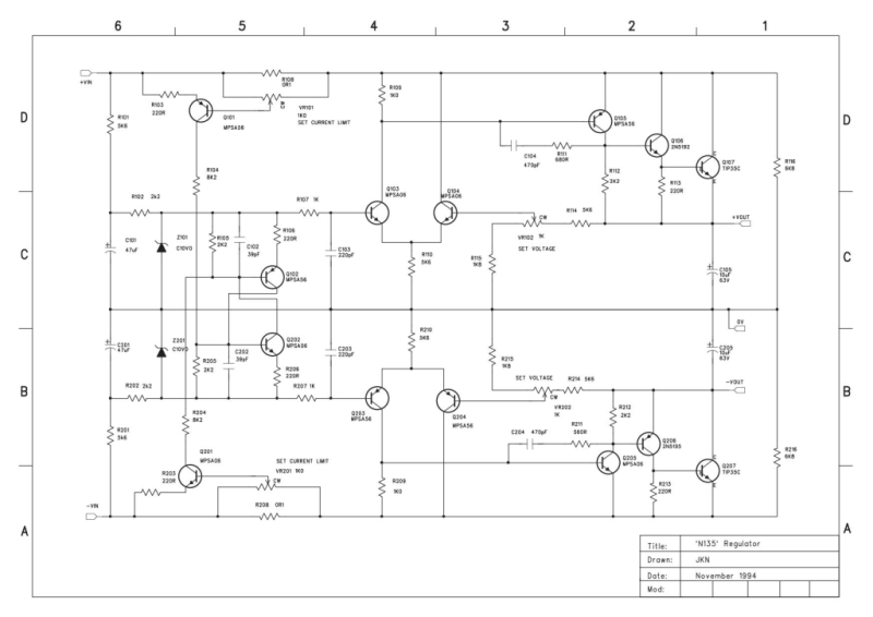
Što mislite u ovakvom reguliranom napajanju za pojačalo.
Recimo da bi ulazni napon bio reda veličine 55 - 60 V, a izlazni 35 - 40 V s time da bih dodao još jedan par izlaznih tranzistora (stavio bih neke "klasične" tipa MJL3281(tih imam) ili slično).
Treba li još kakav "upgrade" ili je već ovo dovoljno dobro.

Na to bih spojio neko pojačalo cca 40 - 70W po kanalu (npr. nešto tipa Complementary Sziklai Output - kao Elliotov P3A, ili kakav mosfet (2SK1058/2SJ162).



http://www.neilmcbride.co.uk/output-reg2.pdf


.
Privitak/ci
output-reg2.jpg
output-reg2.jpg (86.05 KiB) Pogledano 12568 put/a.
zbotic
 
Postovi: 2030
Pridružen/a: 04 svi 2011, 07:14

Re: Regulirano napajanje za pojačalo

PostPostao/la Mate » 12 tra 2013, 17:34

nemaš što raditi ili misliš da će nešto lijepo iz svega ispasti?

U stvari neću više ništa reć, neka to komentiraju profesionalci ali meni se čini da ti je ovo brez veze i to po više osnova.
;)
Avatar
Mate
 
Postovi: 1138
Pridružen/a: 12 svi 2011, 06:55
Lokacija: Prigradica

Re: Regulirano napajanje za pojačalo

PostPostao/la ilimzn » 12 tra 2013, 18:19

Ah, NAIM regulator, za vecinu slucajeva spajanje nepotrebnog s beskorisnim...
Sam regulator je OK, nema se tu puno za reci iako je uticaj nekih 'dogmi' vidljiv, kao npr. obavezna uporaba istog polariteta tranzistora u izlazu. Implementirana j ei prekostrujna zastita, konkretno strujni limiter, sto nije nuzno najbolji pristup za sva pojacala, radi reakcije samog pojacala kad nastupi clipping radi prelaska strujnog maksimuma.
Veci problem je u tvojim pocetnim pretpostavkama. Rusiti napon s 55-60V na 35-40 je gotovo 50% gubitka pri regulaciji, sto je doslovno razbacivanje toplinom. Pri maksimalnoj izlznoj snazi pojacala, ispravljac s dobro projektiranim filtriranjem ce imati relativno mali pad napona u odnosu na neoptereceno stanje, radi cega ce disipacija izlaznih tranzistora regulatora biti visestruko veca nego ona izlaznih tranzistora pojacala. Situacija je drugacija ako ispravljac ima relativno slabo filtriranje, no u tom slucaju je ovo vrlo skup nacin da se taj problem rijesi.
Veci je problem, cemu to? Rezultat filtriranja napajanja moze biti od nista (plus rupa u novcaniku) do prilicno velikog sonicnog pomaka, i to ili u plus ili u minus, ali to manje ovisi o regulatoru, nego o topologiji pojacala. Konkretno, dva podrucja u izvedbi topologije su tu relevantna - jedno je reciklaza harmonika koje u napajanju generira izlazni stupanj i opcenito imunitet na smetnje iz napajanja (prenos signala iz napajanja u izlaz), radi cega se ponekad koristi regulacija ili dodatna filtracija za ulazne stupnjeve. Drugo podrucje je maksimalni hod izlaznog signala, tj. redoslijed clippinga u stupnjevima pojacala. Ako pojacalo moze dati izlazni signal blizak maksimumu napona napajanja, valovitost napona napajanja (nakon filtracije) se moze kod clippinga djelomicno preslikati u izlaz - dakle, pojavljuje se komponenta signala koje nikad nije bilo u ulaznom signalu. Regulacija napona osigurava da je napon napajanja prakticno istosmjeran,pa je clipping 'cisci' no topologija pojacala moze biti takva da ima s time drugih nevezanih problema. Regulacija napajanja ulaznih stupnjeva moze osigurati da pojacalo ne moze dati izlazni signal dovoljno blizu napajanju pa sam izlazni stupan ima ujedno karakter stabilizatora (funkcija izlaznih tranzistora je za istosmjerni napon jednaka izlaznim tranzistorima regulatora). Sve ovo moze itekako uticati na zvuk pojacala (pogotovo u odredjenim situacijama) no kao i uvijek, postavlja se pitanje cijene (ne samo za novcanik).
ilimzn
Iron Man
 
Postovi: 979
Pridružen/a: 05 svi 2011, 13:39

Re: Regulirano napajanje za pojačalo

PostPostao/la dadod » 12 tra 2013, 18:55

Za napajanje pojacala snage stvarno nije potreban stabilizator napona jer takav ima velike gubitke(disipaciju), bolje je koristiti nesto slicno multiplajeru kapaciteta. Za njega je dovoljan pad napona od oko 5V po strani napajanja. Predlazem da pogledas moj regulator koji koristim s mojim pojacalom viewtopic.php?f=10&t=800. Ovaj regulator ima sve potrebne zastite, od prevelike potrosnje struje(koja nije fiksno postavljena vec za brze tranzijente dozvoljava vecu struju), zastita zvucnika od istosmjernog napona.
dadod
 
Postovi: 174
Pridružen/a: 13 ruj 2011, 10:54
Lokacija: Zagreb

Re: Regulirano napajanje za pojačalo

PostPostao/la zbotic » 12 tra 2013, 18:59

Zaboravite na parametar cijene. Dijelove za izradu uglavnom imam i vrlo malo su me koštali. To je bio moj prvi ulazni parametar za ovaj eksperiment. Motiv je znatiželja i neobičnost takvog rješenja. Napajanje će biti u izdvojenoj kutiji i nastojim da bude upotrebljivo u što više slučajeva pa će biti vrlo zabavno isprobavati.
zbotic
 
Postovi: 2030
Pridružen/a: 04 svi 2011, 07:14

Re: Regulirano napajanje za pojačalo

PostPostao/la dadod » 12 tra 2013, 19:03

zbotic je napisao/la:Zaboravite na parametar cijene. Dijelove za izradu uglavnom imam i vrlo malo su me koštali. To je bio moj prvi ulazni parametar za ovaj eksperiment. Motiv je znatiželja i neobičnost takvog rješenja. Napajanje će biti u izdvojenoj kutiji i nastojim da bude upotrebljivo u što više slučajeva pa će biti vrlo zabavno isprobavati.


Ne radi se o cijeni dijelova, to nije tako skupo(osim transformatora i velikih elektrolita) ali stvarno nema smisla iz 60V spustiti na 40V to cisti gubitak u potrosnji.
dadod
 
Postovi: 174
Pridružen/a: 13 ruj 2011, 10:54
Lokacija: Zagreb

Re: Regulirano napajanje za pojačalo

PostPostao/la zbotic » 12 tra 2013, 19:04

ilimzn je napisao/la:, kao npr. obavezna uporaba istog polariteta tranzistora u izlazu.


Da ovo promijenim ili da ostavim kako je u originalnoj shemi?
zbotic
 
Postovi: 2030
Pridružen/a: 04 svi 2011, 07:14

Re: Regulirano napajanje za pojačalo

PostPostao/la zbotic » 12 tra 2013, 19:07

dadod je napisao/la:
zbotic je napisao/la:Zaboravite na parametar cijene. Dijelove za izradu uglavnom imam i vrlo malo su me koštali. To je bio moj prvi ulazni parametar za ovaj eksperiment. Motiv je znatiželja i neobičnost takvog rješenja. Napajanje će biti u izdvojenoj kutiji i nastojim da bude upotrebljivo u što više slučajeva pa će biti vrlo zabavno isprobavati.


Ne radi se o cijeni dijelova, to nije tako skupo(osim transformatora i velikih elektrolita) ali stvarno nema smisla iz 60V spustiti na 40V to cisti gubitak u potrosnji.


Ma nije ni to problem, imam transformatore za 63VDC, 53VDC, 45VDC, jedino ću kupovati hladila, a koristio bi onaj transformator koji u datom trenutku bude najoptimalniji. Računam s tim da je cca 7 V spuštanja dovoljno.
zbotic
 
Postovi: 2030
Pridružen/a: 04 svi 2011, 07:14

Re: Regulirano napajanje za pojačalo

PostPostao/la dadod » 12 tra 2013, 19:11

zbotic je napisao/la:
dadod je napisao/la:
zbotic je napisao/la:Zaboravite na parametar cijene. Dijelove za izradu uglavnom imam i vrlo malo su me koštali. To je bio moj prvi ulazni parametar za ovaj eksperiment. Motiv je znatiželja i neobičnost takvog rješenja. Napajanje će biti u izdvojenoj kutiji i nastojim da bude upotrebljivo u što više slučajeva pa će biti vrlo zabavno isprobavati.


Ne radi se o cijeni dijelova, to nije tako skupo(osim transformatora i velikih elektrolita) ali stvarno nema smisla iz 60V spustiti na 40V to cisti gubitak u potrosnji.


Ma nije ni to problem, imam transformatore za 63VDC, 53VDC, 45VDC, jedino ću kupovati hladila, a koristio bi onaj transformator koji u datom trenutku bude najoptimalniji. Računam s tim da je cca 7 V spuštanja dovoljno.


Za stabilizator 7V nije dovoljno, moras racunati na promjene mreznog napona(+-10%), i na promjeljiv pad napona na transformatoru kod razlicitih struja potrosnje.
dadod
 
Postovi: 174
Pridružen/a: 13 ruj 2011, 10:54
Lokacija: Zagreb

Re: Regulirano napajanje za pojačalo

PostPostao/la zbotic » 12 tra 2013, 19:17

Pa recimo da uzmem 10V i da računam sa prosječnom strujom od 5A, to je samo 50W za ohladiti. Onako od oka to je hladilo 150 x 100 x 50.
Nemojte me sad hvatat na ekologiju, ionako mi je sve u A klasi :D
zbotic
 
Postovi: 2030
Pridružen/a: 04 svi 2011, 07:14

Sljedeća

Natrag na Tranzistorska tehnika

Na mreži

Trenutno korisnika/ca: / i 1 gost.

cron