Forumsko pojačalo

Re: Forumsko pojačalo

PostPostao/la ilimzn » 27 lis 2011, 11:02

s@ki me podsjetio... jos jedna stvar kod narudzbe prototipnih ploca kod Tiplona, MArkovca, Baltazara i sl: pitajte na kojoj velicini plate rade. Radi stroja za nanosenje filma to j euvijek standardna neka velicina i isplati se itekako optimizirati stampu da stane cijeli broj (veci od 1!) stampi na nju, a onda se naruci jedna plata. Zna se dogoditi da koja ploca ne izpadne ali u principu oni ionako rade cijelu platu. Primjerice, ako stane 4 PCB-a na platu, za ocekivati je da ce barem 3 ispasti kako treba, pa se dogovori cijela plata, pa kako izadje. Cijena za taj broj ce redovito biti samo malo visa od cijene za jedan komad!
ilimzn
Iron Man
 
Postovi: 979
Pridružen/a: 05 svi 2011, 13:39

Re: Forumsko pojačalo

PostPostao/la s@ki » 27 lis 2011, 11:04

bome su im i cijene pale u zadnje vrijeme.. pred kojih godinu dve sam ih zvao da vidim koliko bi me došla pločica za ispravljač neki pa me čovjek tražio 300 ili 350kn (nesjecam se vise) za pločicu cca 10x15 koju bi sam morao bušit, naravno bez stop lacka :S
Budimo UNIVERZALNI
Avatar
s@ki
 
Postovi: 1465
Pridružen/a: 05 svi 2011, 14:39

Re: Forumsko pojačalo

PostPostao/la dadod » 27 lis 2011, 12:58

Hvala na savjetima. Kada do kraja razradim PCB imat cu u vidu sve ove jako dobrodosle savjete.
dado
dadod
 
Postovi: 174
Pridružen/a: 13 ruj 2011, 10:54
Lokacija: Zagreb

Re: Forumsko pojačalo

PostPostao/la dadod » 03 vel 2012, 12:27

dadod
 
Postovi: 174
Pridružen/a: 13 ruj 2011, 10:54
Lokacija: Zagreb

Re: Forumsko pojačalo

PostPostao/la s@ki » 03 vel 2012, 12:29

zgodno
Budimo UNIVERZALNI
Avatar
s@ki
 
Postovi: 1465
Pridružen/a: 05 svi 2011, 14:39

Re: Forumsko pojačalo

PostPostao/la dadod » 17 vel 2012, 12:38

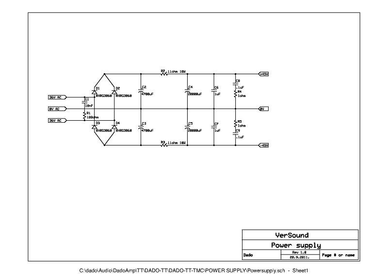
Koristiti cu ovo napajanje za moje TT pojacalo. Za sada je samo simulirano.
U prilogu je osnovna sema s a ispravljackim dijelom i elektrilitskim kondenzatorima.
Slijedece su dva primjera naposkog regulatora, nije stabilizator vec slicnije kapacitivnom multiplikatoru. Na regulatorskom elementu(BJT ili MOSFET) je oko 4 - 5V pada napona i izlazni napon ovisi o ulaznom(spore promjene)
Regulator ima strujni osigurac i zastitu zvunika.
dado
Privitak/ci
PSregulator-MOS-b.png
PSregulator-MOS-b.png (98.53 KiB) Pogledano 4787 put/a.
PSregulator-BJT-b.png
PSregulator-BJT-b.png (98.42 KiB) Pogledano 4787 put/a.
PowerSupply-b.png
PowerSupply-b.png (40.95 KiB) Pogledano 4787 put/a.
dadod
 
Postovi: 174
Pridružen/a: 13 ruj 2011, 10:54
Lokacija: Zagreb

Re: Forumsko pojačalo

PostPostao/la ilimzn » 17 vel 2012, 18:34

Ako smijem, jedno pitanje i jedna zamjerka:
Pitanje: na koliku je vrijednost postavljena prekostrujna zastita, cini mi se dosta visoko (Vbe+ 3 diode na otporu 0.11 ohma, no slova su sitna pa mozda ne vidim dobro).
Zamjerka: pri pojavi greske u bilo kojoj grani potrebno je iskljuciti obje, u suprotnom pojacalo ostaje samo s jednim napajanjem, sto moze dovesti do raznih nezeljenih stanja, Koliko vidim taj mehanizam kod aktiviranja prekostrujnezastite radi tek indirektno?
ilimzn
Iron Man
 
Postovi: 979
Pridružen/a: 05 svi 2011, 13:39

Re: Forumsko pojačalo

PostPostao/la dadod » 17 vel 2012, 19:41

Simulirao sam za struje izmedju 12 do 14A (to je uz 0.1ohm) i ovdje mozes vidjeti da se iskljucuju oba polariteta skoro istovremeno. To radi tako da kada napon na jednoj strani padne trigerira se se i druga strane preko D5, D105 pa na Q8, Q108 i Q9 Q109(to je okidacki sklop kao tiristor). To nije moja ideja vec sam je pokupio od J.L. Hood i njegovog 80W MOSFET pojacala. Q11, Q111 i Q12, Q112 prepznaju istosmjerni napon na zvucnicima i iskljucuju oba polariteta istovremeno.
Hvala sto si postavio pitanje i dao savjet jer ja bih volio da unaprijedim ovaj regulator ako netko ima ideje za to.
Inace sam zamislio da electronski osigurac ima malo kasnjenje tako da kratki strujni pokovi ne okinu zastitu.
Kada je zastita okinuta potrebno je iskljuciti napajanje da se resetira zastita.
Problem loudanja slika odje onemogucava priloziti slike koje bi bile citljivije. Da li moguce povisiti taj limit, pitanje za moderatora???
dado
Privitak/ci
CurrentProtection-14A-b.jpg
CurrentProtection-14A-b.jpg (47.9 KiB) Pogledano 4743 put/a.
dadod
 
Postovi: 174
Pridružen/a: 13 ruj 2011, 10:54
Lokacija: Zagreb

Re: Forumsko pojačalo

PostPostao/la sonny » 17 vel 2012, 22:57

Za veće slike "digni" iste na Photobucket ili neki sličan pouzdan servis za slike i ako su velike, stavi thumb pa neka svatko otvori u novom prozoru/kartici za veću sliku... Tema neće biti "razbijena" ogromnim slikama, a onaj tko želi može otvoriti sliku u punoj veličini ;)
A nekad je ovdje bilo dobro.......... Šteta.......
sonny
 
Postovi: 1203
Pridružen/a: 20 kol 2011, 18:36

Re: Forumsko pojačalo

PostPostao/la dadod » 17 vel 2012, 23:13

Objasni mi sto znaci "stavi thumb" ?
dadod
 
Postovi: 174
Pridružen/a: 13 ruj 2011, 10:54
Lokacija: Zagreb

PrethodnaSljedeća

Natrag na Tranzistorska tehnika

Na mreži

Trenutno korisnika/ca: / i 2 gostiju.