Sve je stiglo neoštećeno, a najvažnije da je ona aluminijska lajsna sa natpisima čak i u boljem stanju nego što je izgledalo na fotografijama. Dakle zabava može početi.
Gornja ploča sa one tri opruge je prva na redu. Da bi gramofon stajao paralelno sa stranicama drvenog okvira potrebno je opruge sa pripadajućim gumenim podloškama odlijepiti uz pomoć nitro razrjeđivača i ponovo zalijepiti tako da se simulira konačna težina tanjura i ručke sa drvenom podloškom. Nekoliko puta opruge je potrebno rotirati oko vertikalne osi dok se ne postigne pravi položaj. Tek tada ide ponovo neostik ljepilo i ljepljenje. Za ovo treba dosta strpljenja, meni je pošlo za rukom iz trećeg "konačnog" pokušaja tj. tri puta lijepljenja i odljeplijvanja.
Na prijašnjim fotografijama vidljivo je da nema subtanjura. Originalni subtanjur je aluminijski spojen sa čeličnom osovinom i ima tendenciju "zvonjave". Pala je odluka ići na potpuno novi subtanjur napravljen od polimera u mom slučaju neka od varijanti "delrina". Sipas, juvidur itd sve je to dobro....
Malo sam smanjio toleranciju dosjeda osovine i postojećeg ležaja kako bi tzv. "flaksanje" smanjio na najmanju moguću mjeru. Recimo da je to ispalo oko 5-10 stotinki milimetra. To je super rezultat.
Kako flaksanje nije zadovoljilo iz prve zbog rupe u plastici subtanjura i toplinske dilatacije prilikom obrade, slijedilo je probijanje veće rupe u subtanjuru i "dinamičko balansiranje". U rupu se stavi epoksidno ljepilo, montira tanjur i remen i sve zajedno vrti tako da se distanca tanjura i gornje ploče gramofona održava malenim distancerima. Kako epoksid steže tako cijeli postupak dobija na preciznosti i nakon nekoliko sati stvar je savršeno balansirana.
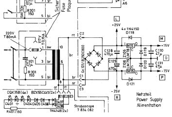
Naravno, treba isprintati i stroboskopski patern s donje strane tanjura. Prozirna termo folija, laserski printer i dvostrana ljepljiva traka. Broj točkica, tko ne zna izračunati, lako pronađe na internetu. Ja sam svog nacrtao u Autocadu.

- sttr1.jpg (66.49 KiB) Pogledano 20026 put/a.

- sre2.jpg (49.11 KiB) Pogledano 20026 put/a.