Evo da prijavim kako je Alembic F-2B završen. Sve u svemu vrlo lagan projekt, siguran sam da će uveseljavati budućeg vlasnika i publiku pred kojom će svirati. Uređaj radi bez greške, nema šumova, nema bruma. Malo smo štedjeli na power trafu, pa je umjesto jednog toroida montirano dva trafa, jedan HV (250AC), i jedan manji od 12V, 1,2A za grijanje. Obzirom da su skinuti sa polica, ušteda je gotovo 300 kuna.
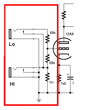
Podsjetio bi na sstrsatov post u kojem upozorava na visoki izlazni otpor i potencijalne probleme ukoliko bi se preamp koristio sa gitarom u kombinaciji sa dužim spojnim kabelom prema slave pojačalu, a sve u smislu problema potencijalnog gubitka visokih tonova. No u ovom slučaju će se koristiti bass gitara, a u perspektivi ide stereo slave ispod, znači spojni kablovi će biti tek neki 20 do 30 cm, pa je taj problem praktično "riješen". U nekoj "nabrijanoj" verziji alembica dakako da bi se mogla staviti još jedna lampa nižeg faktora pojačanja, te se sa signalom izvući van preampa preko katode... tada bi i taj problem bio riješen.
Što se tiče sstrsatove preporuke da se u slučaju prolaska signala kroz oba kanala mogu pojaviti određeni problemi sa samooscilacijama i da bi se to moglo spriječiti korištenjem jedne lampe za oba prva stupnja pojačanja i druge lampe za oba druga stupnja pojačanja.. to na žalost nisam realizirao zbog problema sa rasporedemoelemenata i "dohvatom istih (čitaj bilo bi hrpa dugih žica između prednje ploče i prve lampe), pa bi u dobroj namjeri možda dobio gore. Za sada je ovako kako je, no u nekim budućim nabrijanim verzijama ovog uređaja mogao bi sve to implementirati.
U svakom slučaju ova prva verzija je gotovo identična originaslnoj shemi. Ako neko bude raditi, ne zaboraviti da su svi potenciomerti logaritamski, s tim da treble i mid ipak mogu biti i linearni (potvrđeno testom), dok volume i bass moraju biti log.
Ono na što moram skrenuti pozornost je činjenica da kada su svi potovi iz ton kontrole (treb, mid, i bass) na nuli, tada se praktično volume pot dovodi na masu, čime nestaje signala bez obzira što volume pot nije na poziciji nula. Znači ako neko bude raditi ovaj preamp ovočisto info da ne pomisli da je nešto krivo napravio. Ako pogledate shemu ton kontrole biti će vam jasno i zašto. Inače i na samom Fender dual showmanu ista je situacija... pitanje je da li je to tako "Fender" baš tako htio ili je to nekakva konstrukcijska nenamjerna pogreška koju su kasnije "ispravili"... a ko će ga znati, no držao smo se originala.....
Gotovo da nemam više ništa bitno za reći, priča je jednostavna i lako izvediva. Za 200 eura dijelova (ako se baš sve kupuje) napravi se dvokanalni preamp za bass gitaru za koji u USA u maloprodaji traže (preračunato u eure) oko 1100 eura, a u Hrvatskoj bi to u maloprodaji otišlo na sigurnih 1500 eura, pa neka neko kaže da se diyanje ne isplati. Ako bi se diyalo za pare po narudžbi, konačna cijena uređaja ne bi smjela prelaziti 400 eura što je i dalje vrlo povoljno, no obzirom da niko nema novca radite ćete to za svoj gušt

(sebi ili za nekog frenda).
Eto toliko od mene što se tiče ovog projekta. Ako bi sebi radio nešto slično, onda bi to najvjerojatnije bio Alembic FX-1, znači samo jedan kanal sa send/return opcijom ali nabrijana vezija sa bufferom. Ako budem raditi, svakako ću projekt ispratiti na forumu.
Sada ću neko vrijeme malo "ohladiti" lemilicu, idem nazad na ESL projekt, pratite kako se razvija situacija u poglavlju "Zvučnici"
