6S19P headamp

6S19P headamp

PostPostao/la joe dalton » 15 lip 2011, 22:55

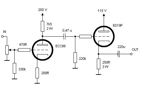
Kako je Harkonen sugerirao u jednoj drugoj temi da bi se od ove ruske male ali moćne triode dalo složiti pojačalo za slušalice, a ja sam ipak slušalicomanijak, evo mog skromnog pokušaja konstrukcije.
6S19P_headamp.jpg
shema
6S19P_headamp.jpg (15.31 KiB) Pogledano 9392 put/a.


Stavljam shemu i otvaram diskusiju.
ECC88 je biasirana na 11 mA, -2,2 V sa 7k5 u anodi.
6S19P je na oko 95 V, 80 mA i Ug -20 V.
Kao prvo da li nešto nedostaje ili ima viška?
Komentar radne točke 6S19?
Prijedlozi i razno?
Avatar
joe dalton
 
Postovi: 770
Pridružen/a: 06 svi 2011, 10:14
Lokacija: Zagreb

Re: 6S19P headamp

PostPostao/la harkonen » 15 lip 2011, 23:23

Za početnu shemu ti nije loše. Uopće. Ovo će ok svirati i ovako na prvu. I to prilično dobro.
A odnos radnih uvjeta obje lampe vuče malo i na DC vezu prvog i drugog stupnja, što
mi se čini također privlačnim. Katodni na 6S19p bio tada bio oko 1,8K/35W (pa ne kažu bez veze - vruća A klasa),
napajanje na anodi 6s19p 230V (taman da rasprezanjem - RC član sa 2,7K otporom - dođeš do 200V na prvu cijev).
Vezni kond i otpor (gridleak) prema masi makneš.

I u jednom i u drugom slučaju izračunati naponsko pojačanje, pa slabljenje, pa izlazni otpor, da
se vidi da li i koliko impedantne slušalice treba izgurati, odnosno da li se postiglo što se htjelo.
I ne bi bilo loše postati ucrtane radne linije na grafu. Lakše je komentirati.
I'm too old for this s...
Avatar
harkonen
 
Postovi: 2195
Pridružen/a: 04 svi 2011, 14:27
Lokacija: Bjelovar

Re: 6S19P headamp

PostPostao/la joe dalton » 15 lip 2011, 23:33

harkonen je napisao/la:Za početnu shemu ti nije loše. Uopće. Ovo će ok svirati i ovako na prvu.
A odnos radnih uvjeta obje lampe vuče malo i na DC vezu prvog i drugog stupnja, što
mi se čini također privlačnim. Katodni na 6S19p bio tada bio oko 1,8K/35W (pa ne kažu bez veze - vruća A klasa),
napajanje na anodi 6s19p 230V (taman da rasprezanjem - RC član sa 2,7K otporom - dođeš do 200V na prvu cijev).
Vezni kond i otpor (gridleak) prema masi makni.

I u jedom i u drugom slučaju izračunati naponsko pojačanje, pa slabljenje, pa izlazni otpor, da
se vidi da li i koliko impedantne slušalice treba izgurati, odnosno da li se postiglo što se htjelo.
I ne bi bilo loše postati ucrtane radne linije. Lakše je komentirati.


Ovo sa DC vezom mi se sviđa. Probat ću to malo razraditi.
Prema ovom sad, prvi stupanj bi trebao imati pojačanje oko 20 puta sa katodnim bypasom ili 14 puta bez (kako je nacrtano).
Uz pretpostavljeno slabljenje sljedila 0,8 izlazi ukupno pojačanje oko 11. Sasvim dovoljno po meni.
Crtao sam na papiru pa ne mogu postati grafove. Precrtat ću na PC pa postam.
Avatar
joe dalton
 
Postovi: 770
Pridružen/a: 06 svi 2011, 10:14
Lokacija: Zagreb

Re: 6S19P headamp

PostPostao/la Edison » 15 lip 2011, 23:59

Umjesto otpornika (i kondenzatora) u prvom stupnju stavis LED odgovarajuceg napona, i ne treba kondenzator, a imas vece pojacanje i nizi izlazni otpor. A LED moze posluziti i kao indikacija rada uredjaja. Tri muhe jednim udarcem... :D
Čovječe pazi da ne ideš malen ispod zvijezda!
Avatar
Edison
 
Postovi: 1180
Pridružen/a: 04 svi 2011, 21:32
Lokacija: Rijeka

Re: 6S19P headamp

PostPostao/la harkonen » 16 lip 2011, 07:40

Sve u svemu, bude ovo jedan lijepi projektić, malo razraditi napajanje (ispravljačica pa cijevna regulacija, a
dostupna lampa koja podnosi u regulaciji toliku struju je 6AS7 (6080, 6n13s), može se u regulaciju normalno
staviti i po jedna 6s19p po kanalu i high end je tu.

Izlazni otpor katodnog sljedila ti je Ru/(1+pojačanje), kod 6s19p je to oko 400/(1+3) dakle oko 100 ohm.
Pojačanje, tj slabljenje ti je pojačanje/(pojačanje+1), dakle ako uzmeš da je 6S19p pojačanja 3 = 0,75 x.
I'm too old for this s...
Avatar
harkonen
 
Postovi: 2195
Pridružen/a: 04 svi 2011, 14:27
Lokacija: Bjelovar

Re: 6S19P headamp

PostPostao/la joe dalton » 16 lip 2011, 22:12

@ Edison - Kondenzatora u katodi nema, a i mislim da ne treba toliko pojačanja tako da LED zasada otpada. Plus što mislim da ću radnu točku ECC88 pomaknuti malo lijevo tako da idem sa nižim naponom na anodi ECC88 i pojednostavim DC vezu na 6S19. A onda će mrežica ECC88 biti na -1,3 V što mi se čini prenisko za LED. U svakom slučaju hvala na konstruktivnom prijedlogu. Ako imaš još koji samo pucaj.
@ Harkonen - Mislim da neću ići na stabilizaciju napajanja, barem ne na prototipu. Za prototip manje-više imam sve osim para 6S19, izlaznog veznog kondenzatora (primam prijedloge za vezni kond 220u, 200V) i par otpornika.
Ujedno ako neko ima viška par 6S19 i voljan ih se odreći (uz naknadu naravno - lova ili zamjena za druge lampe ili dijelove) molim da mi se javi na PM.
Slijedi shema DC vezanog pojačala, a i radne točke kad nacrtam na PCju.
Avatar
joe dalton
 
Postovi: 770
Pridružen/a: 06 svi 2011, 10:14
Lokacija: Zagreb

Re: 6S19P headamp

PostPostao/la fixxxer » 16 lip 2011, 23:37

joe dalton je napisao/la: ... A onda će mrežica ECC88 biti na -1,3 V što mi se čini prenisko za LED...


Ali nije prenisko za Duracell ;) :mrgreen:
Avatar
fixxxer
 
Postovi: 254
Pridružen/a: 07 svi 2011, 17:30
Lokacija: Beograd

Re: 6S19P headamp

PostPostao/la joe dalton » 16 lip 2011, 23:41

fixxxer je napisao/la:
joe dalton je napisao/la: ... A onda će mrežica ECC88 biti na -1,3 V što mi se čini prenisko za LED...


Ali nije prenisko za Duracell ;) :mrgreen:


Vidiš te se fore nisam sjetio. :thumbup:
Si probao?
Kako funkcionira?
Bit će ipak -2V, 10mA, možda LED ako nađem prikladan par.
Avatar
joe dalton
 
Postovi: 770
Pridružen/a: 06 svi 2011, 10:14
Lokacija: Zagreb

Re: 6S19P headamp

PostPostao/la fixxxer » 16 lip 2011, 23:52

Mos' mislit' ako nadjes prikladan par za LED, kupi 50 kom ako treba pa upari, ionako kosta ko pola tepsije bureka :mrgreen:

Nesto malo sam stigao da se igram na tu temu ali prekratko da bih mogao da tvrdim bilo sta ili dajem pros's & con's, posto dosta vremena provodim van zemlje (sstrsat sindrom :lol: ) pa ne stignem ni 10% onoga sto hocu...
Avatar
fixxxer
 
Postovi: 254
Pridružen/a: 07 svi 2011, 17:30
Lokacija: Beograd

Re: 6S19P headamp

PostPostao/la joe dalton » 17 lip 2011, 00:00

fixxxer je napisao/la:Mos' mislit' ako nadjes prikladan par za LED, kupi 50 kom ako treba pa upari, ionako kosta ko pola tepsije bureka :mrgreen:

Nesto malo sam stigao da se igram na tu temu ali prekratko da bih mogao da tvrdim bilo sta ili dajem pros's & con's, posto dosta vremena provodim van zemlje (sstrsat sindrom :lol: ) pa ne stignem ni 10% onoga sto hocu...


Ma nije problem uparit ali kad imaju samo nove ultrabright s nekim nenormalnim naponima.
Lako ću se s tim poigrat kad složim prototip.
Avatar
joe dalton
 
Postovi: 770
Pridružen/a: 06 svi 2011, 10:14
Lokacija: Zagreb

Sljedeća

Natrag na Cijevna tehnika

Na mreži

Trenutno korisnika/ca: / i 3 gostiju.