btw, citao sam post i onda tamo i sad ovde

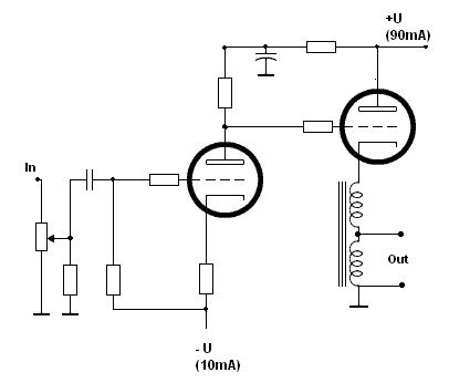
harkonen je napisao/la:Gridstoper stavi za početak 100ohm.
Od anode Ecc88 prema katodi 6S19p stavi u seriju 2-3K i 1n4007 da ti prilikom zagrijavanja lampi sve dok
katoda druge ne postane pozitivnija od anode prve napravi zaobilazni put i tako spriječi prelazne pojave.
harkonen je napisao/la:Aha. Kad se ide u realizaciju?
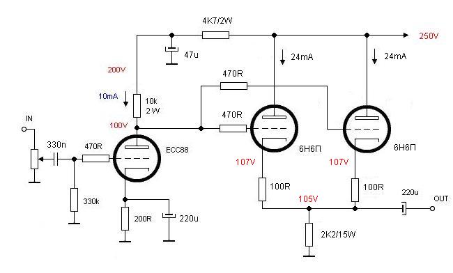
fixxxer je napisao/la:A ovako nesto, prema onom hintu, za 32R sluske?
btw, joe ti reci ako je ovo spamovanje teme...
Trenutno korisnika/ca: / i 5 gostiju.