DAH-PSE-12W

Re: DAH-PSE-12W

PostPostao/la sstrsat » 27 pro 2011, 17:48

Kaligula je napisao/la:Pripreman napajanje za 6P3S-ice, pa imam jedno pitanje:
Ovaj put sam lipo odradija PSUD. No, ako upalim ispravljč bez opterećenja ode teoretski izlazni napon sa 330V na 470V.
Kako su elektroliti 400V, hoće li biti dima ili praska?


Vrlo virovatno....da. Ako je PSUD rekal da ce bit toliki naponi u praznom hodu ondace oni i bit vrlo priblizni tome. A tih 470V je prakticno 20% vise od deklarirano dozvoljenih 400V za elke. Po mom iskustvu, velika vecina elka prezivljava 10% vise nego ca su deklarirani, pogotovo ako to stanje kratko traje, ali 20% je ipak malo previse.

Ako ce morat ic takvi elki onda bi bilo jako pozeljno stavit HV delay sklop koji bi spojil trafo na ispravljac tek kad su se cijevi ugrijale. A naravno dodat i kakav blider sa par mA struje koji bi vec sam po sebi donekle smanjil tih 470V a po iskljucenju bi ubrzal praznjenje elektrolita.

Ali mozda i ne moras ic na toliki napon u praznom hodu. Ako si isal na veliki broj RC celija da dobijes jako potiskivanje ripplea, kod pojacala za zvucnik je ipak dozvoljen veci ripple nego kod headampa. Ovdi trafo jako umanjuje ripple jer mu prijenosni odnos nije bas mali. Ako se na samom izlazu za zvucnike dobije npr 0,5mV rilpplea to bi tribalo bit sasvim u redu da se brum ne cuje. A to finalno znaci da bi recimo nekih 10 do 15mV ripplea na napajanju izlaznih cijevi bilo dozvoljeno.

Ili prearanzirat gfilter ispravljavljaca tako da budu manji R a veci C pa vec time smanjit potribe za previsokim naponima.

Ajde molin te stavi ovdi sliku iz PSUD2 pa cemo je prokomentirat. I javi koliko ukupno elka imas na raspolaganju i koliki su im kapaciteti ako bude tribalo prearanzirat filter.
Krepat ma ne molat
Avatar
sstrsat
 
Postovi: 1745
Pridružen/a: 04 svi 2011, 18:21
Lokacija: Rijeka

Re: DAH-PSE-12W

PostPostao/la grunf » 27 pro 2011, 17:56

samo da se javim Kaliguli da sutra navečer možemo mjeriti :D
"Bolje nešto od nečega nego ništa od ničega."
Avatar
grunf
 
Postovi: 844
Pridružen/a: 05 ruj 2011, 23:51
Lokacija: Šibenik

Re: DAH-PSE-12W

PostPostao/la Kaligula » 27 pro 2011, 18:41

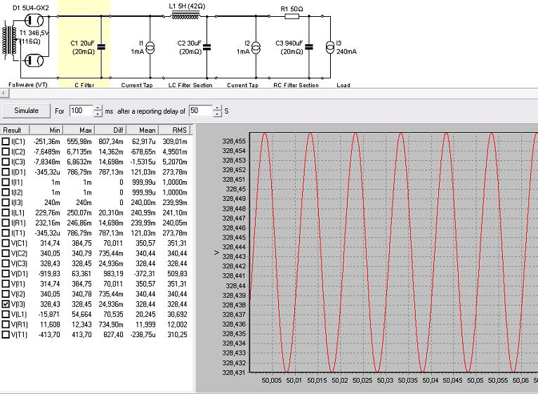
Suply_1.JPG
Suply_1.JPG (99.6 KiB) Pogledano 2960 put/a.

Shema se nalazi na str.2
Imam ja ovdje puno nedoumica:
1. Vrijednosti za trafo su 2×330V 0,25A. PSUD mi izračuna otpor 66ohma. Tom otporu sam dodao vrijednosti zaštitnih anodnih otpora (66+50=116ohm)
Neznam jeli to točno jer to je neka caka u PSUD-u da se vrijednost zaštitnih anodnih otpora dodaje otporu transformatora jer ih jedino tako PSUD uzima u obzir.
2. C1 = 20uF/450V polypropilen, u paraleli 100nF/630V i 220K/2W (otpornik za pražnjenje cca 1mA)
3. Prigušnica 5H 42ohm
4. C2 = 30uF/450V polypropilen, u paraleli 100nF/630V i 220K/2W (otpornik za pražnjenje cca 1mA)
5. R3 = 50ohma su dva otpornika po 100ohma u granama za lijevi i desni kanal.
6. C3 = 940uF/400V su dva elektrolita po 470uF u granama za lijevi i desni kanal.
7. I3 = 240mA je opterećenje sve četiri 6P3S-ice.

Pitanje koje sam postavija u prijašnjem postu vezano je samo zbog mog trenutnog eksperimentiranja.
Dean mi nije još gotov s CNC-om, a ja sam nestrpljiv, a kako iman slobodnog vrimena neda mi vrag mira nego oću segment po segment oživiti.
Kako je sve raštrkano po radnom stolu tija san pokreniti samo jedan kanal sa dvi 6P3S-ice. Normalno, opterećenje je onda 120mA pa triban preurediti i power suply. II onda vidi vraga, bez opterećenja ode on u nebesa.

Za DAH-a ću konačnici ubaciti jednu PCB sa PIC-om koji će nadzirati i time delaye i prebacivati signale sa driverice i upravljati transformatorima.
Meni je sad bitno samo da pokrenem jedan kanal.
Ništa ne radi šta ne znaš kako radi!
Avatar
Kaligula
 
Postovi: 568
Pridružen/a: 04 stu 2011, 04:11
Lokacija: Šibenik

Re: DAH-PSE-12W

PostPostao/la Kaligula » 27 pro 2011, 18:43

grunf je napisao/la:samo da se javim Kaliguli da sutra navečer možemo mjeriti :D

Ajmo mi sutra izbaždariti rezervoare, a mjerenja pribacimo za Petak! :D
Ništa ne radi šta ne znaš kako radi!
Avatar
Kaligula
 
Postovi: 568
Pridružen/a: 04 stu 2011, 04:11
Lokacija: Šibenik

Re: DAH-PSE-12W

PostPostao/la Khadgar2007 » 27 pro 2011, 18:45

Aha, znaš kako ćete prebaciti mjerenja u petak. Ja mislim da ćete bi baždariti rezervare sutra I u PETAK. :lol:
"Nakon prve čaše vidite stvari onakvim, kakve bi vi htjeli da budu. Nakon druge vidite ih onakvim, kakve nisu. Na kraju ih vidite onakvim, kakve zaista jesu, što je najgora stvar na svijetu."
Avatar
Khadgar2007
 
Postovi: 2488
Pridružen/a: 05 svi 2011, 16:44
Lokacija: Sisak

Re: DAH-PSE-12W

PostPostao/la sstrsat » 27 pro 2011, 19:19

Kaligula je napisao/la:Pitanje koje sam postavija u prijašnjem postu vezano je samo zbog mog trenutnog eksperimentiranja.
Dean mi nije još gotov s CNC-om, a ja sam nestrpljiv, a kako iman slobodnog vrimena neda mi vrag mira nego oću segment po segment oživiti.
Kako je sve raštrkano po radnom stolu tija san pokreniti samo jedan kanal sa dvi 6P3S-ice. Normalno, opterećenje je onda 120mA pa triban preurediti i power suply. II onda vidi vraga, bez opterećenja ode on u nebesa.

Za DAH-a ću konačnici ubaciti jednu PCB sa PIC-om koji će nadzirati i time delaye i prebacivati signale sa driverice i upravljati transformatorima.
Meni je sad bitno samo da pokrenem jedan kanal.



Vridnost (zastitnog) otpora sa kojim PSUD racuna i koga brojcano iskazuje je zbroj samog zastitnog otpornika + otpor jedne grane sekundara + preslikani otpor primara na tu granu sekundara. Ako je zbroj ovih otpora koji se dobije iztrafa dovoljan prema datasheetu za odabranu ispravljacicu onda ni ne tribaju dodatni zastitni otpornici.

Kod ovog ispravljaca se tesko mogu izbic ovakve razlike napona izmedju praznog hoda i opterecenja jer je nominalna struja potrisnje znatna tako da triba predvidit ili delay ili neki nacin da napon bude smanjen sve dok npr cijevi ne postignu barem neku minimalnu struju pri kojoj napon iz ispravljaca nece bit opasan po elke. Nije to neka komplikacija i u principu se rjesava sa par visokovatnih otpornika, jednim mosfetom i jednim tranzistorom. Ako zelis, lako cu ti posli vecere to skicirat.
Takav sklopic bi bil zgodan jer bi delal skroz automatski i oslobodil te brige oko toga oce li se nesto lose desit ako si zaboravil opteretit ispravljac
Krepat ma ne molat
Avatar
sstrsat
 
Postovi: 1745
Pridružen/a: 04 svi 2011, 18:21
Lokacija: Rijeka

Re: DAH-PSE-12W

PostPostao/la Kaligula » 27 pro 2011, 19:37

sstrsat je napisao/la:Takav sklopic bi bil zgodan jer bi delal skroz automatski i oslobodil te brige oko toga oce li se nesto lose desit ako si zaboravil opteretit ispravljac

Dapaće, stavi da vidim. To vjerovatno radi kao neki limiter napona.
Bit ću zahvalan. U stvari, već sam zahvalan, i to puno, puno!!! :D
Ništa ne radi šta ne znaš kako radi!
Avatar
Kaligula
 
Postovi: 568
Pridružen/a: 04 stu 2011, 04:11
Lokacija: Šibenik

Re: DAH-PSE-12W

PostPostao/la harkonen » 27 pro 2011, 20:34

Dobro, a nisi se nešto pohvalio i ispričao impresije o zvuku na prvoj lampi u životu..... Ne može to tako.
Sve se ovo i radi upravo radi glazbe, pa se moraš i naučiti sad malo i faliti svog konja, kao npr:
....
timbar je upravo nevjerovatan, osjeti se jedino da je na violini pukao lak 2cm gore desno blizu spojišta sa vratom,
dirigent ima male probleme sa probavom, vjerovatno žgaravica, a dubina pozornice je ekspresionistička i tolika da sam mislio da mi neko struže žbuku u podrumu. Gornji registri su žitki i lepršavi, bas utegnut kao pruski vojnik, a sredina poput......

:ugeek:
I'm too old for this s...
Avatar
harkonen
 
Postovi: 2195
Pridružen/a: 04 svi 2011, 14:27
Lokacija: Bjelovar

Re: DAH-PSE-12W

PostPostao/la Kaligula » 27 pro 2011, 20:43

harkonen je napisao/la:Dobro, a nisi se nešto pohvalio i ispričao impresije o zvuku na prvoj lampi u životu..... Ne može to tako.
Sve se ovo i radi upravo radi glazbe, pa se moraš i naučiti sad malo i faliti svog konja

Ja sam jedino posli osjetija da me svrbu uši!! :lol: :lol:

Nee...
Ma nemogu još o dojmovima jer je proradija samo jedan kanal a slušalice san spoija u seriju tako da mi rade na oba uha.
Slušalice jesu sennheiser, ali one male sa micom za skype...
A izvor signala bija iz moje Toshibe koja ima bajnu integriranu zvučnu karticu.
Osjetna je razlika u basu i dinamici, visoki su izražajniji, ali opet kažem MONO :cry: i mučija me oni brum.
Moran tirati Deana. Nestrpljiv sam! :D
Ništa ne radi šta ne znaš kako radi!
Avatar
Kaligula
 
Postovi: 568
Pridružen/a: 04 stu 2011, 04:11
Lokacija: Šibenik

Re: DAH-PSE-12W

PostPostao/la sstrsat » 27 pro 2011, 21:02

Kaligula je napisao/la:Dapaće, stavi da vidim. To vjerovatno radi kao neki limiter napona.
Bit ću zahvalan. U stvari, već sam zahvalan, i to puno, puno!!! :D


Evo crta se i bit ce uskoro
Krepat ma ne molat
Avatar
sstrsat
 
Postovi: 1745
Pridružen/a: 04 svi 2011, 18:21
Lokacija: Rijeka

PrethodnaSljedeća

Natrag na Cijevna tehnika

Na mreži

Trenutno korisnika/ca: / i 4 gostiju.

cron