Odličnjak.
Za nižeohmske naglavnike samo primjeni povratnu vezu i tako smanji impedanciju
izlaza, sa ovim lampama te strujno gledano kao i potrebnim naponskim pojačanjem,
imaš prilično rezerve za ići dosta nisko..... probati svakako.
A za NPV puritance, 6C33 u sljedilu uvijek ostaje kao izbor.
Tri u paraleli, naravno.
Šalu na stranu, za niskoohmske slušalice nema drugog ekonomičnog full cijevnog rješenja,
(dakle, naglasak na ekonomičnost izvedbe, jedan ispravljač,jedna lampa, SE) osim povratne,
trafoa ili katodnog autotrafoa (opet ja!)).
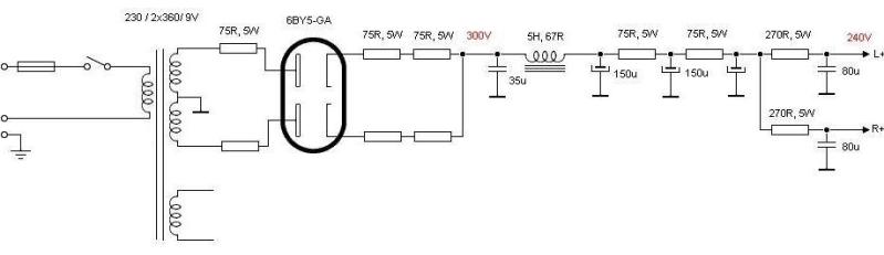
Ispravljač će trajati vječno ovako kako je složen. Ja bi samo ubacio bar jedan blokić i to na
prvom elku(35uF) kao i bleeder od 220K/2W.
Kad se VF smetnje blokiraju odmah na ulazu filterskih članova, kasnije nemaš problema s njima...
Inače, mislim da je ovo jedna od odličnih ideja za prve cijevne samogradnje,
čak i bez cijevne ispravljačice i sa samo RC članovima umjesto prigušnice
će ovo svirati upravo toliko dobro koliko je očekivanje,
a bogami i puno više. A i ne zahtjeva puno para.
K tome Vam još i jedan Dalton, kako reče, stoji na raspolaganju.

I'm too old for this s...