OTL pojačalo - možda...

Re: OTL pojačalo - možda...

PostPostao/la ilimzn » 17 lip 2011, 00:14

U proslom postu stali smo kod ideje da se napon Ug2 regulira posebno za svaku cijev.
Ideja iza toga je manipuliranje karakteristikom cijevi kako bi se ponistile tolerancije medju paralelno spojenim cijevima i postigao dobar balans struja kroz svaku cijev. Valja napomenuti da je problematika balansa najvise uizrazena bas kroz Ig2, jer je struja Ia po prirodi stvari limitirana za fiksni Ug2. Nesto vise o tome kasnije.

Na grafovima u dokumentaciji za PL500/504 se moze naci graf struje anode u odnosu na prednapon resetke G1, za nekoliko fiksnih napona Ug2. Vidi se da za manje napone Ug2 krivulja dobiva pomak prema dolje - maksimalna struja anode uz Ug1=0 se smanjuje sa smanjivanjem Ug2, a isto tako napon Ug1 pri kojem anodna struja pada praktivno na nulu.
Kada se usporedjuju karakteristike razlicitih primjeraka nominalno istih cijevi na istom naponu Ug2 i Ug1, vidi se da su razlike slicne krivuljama iste cijevi s razlicitim Ug2. Upravo iz toga slijedi ideja da se karakteristike cijevi ujednace manipulacijom napona Ug2, sto je razlog zasto se taj napon regulira za svaku cijev posebno. Ovo nije savrsen nacin da se to postigne, no relativno je jednostavan za implementirati, i jako je dobra 'prva aproksimacija'.

U prethodnim postovima date su neke opcenitije sheme za regulatore napona Ug2. Kako bi se ustedilo na ponavljanju uvijek istih sklopova kolio je to moguce, dijelovi zajedncki za sve regulatore su 'izluceni' van izlaznog dijela i preseljeni u ispravljacki dio. Evo ponovno jedne od tih konceptualnih shema:
Mini_OTL_modular_G2reg_simpl.gif
Mini_OTL_modular_G2reg_simpl.gif (8.64 KiB) Pogledano 9919 put/a.

Nacrtana je po jedna polovica modula napajanja (lijevo), na kojem su neregulirani izvori oznaceni kao baterije, i polovica izlaznog modula, dakle samo jedna cijev s regulatorom napona G2 (desno). Izlazni moduli se mogu po volji nastavljati prema desno. Svaka polovica circlotrona ima po jedan set zajednickih dijelova kakav je nacrtan na lijevoj strani sheme. Konkretno radi se o izvoru konstantne struje.

Regulator napona kakav je prikazan, koristi konstantnu konstantnu struju kroz lanac potenciometar-otpor (katodni otpor 1 ohm mozemo za sad zanemariti), da stvara konstantan pad napona na tim otporima, ovisan o podesenom iznosu otpora lamca. MOSFET sluzi kao slijedilo za taj napon, koje ne opterecuje lanac otpor-potenciometar. Dakle, struja koja tece lancem, odredjuje naponsku referencu. Sama konstantna struja je odredjena jednostavnim 'ring-of-two' izvorom konstantne struje, koji na emiterskom otporu izlaznog tranzistora odrzava konstantan napon Ube kontrolnog tranzistora.

Iako je princip u redu, on se temelji na nizu pojednostavljenja:
- Sklop nema ogranicenje izlazne struje, vec samo detekciju pojave prekomjerne struje (ovaj dio nije na slici gore, ali je poakzan na shemi izlaznog modula baziranog na ovakvom regulatoru, gdje se koristi detekcija pada napona na G2 stopperu cijevi pomocu optocouplera). Ovo povlaci niz drugih poslijedica, prvenstveno potrebu da vanjski sklop za zastitu odreagira na detekciju prekomjerne struje prije nego nastane steta. Pojava prekomjerne struje u jednoj cijevi moze samo prouzrociti iskljucivanje cijelog izlaznog stupnja, tj. svih cijevi.
- Strujni izvor kojim se generira naponska referenca za Ug2 je ovisan o temperaturi kontrolnog tranzistora. Srecom, s p[ovecanjem temperature se struja smanjuje a time i svi naponi Ug2, no to komplicira kvalitetno podesavanje izlaznog stupnja jer treba racunati na ovisnost struja s temperaturom, a temperatura opet ovisi o struji preko napona Ug2. U praksi bi trebalo vise puta podesavati cekajuci da se sve temperaturnos tabilizira, no veci je problem sto ta varijabilnost potencijalno povlaci lazna okidanja zastitnih sklopova. Buduci da u OTL-u imamo hrpu topline s kojom se tesko boriti, mozemo ocekivati znacajne razlike izmedju hladnog i toplog stanja, proracun pokazuje za 50 stupnjeva oko 18-20% razlike u naponima Ug2, sto povlaci cak i vece razlike struja kroz cijevi. Buduci da je svaki OTL najvise 'nategnut' upravo kad se radi o raspolozivosti izlazne struje, ovakve tolerancije nisu prihvatljive.
- Vrijeme reakcije zastitnih sklopova mora biti takvo da zastiti ne samo cijevi, vec i same regulatore. Pri tome su cijevi puno manje kriticne radi, u usporedbi s poluvodicima, ogromne toplinske inercije. Cijevi ce s lakocom podnjeti dvostruko topline u intervalima duljine sekunda, kod poluvodica su ti intervali cesto i preko 100 puta kraci. Radi toga bi imalo smisla ugraditi u same regulatore lokalnu zastitu.
- Suprotno gore navedenom, upravo toplinska inercija omogucava da iz cijevi izvucemo 'malo vise' pod uvjetom da se na dugi rok ne prevrsi mjera. Izlazna struja je kod OTL-a najskuplji resurs, i strategiju njenog limitiranja treba pazljivo odrediti - limitiranje zelimo samo onda kad stvarno nema druge. OTL o kojem ovdje raspravljamo je po tom pitanju posebna vrsta, jer za razliku od tipicnih izvedbi koristi i struju Ig2 za pogon opterecenja, tj. zvucnika. S obzirom da je G2 znacajno osjetljivija na preopterecenje od anode, a odnos struje i napona G2 istovremeno odredjuje maksimum anodne struje i sve disipacije, upravo na napon i struju G2 treba posebno obratiti paznju.
- Buduci da u pravilu zelimo izvuci maksimum od svake cijevi, drzeci se njenih limita, namece se zakljucak da se osim naponom Ug2, pojedinacno za svaku cijev, treba manipulirati i maksimumom Ig2 koji dozvoljavamo u radu.

Kada se svi ovi zahtjevi sagledaju zajedno, dolazimo do zakljucka da su zapravo poprilicno povezani.
Zelimo li implementirati strujni limiter za svaku cijev posebno, ako zelimo to jednostavno napraviti, ne mozemo vise koristiti zajednicki strujni izvor za uspostavu napopnske reference za sve cijevi. Umjesto toga, svaka mora imati svoj strujni izvor - no srecom, njegova naponska referenca moze biti zajednicka, ako se odabere drugacija izvedba samog izvora.
Kada vec konstruiramo tako nesto, mozemo se pozabaviti i termickom stabilnoscu te reference.
Nakon toga, za svaki regulator se umjesto detekcije prevelike struje implementira strujni limiter, koji po svom radu podsjeca na prije koristeni ring-of-two strujni izvor. Upravo termicka ovisnost te vrste strujnog izvora nam sada dobro dodje jer mozemo smanjiti maksimalnu struju ovisno o temperaturi cijevi i pomocnih elemenata kao npr. MOSFET slijedila, ako temperatura poraste. Uz to, limiter se moze izvesti tako da stiti i cijev i sam regulator.

Osnovni koncept takvog regulatora napona Ug2 je dat na shemama ispod:
Mini_OTL_modular_G2sup_final_genesis_1.gif

Lijeva shema je unekoliko pojednostavljena tako sto su za reference koristene 'baterije', a naponi i struje nisu eksplicitno naznaceni kako bi se shema bolje vidjela.

Ako pogledamo desno od tih silnih baterija, vidjet cemo vec poznati strujni izvor i lanac potenciometar-otpornik, kao i katodni otpor 1 ohm kojeg ponovno za sada mozemo zanemariti.

Strujni izvor je klasicnija izvedba, kod koje tranzistor MPSW92 odrzava napon na emiterskom otproniku jednak referenci manje Ube - referenca je naizgled neobicnih 3.05V, no kad se od nje oduzme 0.55V tipicnog Ube za zeljenu struju kolektora, dobije se gotovo tocno 2.5V. Pogled na desnu stranu sheme, gdje je prikazana prakticna izvedba, pokazuje zasto bas taj napon - elementi nacrtani crvenom bojom predstavljaju konkretnu izvedbu naponskih referenci, i tu u ulozi reference za strujni izvor nalazimo lako nabavljiv, jeftin i vrlo temperaturno stabilan TL431 shunt regulator, koji se u ovom spoju ponasa kao precizna zener dioda od 2.5V. Dodavanjem diode BAS21 u seriju, na postojecih 2.5V TL431 dodaje se oko 0.55V, sto vrlo dobro odgovara iznosom, i temperaturnim karakteristikama, Ube tranzistora. Time se napon na diodi i Ube prilicno dobro 'pokrate' i na emiteru ostaje prakticno posve konstantnih 2.5V, neovisnih o temperaturi. Kako se taj napon razvija na takodjer temperaturno stabilnom otporu, izlazna je struja kroz kolektor MPSW92 gotovo neovisna o temperaturi. Premda je MPSW92 lociran u bliznii izlaznih cijevi, pa mu je i temperatura veca, promjena napona Ube u milivoltima je vrlo mala u odnosu na napon reference TL431 od 2.5V, pa je time promjena izlazne struje unutar +- 2%, sto je u praksi boje od tolerancije otpornika.

Da se jos malo vratim na desnu shemu, crveno oznaceni elementi su zajednicki za po jednu banku izlaznih cijevi, tj. po jednu polovicu circlotron izlaza. Ovdje je naime neregulirani izvor napon napajanja Ug2 od 240V nacrtan zajednicki za strujni izvor i MOSFET, no u stvarnosti radi koristenja struje Ig2, MOSFET se spaja na 240V neregulirano od suprotne polovice circlotrona. Ovako je nacrtano radi jednostavnosti, i daje iste napone i struje unutar regulatora, kad na izlazu pojacala nema signala.

Pad napona na katodnom otporu je prakticki u zanemarivoj mjeri prouzrocen strujom iz strujnog izvora - katodna je struja barem red velicine veca cak i bez signala a gotovo dva reda velicine veca u pikovima pri maksimalnoj katodnoj struji. Medjutim, kako je lanac potenciometar-otpor spojen izmedju strujnog izvora i same katode cijevi, tuda tece samo struja iz strujnog izvora, pa je napon na njemu konstantan o odnosu na katodu, cime je i napon Ug2 iz regulatora konstantan u odnosu na katodu, kako i treba biti. Napon na katodnom otporu dakle ne mijenja bitno ne utice na Ug2.

Za pojasnjenje ostatka sklopa potrebno je isti dodatno pojednostaviti. Za pocetak, maknut cemo sve komponente osim osnovnog strujnog limitera, zadrzavajuci pri tom referencu u obliku baterije, cime se dobije shema u nastavku:
Mini_OTL_modular_G2sup_final_genesis_2.gif
Mini_OTL_modular_G2sup_final_genesis_2.gif (7.24 KiB) Pogledano 9890 put/a.

S lijeve strane se i dalje vidi neregulirani izvor Ug2, strujni izvor koji generira naponsku referencu za MOSFET sa svojom referencom, i lanac pot-otpor koji odredjuje napon na G pinu MOSFET-a. On je AC-blokiran na katodu cijevi, a odatle se napon preko gate stoppera vodi na MOSFET slijedilo. Do tuda je sklop prilicno uobicajen, no oko MOSFET-a su jos 3 otpora i dodatni NPN tranzistor.

Jedan od otpornika, onaj od 12 ohma, se moze prepoznati kao G2 stopper. To vec naslucuje da promatramo napon na njemu u svrhu mjerenja struje kroz njega, dakle, koristimo ga kao detektor struje iz MOSFET-a prema G2, i to tako da je preko otpornika na njega spojen B-E NPN tranzistora. Kolektor je spojen tako da pojavom napona Ube>~0.55V na G2 stopperu, tranzistor pocinje voditi izmedju kolektora i emitera, itime odvlaciti struju iz strujnog izvora prema G2. Kako sada manje struje ostaje za lanac pot-otpor, na njemu se pad napona smanjuje, a kako izlaz preko MOSFET-a slijedi taj napon, time se smanjuje i napon na izlazu sklopa. Ideja je, naravno, da se smanjenjem napona Ug2 kontrira povecanju struje kroz G2 stopper, tj. da se pad napona na njemu, a time i struja Ig2, drzi konstantnom.

No, sjetimo se da je izlazna struja najskuplji resurs. Zasto uopce limitiramo struju G2? Sama struja je pozeljna, ono sto nije pozeljno, je zagrijavanje G2 koju ta struja stvara prolaskom kroz cijev sa G2 prema katodi. A limit za to je kao maksimum disipacije G2, sto je umnozak napona Ug2 i struje Ig2. No, ako nas limiter smanjuje napon uz kako bi odrzao istu struju, to znaci da smanjuje i disipaciju G2, sto nam nije u interesu - umjesto da limitira struju, bilo bi bolje da limitira disipaciju.

Sklop koji bi ovo radio bi trebao sa smanjenjem Ug2 dopustati proporcionalno povecanje Ig2, pri cemu bi umnozak, tj. disipacija, ostala manje-vise konstantna. Pazljiv ce promatrac uociti da sklop ima jedan dodatni element u odnosu na klasicni strujni limiter - a to je emiterski otpornik za NPN tranzistor. Tipicno je prisutan samo bazni otpornik, i sluzi za limitiranje bazne struje. U nasem konkretnom slucaju, sklop djeluje s zadrskom radi postojanja AC blok kondenzatora kojeg treba isprazniti kao dio procesa limitiranja struje. U tom intervalu mogu se pojaviti nesto visi naponi na G2 stopperu, i bez baznog otpora bi struja baze mogla postati prevelika. No, sto je s emiterskim otporom?

Njegova je uloga da smanjuje strminu tranzitora i ujedno time cini napon praga vise ovisnim o struji kroz tranzistor. Naime, da bi se postigao odredjen pad napona na izlazu, potrebno je odvesti odredjen dio struje iz strujnog izvora prema izlazu. Cim veci pad napona zelimo u odnosu na pocetni, to veci dio struje treba odvesti. Povecanje te struje zahtijeva i povecanu struju baze, sto povlaci povecanje potrebnog napona na G2 stoperu, no uz tipicna pojacanja tranzistora, to j epovecanje vrlo malo.
Emiterski otpornik zapravo smanjuje pojacanje tranzistora, kako bi potreban pad napona na G2 stopperu rastao proporcionalno padu izlaznog napona, cime se umnozak struje kroz otpor i izlaznog napona pokusava odrzati konstantnim. Odabir otpora je takav da unutar podesivog opsega napona Ug2 umnozak Ig2 i Ug2 iz sklopa ostaje prilicno konstantan, kao sto pokazuje graf u nastavku. Ovdje slijedi i mala napomena - slicno se moglo postici povecanjem baznog otpora, no potrebna bi vrijednost bila toliko velika da bi jako usporila brzinu reakcije sklopa, cineci s ulaznim kapacitetom tranzistora niskopropusni filter, a k tome bi vrijednost jako ovisila o konkretnom tranzistoru i temperaturi. Valja jos reci da ovakav princip rada lako izvediv samo u slucaju da se referentni napon koji slijedi MOSFET generira strujnim izvorom.

Mini_OTL_modular_G2sup_final_UI1.gif
Mini_OTL_modular_G2sup_final_UI1.gif (6.2 KiB) Pogledano 9890 put/a.

Na X osi dijagrama nalazi se napon Ug2, a na Y osi disipacija.
Zuta krivulja je disipacija na G2, dok je zelena krivulja snaga uzeta iz nereguliranog izvora 240V.
S desne strane grafa je bijelom okomitom linijom ugranicena lijeva strana tamno plavog podrucja, ta linija oznacava Ug2=170, a ogranicenje s desne strane je Ug2=210V, na kojem i zavrsava graf. Tamnoplavo podrucje je disipacija G2 u podesivom opsegu Ug2. kao sto se vidi, vrh tog podrucja nije sasvim ravan, sto bi odgovaralo konstantnoj disipaciji, no odstupanje nije veliko. Maksimum disipacije je oko 10W i od Ug2=170 do Ug2=210V odstupa +-0.2W. Naizgled velika maksimalna disipacija je zapravo dva puta staticki limit, s kojim smo racunali jos na onom prvom grafu s limitima cijevi. Mnostvo simulacija je pokazalo da je dinamicka disipacija za normalne signale uz ovaj limit zasita vrlo blizu polovici tog limita, dakle jednaka statickom maksimumu, cime smo u granicama propisanim za cijev.

Tamnocrveno podrucje oznacava razliku disipacije G2 i snage uzete iz nereguliranog izvora, tj. sve sto se mora potrositi na elementima sklopa, i poglavito na MOSFET-u. Ovdje vec imamo velikog razloga za zabrinutost. Graf pokazuje da za Ug2=0V, tj. G2 izlaz u kratkom spoju, unatoc tome sto je struja limitirana, sisipacija na MOSFET-u doseze nedopustivo visokih 21.5W! Ovako neto MOSFET moze izdrzati samo s jako velikim hladilom, ili vrlo kratko. U stvarnosti je pozeljno NPN tranzistor za limitiranje struje locirati blizu MOSFET-a cime zagrijavanje MOSFET-a zagrijava i tranzistor, smanjujuci mu napn praga a time i disipaciju u kratkom spoju na nesto vise od polovice recenih 21.5W, no i to je puno previse. Ovo je doduse ekstremni slucaj, i upucivalo bi na katastrofalno unistenu cijev, sto odmah povlaci pitanje vjerojatnosti tog scenarija, ako vec unaprijed postoji zastita protiv prevelike disipacije - cak se na dijagramu vidi, da ako se i dalje nastavi krsiti limit disipacije bez obzira na pad Ug2, granica koju dopusta sklop prema sve nizim Ug2 nakon inicijalnog rasta pocinje padati, sto upucuje na jednu vrstu pozitivne povratne veze, radi cega bi napon Ug2 trebao pasti na izos koji cijev moze izdrzati 'beskonacno'. Osim toga, stvarni Ig2 ovisi o Ug1, tj ulaznom signalu, a on je ipak izmjenicini i ne moze stalno uzrokovati maksimalnu struju, pa bi time stvarna disipacija i G2 i MOSFET-a bila mnogo manja od ovako proracunate statike.

Ipak, pitanje scenarija unistenja ili pregrijavanja cijevi ili regulatora je itekako na mjestu. Dva su tipicna slucaja o kojima treba voditi racuna:

1) Tipican problem pentodnog OTL-a je ispad opterecenja. Proracun ovog OTL-a bazira se na tome da je izlazna struja limitirana a promjena napona anode vrlo mala jer je radni pravac vrlo strm. Naponi napajanja i strujni limiti se racunaju tako da se kod maksimuma struje struja sama limitira prirodom rada pentode - linija opterecenja sijece anodnu struju za Ug=0 na tocki iznad koljena karakteristike, dakle iznad anodnog napona na kojem struja anode pocinje uz isti Ug1 i Ug2 padati, a struja Ig2 naglo rasti. Napon anode ne pada jednostavno zato jer je to napon napajanja minus napon na opterecenju - kako je opterecenje niskoohmsko, na njemu je tek mali dio napona napajanja. Stovise, u ovakvom sklopu kratki spoj je nesto sto u pravilu ne predstavlja problem. No sto ako opterecenje nekako postane visokoohmsko? U tom slucaju, radni je pravac polozen(iji) i sjece anodne krivulje ispod koljena, tj. napon u pri nekoj amplitudi ulaznog signala pada na niske vrijednosti, tamo gdje je struja anode limitirana, a struja Ig2 naglo raste. Limitiranje anodne struje po samoj prirodi rada pentode automatski stiti anodu od pregrijavanja, a ovakav jednostavan sklop kao gore bi limitiranjem disipacije G2 zastitio i nju, no rezultirajuci Ug2 bi mogao postati u tim trenucima toliko nizak da bi disipacija na MOSFET-u regulatora debelo zasla u previsoke vrijednosti, dakle prema lijevoj strani crvene povrsine grafa iznad.
Ovakve su situacije zapravo prilicno ceste, ali traju vrlo kratko, i dogadjaju se kada frekvencija izlaznog signala pada u podrucje gdje teret na izlazu ima povecanu impedanciju u odnosu na nominalnu - dobar primjer je bilo kakav zvucnik s izrazenim rezonantnim pikovima u impedanciji, sto ce reci velika vecina. Ipak, u tom slucaju se problem dogadja samo u pikovima amplituda pa se u 'opsani' dio krivulje zadire u vrlo kratkim intervalima, na dugi rok disipacija ostaje u sigurnim granicama. No, odspajanje zvucnika bi vec za minimalan ulazni napon na izlazu generiralo visok napon tjeranjem radne tocke do ruba karakteristike Uak, i time zakucalo disipaciju MOSFET-a na maksimum, cak i s povratnom vezom koja je kod ovakvog OTL-a potrebna, i limitira hod izlaznog napona.

2) Drugi tipican primjer je efektom slican prethodnom i posebno je relevantan u svjetlu odabira konkretnih izlaznih cijevi - ispad kontakta anode (kapice). U tom slucaju napon Uak automatski postaje nula, a SVA struja kroz cijev tece kroz G2. Cijev se reducira na triodu kojoj je G2 zapravo anoda. Problem je sto i u stanju bez signala, struja koja bi tekla G2 debelo premasuje dozvoljeni maksimum, radi toga sto je Ug2, tj. u ovom slucaju 'anodni' napon visokih 190V nominalno (za razliku od 80V anodnog napona). Pogled na grafove pokazuje da uz Ug1=0V kroz anodu mozemo protjerati do 780mA pri 190V, premasujuci dozvoljenu disipaciju za nekih 600% - u stvarnosti je ovo posve nemoguce s obzirom da je napon u anodnom krugu 80V, a struja oko 700mA, pa je i maksimum disipacije nekih 250% statickog maksimuma. No, uz Uak=0V, a Ug2=190V, struja kroz G2 je 500mA, disipacija je premasena za spektakularnih 1900% na elementu koji je mnogo manji i ima puno manju termicku inerciju, i jos se nalazi izmedju vruce katode i vruce anode, koja smeta za direktnu radijaciju te silne topline u prostor. Rezultat: jednako spektakularno unistenje cijevi u intervalu od cca sekunde, hrpa internih kratkih spojeva i tko zna kakve dodatne stete. Srecom, to bi bilo samo u pikovima signala pa je proces usporen, no cak i bez signala dobiva se staticka disipacija od 19W, gotovo 400% iznad dozvoljene. Ovaj primjer zorno pokazuje koliko je kriticno dobro zastititi G2, cime se de-facto automatski dobiva zastita anode.
Kada se jednostavan sklop s gornje slike simulira u takvim uvjetima, on bi se vec u stanju bez signala nalazio u podrucju rada koje bi u kratkom vremenu skuhalo MOSFET.

Kako rijesiti ovaj problem, i istovremeno zastititi i cijev i sam regulator? Evo jednog rijesenja u nastavku:
Mini_OTL_modular_G2sup_final_genesis_3.gif
Mini_OTL_modular_G2sup_final_genesis_3.gif (10.31 KiB) Pogledano 9890 put/a.

U postojecu shemu je dodan jedan otpor i jedna dioda, koji dolaze s dodatne reference od 90-100V. Dioda pocinje voditi kada razlika napona izmedju ulaza i izlaza regulatora predje tih cca 90-100V i s daljnjim povecanjem razlike stvara pad napona na baznom otporu tranzistora u strujnom limiteru, koji se dodaje na napon na G2 stopperu, cime se struja potreba za aktiviranje limitiranja smanjuje. Drugim rijecima, kada napon na MOSFET-u predje neku granicu, forsira se pad sruje kroz MOSFET s povecanjem napona na MOSFET-u kako bi se limitirala disipacija na MOSFET-u. Ta je granica tako odabrana da se vrlo rijetko pojavluje u normalnom radu OTL-a (npr samo u hard clippingu), vec jedino pri prelasku radne tocke ispod koljena karakteristike pentode, sto ukljucuje i scenarij ispada anodne kapice. U ovom podrucju rada sklop ima jednu formu pozitivne povratne veze, tako da pad napona na G2 uzrokovan limitiranjem prouzrocuje sve vece limitiranje, a time i daljnji pad napona itd, sve dok se ne pronadje tocka ravnoteze. Poanta sklopa je da se ta tocka ovako forsira u podrucje rada gdje je disipacija i MOSFET-a i cijevi svedena na sigurnu mjeru, cime se cuva integritet rada sklopa, pa dovedeni ulazni napon jos i dodatno smanjuje sve disipacije.

Karakteristika limitiranja snage za usavrseni sklop izgleda ovako, s jednako oznacenim velicinama kao na prethodnom grafu:
Mini_OTL_modular_G2sup_final_UI2.gif
Mini_OTL_modular_G2sup_final_UI2.gif (6.22 KiB) Pogledano 9890 put/a.

Kao sto se vidi, plavo podrucje limitiranja Pg2 je ostalo isto, a crveno podrucje koje pokazuje disipaciju MOSFET-a se prelaskom pada napona na MOSFET-u preko 90-100V s padom napona smanjuje. U normalnom radu se radna tocka krece u podrucju ispod te granice (od vrha zelene krivulje desno), a u slucaju da se ta granica predje s muzickim signalom i stvarnim opterecenjem (sto je moguce kod forsiranja u clipping) nastaje pojava tzv. foldback-a gdje dio valnog oblika bude 'odsjecen' na puno manju mjeru dok signal ne prodje kroz nulu.

Ono na sto je potrebno paziti kod ovakvog sklopa je moze li se regulator uoce startati od nule. Da bi se to odredilo potreban je graf izlazne struje u odnosu na izlazni napon:
Mini_OTL_modular_G2sup_final_UI3.gif
Mini_OTL_modular_G2sup_final_UI3.gif (5.82 KiB) Pogledano 9890 put/a.

Kao sto se vidi, postoji podrucje za vrlo niske napone Ug2 pri kojem je struja Ig2 ogranicena na vrlo nisku vrijednost, oko 2-3mA. Konkretno, radi se o struji strujnog izvora i otpornika za generiranje foldback efekta (56k). Tako dugo dok je struja cijevi za napone Ug2 do 30V i Ug1 za datu struju mirovanja ispod tih 2mA, a ne raste preko limita s daljnjim povecanjem napona Ug2, sklop ce se startati korektno. Prelaz limita bi inace vratio Ug2 prema nize i poslijedicnim smanjenjem limita nastavio tako do neke tocke ravnoteze daleko ispod zeljenog nominalnog napona Ug2 koju se ne bi moglo prijeci. Sama referenca za sve strujne izvore kojima se odredjuje Ug2 ima usporeni start, a ni izvori za napone anodnih i Ug2 krugova ne mogu se pojaviti trenutno, tako da je korektan start prakticki garantiran ukoliko korisnik nije podesio puno pretjeranu struju mirovanja, sto je jos jedna forma zastite (iako se nikad ne mozes zastititi do kraja od budala). Za svaku sigurnost moze se implementirati i polagano uspostavljanje prednapona Ug1, tako da je do aktiviranja napajanja izlaznog stupnja on maksimalno negativan, a onda polako raste prema vrijednosti podesenoj za zeljenu struju mirovanja.

Vratimo se sada jos malo na pocetak, pa cu ponoviti shemu kompletnog sklopa:
Mini_OTL_modular_G2sup_final_genesis_1.gif

Konkretno, obratimo sada paznju na desnu shemu, koja odgovara finalnoj verziji. Crveni dio sklopa, kao sto je vec receno, ne nalazi se na modulima izlaznih stupnjeva, vec postoji po jedan zajednicki za sve module u jednoj polovici circlotrona. logicno, nalazi se uz napajanja za tu polovicu. Po volji, sama napajanja se mogu dodatno stititi lokalnim sklopovoma, iako bi osigurac na primaru trafoa trebao biti sasvim dovoljan.

U odnosu na konceptualnu verziju, dodana je i zastitna zener dioda izmedju G i S MOSFET-a. Iako je mala vjerojatnost da je zaista i potrebna, kod pojave VF signala moze zastititi MOSFET jer se radi spore reakcije uzrokovane AC-blok kondom 10nF, moze tamo pojaviti napon veci od dozvoljenih 20V.
Sam kondenzator je potreban ne samo radi smanjenja uticaja ulaznog kapaciteta MOSFET-a, s obzirom da su sklopovi koji generiraju napon za gate MOSFET-a prilicno visokoimpedantni, vec je ujedno i frekventna kompenzacija za cijeli sklop. Tko je pazljivo pratio, vjerojatno je primijetio da u jednom podrucju rada sklop pokazuje porast limita struje s padom napona, sto je odlika negativnog otpora - nekakav element s vremenskom konstantom na krivom mjestu u takvoj situaciji od sklopa moze napraviti oscilator.
Uticaj kondenzatora je vidljiv na grafovima snage vs. napona, kao i struje vs. napona, linije su dvostruke radi punjenja i praznjenja kondenzatora (jedna linija kada se napon povecava, druga kad se smanjuje).

Strujni izvor koji generira naponsku referencu za Ug2 je lokalan, po jedan za svaku cijev. Razlog tome je sto ne zelimo da limitiranjes struje u jednoj cijevi utice na druge cijevi variranjem Ug2, s obzirom da ce se u stvarnom sklopu Ug2 od cijevi do cijevi razlikovati, a time i konkretni uvjeti pri kojima se Ig2 pojedinacne cijevi limitira.

Naponska referenca za struje nizvore, a time i opseg regulacije Ug2 je ucinjen relativno termicki neovisnim. Na desnoj je shemi dat puni opseg napona Ug2, ovisno o krajnjim polozajima potenciometra za regulaciju. Kao sto se vidi, mogu se podesiti naponi i i zvan zeljenog podrucja od 170-210V, prvenstveno radi dijagnostike. Cijevi koje zahtijevaju znacajno vise od 190V bi trebalo smatrati slabima, a suprotni ekstrem prvenstveno sluzi kao default pozicija prije podesavanja balansa cijevi. Jedan razlog zasto je opseg podesenja dosta sirok, je i nepoznanica kako se ponasaju razne cijevi koje su slicne i 'kompatibilne' s PL500/504, uglavnom ruskih proizvodjaca. Premda PL500/504 za sada nisu pretjerano skupe, upotreba u OTL-ima je recimo od PL509 nacinila premium cijev, pa vise izbora po pitanju tipa i cijene cijevi nije na odmet.

U svim gornjim racunima i simulacijama su limiti snage disipacije su tako postavljeni da se pri normalno ocekivanim strujama i naponima pouzdajemo u stvarni karakter signala koje pojacalo pojacava. Proracuni su napravljeni za kontinuirani sinusni signal, sto u stvarnosti nikad nije slucaj u duljem intervalu, ali se moze smatrati najgorim slucajem, pa je time dobiven dodatni stupanj sigurnosti.
Ekstremno velik odnos maksimalne i srednje snage u audio signalima zapravo ce sniziti disipaciju popratnih elemenata kao sto su npr. regulatori Ug2, na tek dio staticke disipacije, a kontinuirani sinus na oko pola maksimalne vrijednosti. Pri proracunu se koristila prilicno visoka struja mirovanja od 200mA po cijevi, kakva je potrebna za puni hiperbolicki nacin rada, bez preskocnih izoblicenja do pune snage, u tim uvjetima anodna disipacija cijevi je uvijek blizu statickog maksimuma. Snizenjem struje mirovanja se disipacija smanjuje vise nego sto bi smanjenje struje mirovanja dalo naslutiti, pa se isplati implementirati i takav mod rada - ovo je ujedno i najjeftinije izvediv 'stedni mod' s obzirom da se u praksi svodi na premostavanje jednog otpora ili potenciometra prekidacem.

U vezi odredjivanja limita s kojima sklopovi rade, postoje dvije politike izvedbe sklopa:

a) Izvedba bez vremenskih konstanti, s limitima postavljenima tako da se u normalnom radu ne predje maksimum disipacije, foldback zastita je postavljena tako da je osiguran ispravan start i zastita od kratkog spoja G2. Simulacije su pokazale da je maksimalni limit disipacije za G2 u tom slucaju, kao sto je bilo grubim racunom predvidjeno, oko dvostruko od dozvoljene staticke disipacije, i takav je sklop dat u razmatranju gore. Kao sto je vec receno, anodna disipacija jako dobro prati limite postavljene na G2.

b) Izvedba s vremenskim konstantama, s limitima postavljenim tako da dugorocno nema prelaska maksimuma disipacije. Foldback zastita se ponasa po istom pravilu kao i u izvedbi a) s time da je korigirana uzevsi u obzir povisene kratkorocne limite. Vremenska konstanta reakcije limitera osigurava ispravan start podizanjem limita prilikom ukljucenja. Ovakva izvedba sklopa zahtijeva dva dodatna elementa (otpor i kondenzator) za podesenje vremenske konstante reakcije i odnosa dugorocnog i kratkorocnog limita. Dugorocni limit se za prakticne vremenske konstante postavlja na maksimum staticke disipacije, kratkorocni je oko 3-4 puta veci, ovisno o vremenskoj konstanti. Mane ovog sklopa osim manje dodatne kompleksnosti su velicine kondenzatora - radi se o kapacitetima izmedju 1000 i 2200UF, sto znaci da kondenzator treba biti elektrolitski. Problem je njegovo smjestanje u blizinu komponenti koje se poprilicno zagrijavaju, cijevi i MOSFET-a. Cak ni s tako velikim kondenzatorima vremenske konstante nisu velike, radi se o intervalima 0.5-1 sekundi, koji su dovoljni za reprodukciju kratkorocnih pikova ali nedovoljni za neku elektroniku s puno basa i sl. Dodatni je problem tolerancija kapaciteta a time i vremenskih konstanti medju pojedinacnim cijevima, sto moze dovesti do nepredvidljivih varijacija u limitiranju a s time i kratkotrajnih pojava DC offseta i sl.
Radi toga je za finalnu verziju ipak odabranjednostavniji sklop koji ne izvlaci apsolutni maksimum iz cijevi ali se zato ponasa ujednaceno za bilo kakav signal.

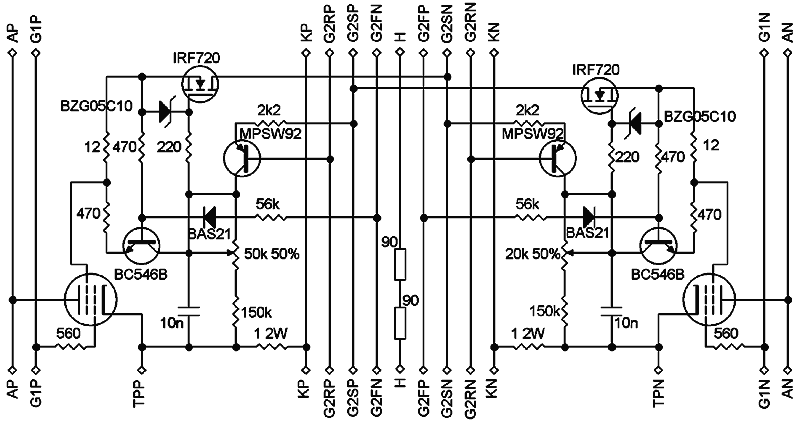
Ovim smo stigli i do finalne verzije izlaznog modula:
Mini_OTL_modular_output_final.gif

Na shemu su ucrtane cijevi, regulatori, i svi signali koji su potrebni da bi to radilo, ukljucivo i grijanje cijevi. Grijaci su oznaceni kao dva otpora od 90 ohma u seriju, dakle grijaci cijevi u paru su serijski spojeni, tako da vadjenje ili prekid grijanja jedne cijevi u paru automatski gasi drugu, kako bi se ocuvao balans struja.

Osim vec poznatih KP, KN, G1P, G1N, AP i AN signala, koji odgovaraju K, G1 i A po jedne pentode u paru, sada imamo i G2RP/G2RN, naponsku referencu za strujne izvore, izvedenu kao na shemama iznad, te G2FN/G2FP, referencu za foldback mod, koja se nastavlja na naponsku referencu za strujne izvore, i moze se po volji postaviti odgovarajucim brojem i vrstom zener dioda, tipicno na 90-100V ispod nereguliranog napona napajanja za G2, koji se dovodi na G2SP/G2SN respektivno.

Mjerenje struje kroz katodu cijevi se vrsi indirektno, ocitanjem napona s 1ohm otpora izmedju KP i TPP te KN i RPN pinova.

Moduli se mogu dodavati spajanjem jedni na druge ispod ili iznad, pri cemu se grijanja automatski spajaju u seriju. Ako se zeli implementirati stedni mod s manje parova cijevi, tada je na namotima za grijanje potrebno napraviti odgovarajuce izvode, i preklapati ih s kraja do nekod mjesta spoja medju modulima, vec prema tome kako zelimo rasporediti parove cijevi.

U slijedecem nastavku, ispravljaci za izlazni stupanj...
Zadnja izmjena: ilimzn; 22 lip 2011, 00:38; ukupno mijenjano 2 put/a.
ilimzn
Iron Man
 
Postovi: 979
Pridružen/a: 05 svi 2011, 13:39

Re: OTL pojačalo - možda...

PostPostao/la ilimzn » 21 lip 2011, 22:04

Edit, napravljena poveca revizija posta iznad, ispravci prethodnih te dodatni postovi slijede kako cu naci vremena pa da se tema dovede do kraja.
ilimzn
Iron Man
 
Postovi: 979
Pridružen/a: 05 svi 2011, 13:39

Re: OTL pojačalo - možda...

PostPostao/la LesFaul » 30 lip 2011, 15:04

Evo Zdravko jos materijala ako nisi i na ovo vec nabasao:

http://knob.planet.ee/amps/haunebu/
Hebeš ampa ak' je bez lampa!
Avatar
LesFaul
 
Postovi: 567
Pridružen/a: 06 svi 2011, 09:41
Lokacija: Sydväst

Re: OTL pojačalo - možda...

PostPostao/la Edison » 30 lip 2011, 15:43

LesFaul je napisao/la:Evo Zdravko jos materijala ako nisi i na ovo vec nabasao:

http://knob.planet.ee/amps/haunebu/


To je u principu pojacalo iz prvog posta u ovoj temi, samo sto ga je ovaj napravio poput leteceg tanjura... :roll: Meni se ne svidja...
Čovječe pazi da ne ideš malen ispod zvijezda!
Avatar
Edison
 
Postovi: 1180
Pridružen/a: 04 svi 2011, 21:32
Lokacija: Rijeka

Re: OTL pojačalo - možda...

PostPostao/la harkonen » 30 lip 2011, 19:28

Ne bi bilo loše staviti iznad njega kotao, iz kotla da ide cijev u spiralu koja je u bačvi sa hladnom vodom i
iz nje polako teče .... SE destilator, model 6c33OTL :-)
I'm too old for this s...
Avatar
harkonen
 
Postovi: 2195
Pridružen/a: 04 svi 2011, 14:27
Lokacija: Bjelovar

Re: OTL pojačalo - možda...

PostPostao/la Khadgar2007 » 30 lip 2011, 19:49

Takav bi model mogao zanimati Bepu ili Zmajza. ;)
"Nakon prve čaše vidite stvari onakvim, kakve bi vi htjeli da budu. Nakon druge vidite ih onakvim, kakve nisu. Na kraju ih vidite onakvim, kakve zaista jesu, što je najgora stvar na svijetu."
Avatar
Khadgar2007
 
Postovi: 2488
Pridružen/a: 05 svi 2011, 16:44
Lokacija: Sisak

Re: OTL pojačalo - možda...

PostPostao/la sstrsat » 30 lip 2011, 20:55

harkonen je napisao/la: i iz nje polako teče .... SE destilator, model 6c33OTL :-)


Ca su vec pocele pripreme za snimanje (nastavka) filma "DHT - on the road again"? :lol: :lol: :lol: :lol: :lol: :lol:
Krepat ma ne molat
Avatar
sstrsat
 
Postovi: 1745
Pridružen/a: 04 svi 2011, 18:21
Lokacija: Rijeka

Re: OTL pojačalo - možda...

PostPostao/la harkonen » 30 lip 2011, 21:00

A čuj, i ti imaš neku opremu za dvostruki destilator! :-)
I'm too old for this s...
Avatar
harkonen
 
Postovi: 2195
Pridružen/a: 04 svi 2011, 14:27
Lokacija: Bjelovar

Re: OTL pojačalo - možda...

PostPostao/la sstrsat » 30 lip 2011, 21:03

harkonen je napisao/la:A čuj, i ti imaš neku opremu za dvostruki destilator! :-)


Pa je, nije da tu ne bi bilo dosta tepline za destilator. :lol:
Steta ca danas ni Chicago 30-ih godina kad su takve djelatnosti bile izuzetno cijenjene i trazene (iako malcice ilegalne :lol: :lol: )
Krepat ma ne molat
Avatar
sstrsat
 
Postovi: 1745
Pridružen/a: 04 svi 2011, 18:21
Lokacija: Rijeka

Re: OTL pojačalo - možda...

PostPostao/la harkonen » 30 lip 2011, 21:10

Zvali bi te Lucky Sstrsatiano. :-)


Al Harkone
I'm too old for this s...
Avatar
harkonen
 
Postovi: 2195
Pridružen/a: 04 svi 2011, 14:27
Lokacija: Bjelovar

PrethodnaSljedeća

Natrag na Cijevna tehnika

Na mreži

Trenutno korisnika/ca: / i 2 gostiju.