Kako na forumu jos nismo imali temu o toj spravi a upravo sam se uvatil razvoja jednog kompresora koji bi tribal u najvecoj mjeri zaobic (mozda bolje rec minimizirat) neke objektivne mane koje su inherentno svojstvo svih kompresora onda nije losa prilika da se kaze poneka ric i o kompresorima. U ovoj temi ce se razmatrat cijevni, potpuno analogni kompresori. Postoje naravno danas i neki drugi pristupi kompresiji signala bazirani na upotribi digitalije i procesora ali oni nisu subjekt ove teme. Da li je za finalne rezultate rada kompresora bolji tradicionalni (analogni) pristup ili digitalizirani pristup moze bit stvar dugacke diskusije koja ionako ne bi dovela do nikakvog konsenzusa tako da se uopce ne mislin zamarat oko dokazivanja koji je pristup bolji. Oko toga cu rec samo da cinjenica da cijevni kompresori tamo negdi iz 60-ih godina postizu na ebayu enormne cijene od par tisuca eura ponesto govori sama za sebe.
Ovakvu temu je po mom misljenju mozda najbolje zapocet prikazom principa rada koji koristi najveci broj kompresora i na tom primjeru vidit di su im slabije tocke i koje su mogucnosti za poboljsanje.
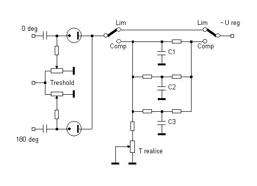
Kompresori su, moze se rec, sklopovi koji su izvedeni iz vrlo starog principa automatske regulacija pojacanja koja se vec 30-ih godina pocela koristit u radio prijemnicima. Tu se u osnovi radi o tome da se u signalnom lancu postavi neki element kome se pojacanja (ili slabljenje, svejedno) moze elektronski (najcesce naponski) regulirat a napon za regulaciju se dobiva ispravljanjem I filtriranjem signala na izlazu iz signalnog lanca kako je to prikazano na sliki 1. Naravno, nije bas sve isto u kompresoru i AGC sklopu i medju njima postoje i znacajne razlike.
Ovakav sistem se moze u neku ruku smatrat ka sistem sa jednom vrstom povratne veze mada bi tu bili ipak ispravnije govorit o jednoj vrsti servo sistema jer je ovdi djelovanje “povratne veze” neminovno podlozno odredjenom kasnjenju zbog ispravljaca i njegovog filtera.
Ovakav sistem ima jako dobru stranu da je u stanju obradit jako veliki dinamicki opseg ulaznog signala (bez ikakve manualne intervencije) i cinjenica je da je ogromna vecina kompresora iz zlatne cijevne ere bazirana uglavnom na tom principu. Da li je takav pristup bas najbolji moze se diskutirat i to je stvar gledista onoga koji se upusta u takve konstrukcije. Osobno, ja dajem prednost , nazovimo ga tako, polumanualnom sistemu kod koga je “bocni lanac” (pojacalo koje daje dovoljni nivo signala potriban za ispravljanje i regulaciju varijabilnog elementa) izvucen izvan petlje serva / povratne veze i di ta petlja vise ne postoji. Mislin da mogucnost dinamicke obrade od 60, 80 i vise dB zapravo i ni potribna (kompresor ionako do nekog “praga”radi ka najobicnije linearno pojacala a tek nakon tog “praga” on pocinje smanjivat pojacanje) i da je nekih 20-ak dB i vise nego dovoljno. A eliminiranjem servo petlje eliminiraju se i sve one “lipe”stvari koje su njezin neizbizni pratilac (razna istitravanja itd).
Tipicni kompresori koriste uglavnom PP pojacala koje daju i vise od 15-ak vata snage (a ne bi skodilo da daju I vise). Potriba za tolikim snagama izgleda na prvi pogled pretjerana i nelogicna ali ima itekako razloga zasto su tako napravljeni. Bez obzira ca se upravljanje varijabilnog pojacala vrsi prakticno cisto naponom, pojacalo ”bocnog lanca”” ipak mora davat poprilicnu snagu a razlog za to lezi u vremenskim konstantama kompresora. Tu imamo ”attack time” i ”release time” ka dvi vremenske konstante sa suprotnim zahtivima.
”Attack time” je zapravo vrime reakcije ili vrime za koje kompresor pocima smanjivat pojacanje I to vrime mora bit cim krace jer u suprotnom slucaju kompresor uopce ne bi imal kontrolu nad brzim tranzijentima koji bi tada kroz njega prosli nekomprimirani a time bi kompresor zapravo izgubil svoju glavnu svrhu. Idealno bi bilo da je ”atack time” jednako nuli ali u praksi to ipak ne ide. Za dobro se u principu smatra ako je postignuto da to vrime bude krace od 1 mS.
Attack time je direktno vezano sa raspolozivim strujama za punjenje kondenzatora u filteru ispravljaca u regulacionom lancu I jasno je da ce vece raspolozive struje (veca snaga pojacala u bocnom lancu) omoucit brze punjenje kondenzatora I dobivanje raceg attack time
”Release time ” je vrime koje je potribno da se kompresor nakon nestanka signala iz “bocnog lanca”vrati u stacionarno stanje i koliko ono triba bit ovisi ponajvise o vrsti glazbenog signala (i iskustvu tonskog tehnicara) koji prolazi kroz kompresor a u nekim slucajevima se javljaju zahtivi da njegovo trajanje bude i nekoliko sekundi.
I tu lezi kvaka 22, obadvi ove vrimenske konstante su vezane za filter ispravljaca nakon pojacala u “bocnom lancu”. Da bi se ostvarili zahtivi za dugackim “release time”, moraju kondenzatori u filteru ispravljaca imat prlicno velike vridnosti a cim su te vridnosti vece to je teze ostvarit cim kraci ”attack time”. Jasno, brzo punjenje kondenzatora stavlja zahtiv ispravljacu da mora bit u stanju dat podosta struje. Tako da koristenje pojacala velike snage u “bocnom lancu”postaje sasvim logicno. To ca je ovo pojacalo najcesce izvedeno ka PP je lako objasnjivo jer se kod PP pojacala lakse postize veca snaga nego kod SE pojacala. A i zahtivi za izlaznim transformatorom u PP pojacalu su puno manji nego u SE pojacalu.
Idemo dalje, sam regulirani (varijabilni) stupanj je uglavnom izveden ili sa eksponencijalnim cijevima kojima se prominom prednapona u sirokim granicama minjaju parametri (strmina, unutrasnji otpor i factor pojacanja) pa se time ujedno minja I pojacanje tog stupnja ili sa optickim pristupom kod kojega DC signal iz “bocnog lanca” upravlja izvorom svitla (LED, luminscentni panel, sijalica itd) a jacina svitla utice na otpor fotootpornika koji je “dolnji”otpornik u djelilu napona.
Odredjene mane postoje i kod jednog i kod drugog pristupa. Eksponencijalna cijev je vec po samoj svojoj prirodi nelinearni element i jasno je da ce se kod nje javit veliki broj THD produkata. To ce bit jos i vise izrazeno u ostrijim prijelaznim stanjima ka ca je npr nailazak jakog tranzijenta. A opticki sistem, iako je na prvi pogled lisen nelinearnosti, u praksi moze i on unit itekako znacajne nelinearnosti. Nije ni pretvorba kontrolnog signala u svitlo a ni pretvorba svitla u otpor/napon bez nelinearnosti.
Opticki sistem moze u nekim slucajevima pruzit prednost u postizavanju “prirodno duzeg” release time zbog samih karakteristika (perzistencije) elektrooptickih elemenata ali to je jako vezano sa konkretnom konstrukcijom lumiscentnog panela / fotocelije tako da bez mogucnosti nabave elektrooptickih elemenata sa tocno definiranim karakteristikama nima previse smisla bazirat razmatranje kompresora na tom principu. Mozda eventualno sa koristenjem LED-ice sa fotodiodom / fotootpornikom ali neka barem zasad razmatranja o kompresoru budu u cijevnoj domeni.
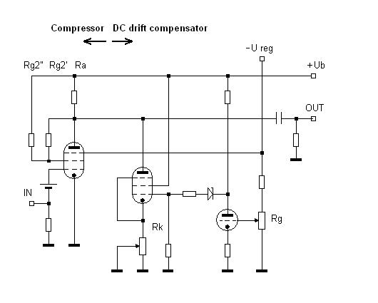
Osim tih nelinearnosti, kod obadva sistema postoji i odredjeni drift radne tocke izazvan DC kontrolnim naponom kojim se regulira pojacanje.
I sad kad netko ovo cita, taj bi mogal lako donit zakljucak da je cili ovi tekst pljuvanje po svim ostvarenim konstrukcijama kompresora. Ali molil bin da se takvi zakljucci ne donose, ovi tekst je samo u najkracim mogucim crtama prikaz rada tipicnih kompresora sa ukazivanjem na neke objektivno postojece mane koje ostavljaju odredjene “zvucne potpise”. I to ukazivanje na mane je samo u svrhu portage za odredjenim poboljsanjima (koliko su realno moguca) o kojima ce bit ric u iducem postu.
Bez obzira na sve mane, kompresori su dosegli izuzetno visoki stupanj savrsenstva. “Zvucni potpisi”pojedinih mana jesu istina prisutni (ali koja audio komponenta ih nima
