

Dakle prvotna ideja je bio hibrid koji se izjalovio već u samom početku zbog masivnosti svih planiranih elemanata, makar je upotrijebljena kutija od Fischer Elektronika SKE 3 400 (možda neki znaju da je to pozamašan gabarit). Jednostano - hibrid u to nije išao ni pod razno s ovom postavom dijelova, pak se pristupilo gradnji izlaznog MOSFET stupnja u dual mono izvedbi.
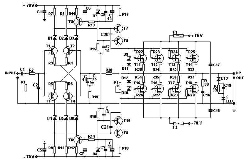
Nema se što puno reći - shema je dolje, barem pricipijelna, a u generalnom mogu reći i nabrojati ovo:
- upotrebljena su dva toroidna transformatora svaki od 600 VA, zaliveni u smolu i pozicionirani u zaštitne kape
- svaki kanal ima svoj soft-start (ustanovljeno da bez njega u stanu ne mogu priključiti trafo jer mi izbacuje osigurač). Softstartovi su nabavljeni od firme Hypex iz Nizozemske i mogu reći da dobro rade svoj posao (makar nisu jeftini).
- svaki kanal ima svoju zaštitu DC za zvučnike (ništa posebno - stari Vellemanov kit, ali dva puta)
- za ispravljanje su stavljene jake diode na vijak (svaki kanal ima 4 kom) - e baš sam htio probati kako će to raditi jer sam ih imao dovoljno. Možda se i vide na slici
- kapaciteti su Cornell Dubilier 4 x 35.000 uF (plave kante).
- Korišteni su Nichicon elektroliti, otpori MPC71, WIMA, itd sve što sam mogao bolje ugraditi.
- kabeli su što kraći i organizacija koliko je moguće bolja da signal ne putuje puno po kutiji
- VU metri doslovce nabavljeni čistom slučajnošću (e i njih sam htio, pa nek svijetle k'o Amsterdam). Napravljena je mala intervencija na njima jer su imali vrlo slabo svjetlo koje nije davalo značajne rezultate, pa sam ugradio LED traku i smanjio intenzitet rasvjete na minimum...svejedno neki mi i za to prigovaraju da je kičasto i bezveze. Ali boli me...
Subjektivno - ja zadovoljan. Najviše me izmučio mehaničarski posao. Mjeri, skini, buši, obradi, vrati, pa opet mjeri, skini, ...elektronika je najmanje posla u tome...
A slušno ono kako ja sebi to predočavam jest kao da sjediš i voziš se u Cesni, a na njoj su motori od Boeinga 747...leti uz malo gasa - jednostavno nesputana snaga i otvorenost. Ništa nije ograničeno, sve je transparentno i jasno, bez imalo zastoja.
Ako sam pretjerao u subjektivnosti i emociji - ne zamjerite, valjda znate kakav je osjećaj kad vam srce hoće iskočiti od radosti.
Slike iz djelomične i potpune završenosti prilažem dolje.
Gilhooley